Yamaha YFM200DXW (MOTO-4) 1989 OIL PUMP Diagram
#
Description
Price
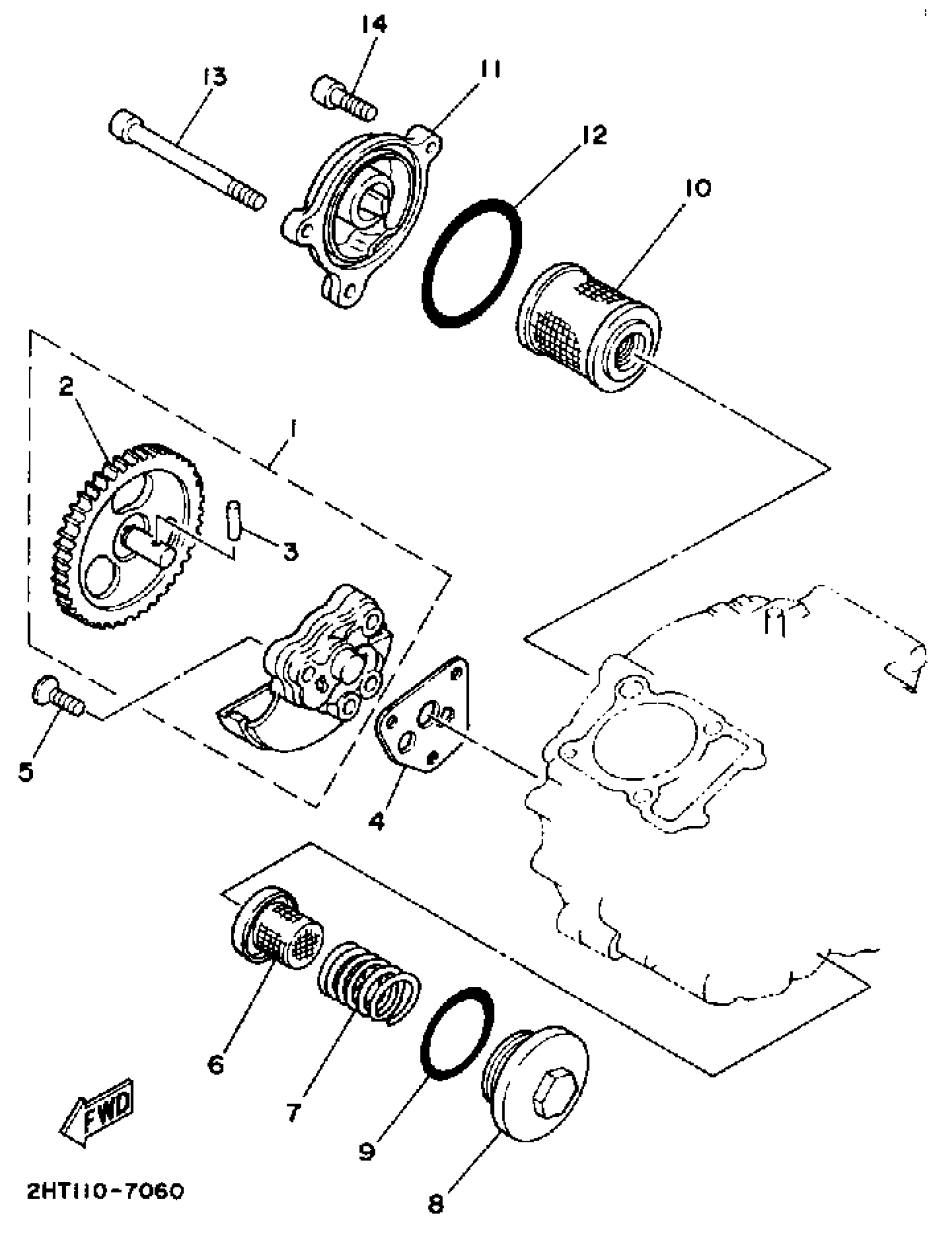
2
. GEAR, PUMP DRIVEN 2 (41T)
21V-13326-00-00
Unavailable
11
COVER, OIL ELEMENT
5XG-E3447-00-00
Unavailable
13
BOLT,SOCKET
91317-06020-00
Unavailable
14
BOLT,SOCKET
91317-06115-00
Unavailable
