Partiron

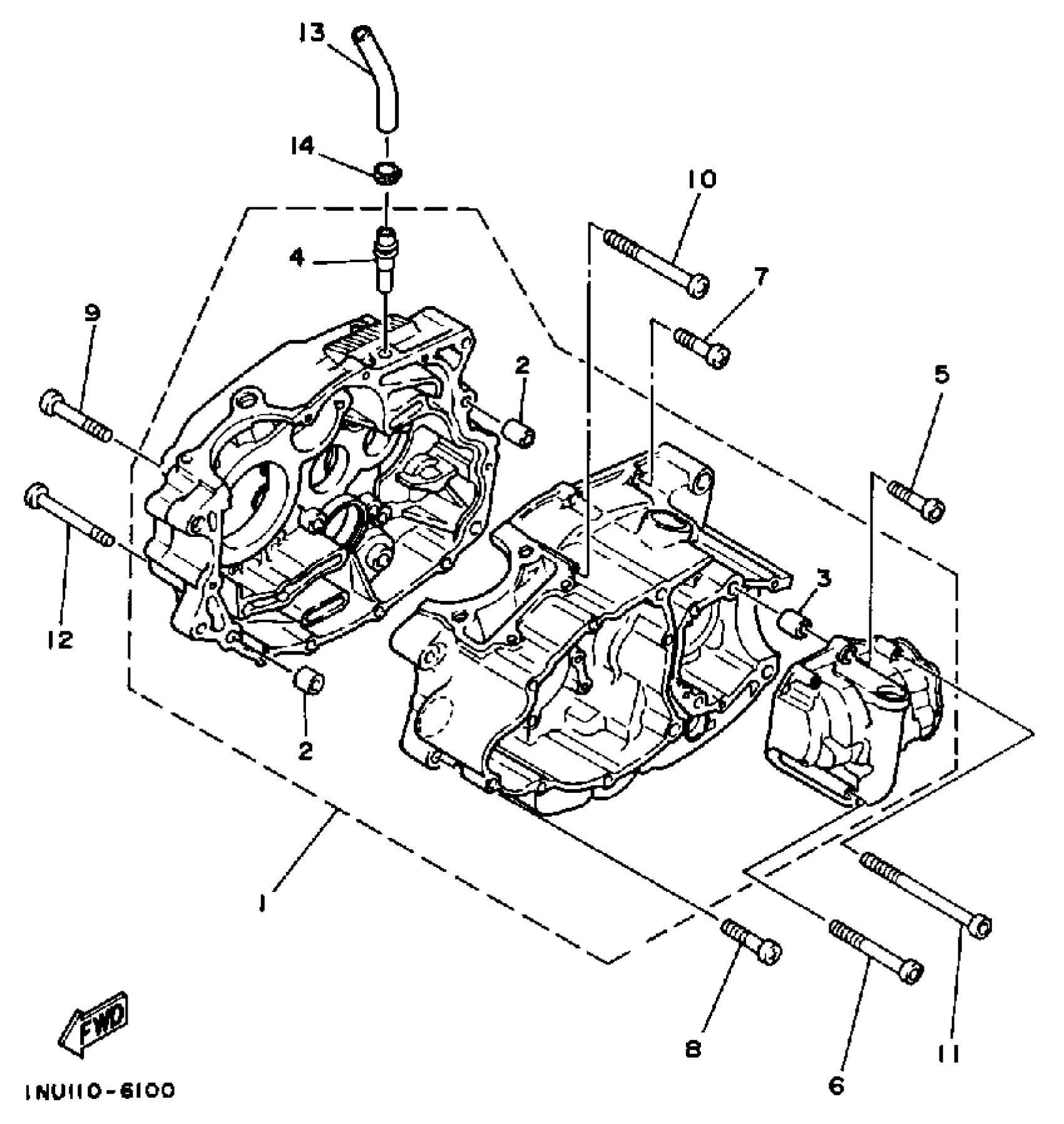
Yamaha YFM200DXS (MOTO-4) 1NU 1986 CRANKCASE Diagram

#

Description
Price

1

CRANKCASE ASSEMBLY

1NU-15100-00-00

Unavailable

2

PIN, DOWEL(3VD)

99530-10114-00

$2.55

3

PIN, DOWEL

99530-12016-00

$4.89

4

PIPE, BREATHER 2

59V-11167-00-00

Unavailable

5

BOLT,SOCKET

91317-06035-00

Unavailable

6

BOLT, SOCKET

91317-06085-00

Unavailable

7

SCREW, PAN HEAD(6E0)

97885-06030-00

Unavailable

8

SCREW PAN HEAD

98580-06040-00

$8.49

9

SCREW, BIND (JH1)

98580-06560-00

Unavailable

10

SCREW, PAN

98507-06085-00

$6.99

11

BOLT

91317-06160-00

Unavailable

12

SCREW PAN HEAD

98580-06575-00

$12.49

13

HOSE

90445-121E3-00

Unavailable

14

CLIP(3YX)

90467-13133-00

$8.49