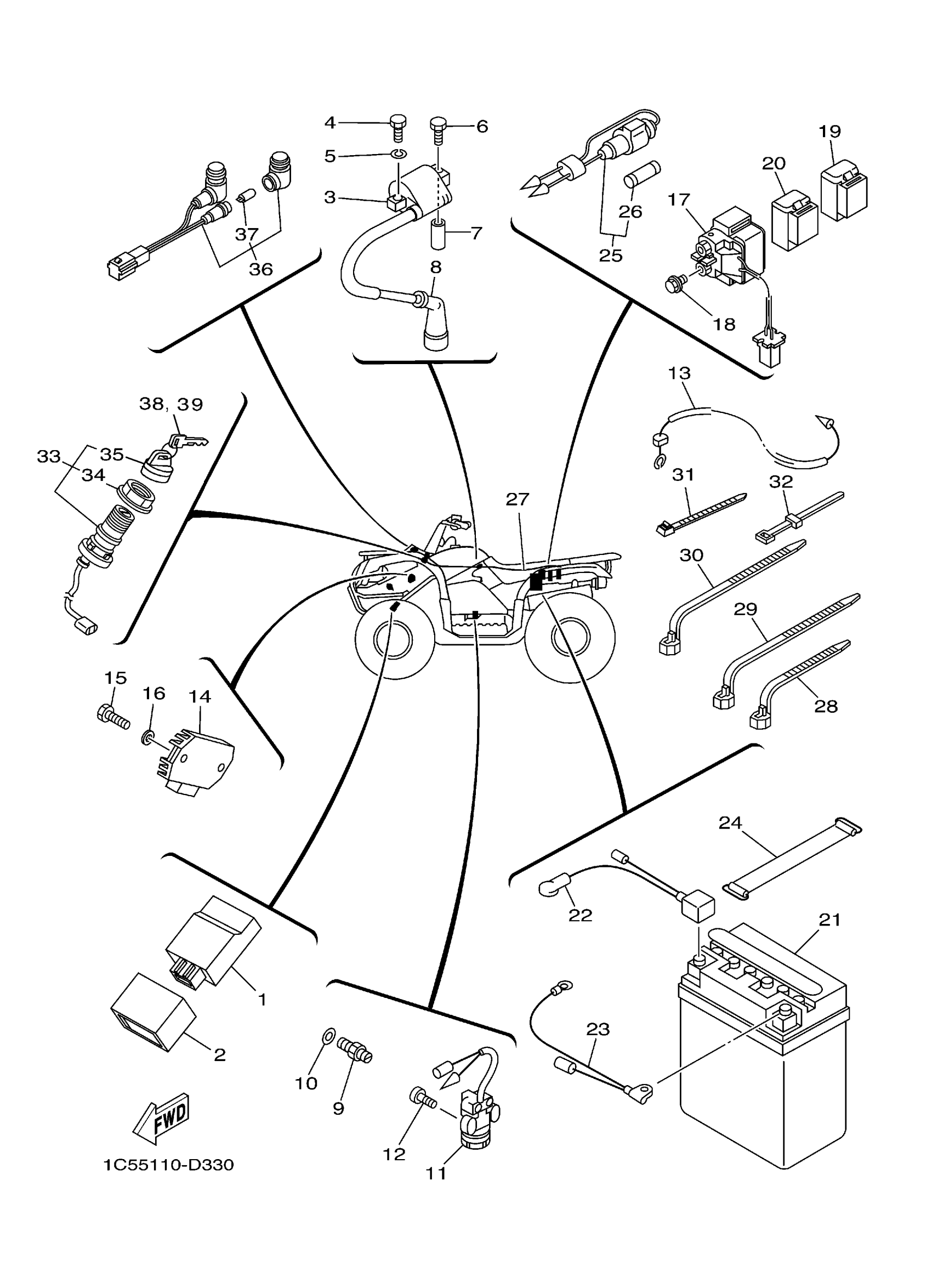
Yamaha YFM125GAL (GRIZZLY 125) 1C5U0 2011 ELECTRICAL 1 Diagram
#
1
C.D.I. UNIT ASSY
3FA-85540-20-00
Unavailable
5
WASHER, SPRING
92995-06100-00
Unavailable
11
SWITCH
3FA-82627-00-00
Unavailable
13
WIRE, LEAD
3FA-82541-00-00
Unavailable
16
WASHER, PLAIN (646)
92990-06600-00
Unavailable
17
STARTER RELAY ASSY (MS5E-661)
3MW-81940-01-00
Unavailable
18
BOLT, FLANGE
95022-06008-00
Unavailable
19
RELAY ASSY (29U-93)
29U-81950-93-00
Unavailable
20
RELAY ASSY (2NL-92)
2NL-81950-92-00
Unavailable
21
ACB12CA GS BATTERY WET PACK
ACB-12CA0-00-00
Unavailable
22
WIRE, PLUS LEAD
3FA-82115-01-00
Unavailable
23
WIRE, MINUS LEAD
1VJ-82116-00-00
Unavailable
24
BAND, BATTERY
133-82131-00-00
Unavailable
25
FUSE HOLDER ASSY
1UY-82150-00-00
Unavailable
26
FUSE (15A)
1UY-82151-00-00
Unavailable
27
WIRE HARNESS ASSY
1C5-82590-00-00
Unavailable
28
CLAMP(4FM)
90464-15195-00
Unavailable
29
CLAMP(4FM)
90464-15195-00
Unavailable
30
BAND, SWITCH CORD
25G-83936-01-00
Unavailable
31
CLAMP
90465-10098-00
Unavailable
32
BAND, SWITCH CORD
437-83936-01-00
Unavailable
33
MAIN SWITCH ASSY
5LP-82510-01-00
Unavailable
34
NUT, MAIN SWITCH
3HN-82569-00-00
Unavailable
35
CAP, KEY
3HN-82579-00-00
Unavailable
36
PILOT LIGHT ASSY
5TE-83530-00-00
Unavailable
37
BULB (12V-1.7W)
3FV-83517-00-00
Unavailable
38
KEY, BLANK (A-TYPE)
90890-56001-00
Unavailable
39
KEY, BLANK (B-TYPE)
90890-56002-00
Unavailable
