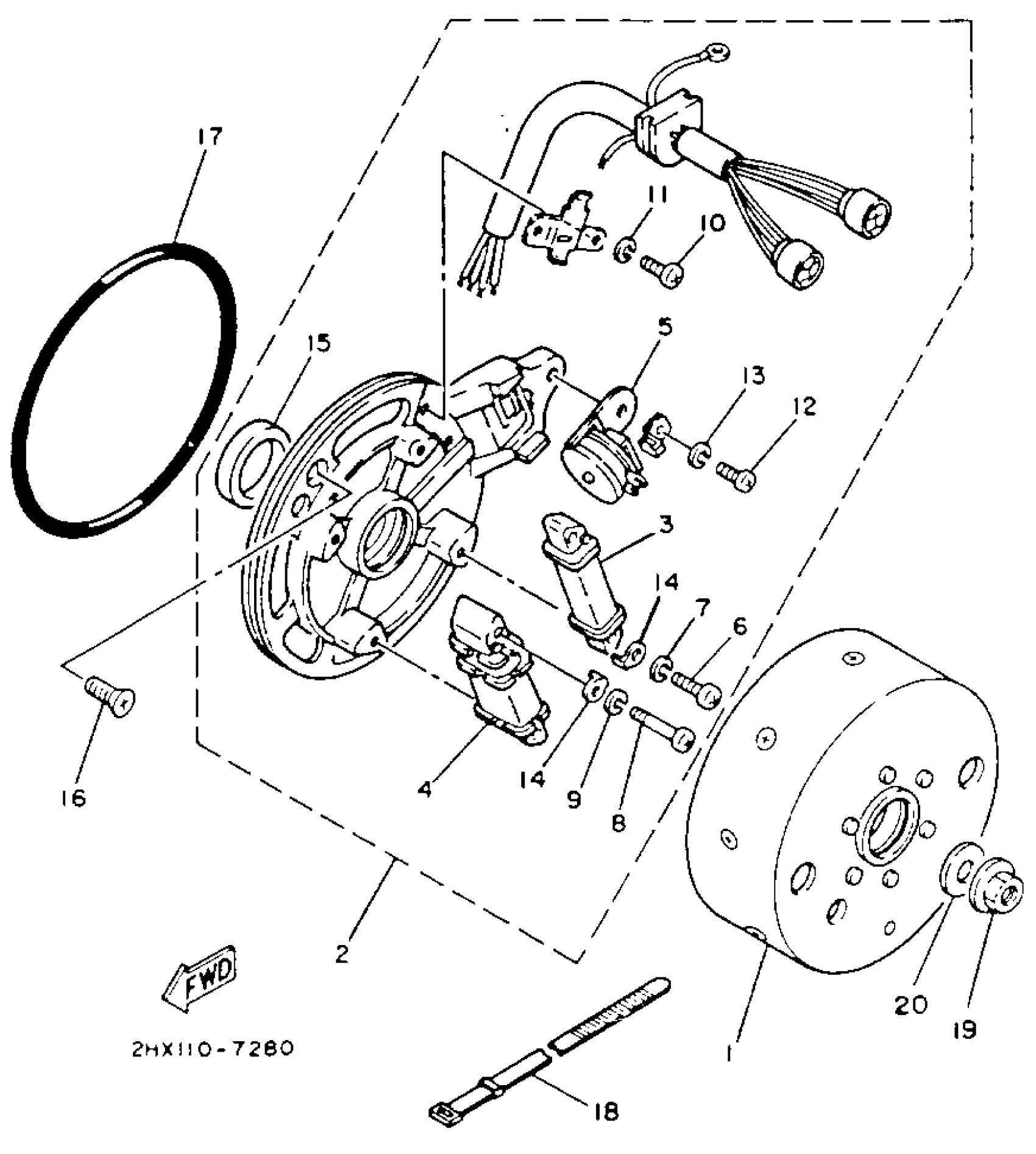
Yamaha YFM100T (CHAMP) 1987 GENERATOR Diagram
#
Description
Price
1
ROTOR ASS''Y
55X-85550-M0-00
Unavailable
2
BASE ASS''Y
55X-85560-M0-00
Unavailable
3
COIL, CHARGE
5G3-85520-M2-00
Unavailable
6
SCREW, PAN HEAD
98511-04012-00
Unavailable
10
SCREW,PAN HEAD
98501-04006-00
Unavailable
12
SCREW, PAN HEAD(62X)
97885-05010-00
Unavailable
14
TERMINAL, EARTH 2
2T4-85569-M1-00
Unavailable
16
SCREW, FLAT
98707-06014-00
Unavailable
17
O-RING(55X)
93211-02703-00
Unavailable
18
BAND, SWITCH CORD
25G-83936-01-00
Unavailable
19
NUT (22F)
90179-10394-00
Unavailable
20
WASHER, PLATE (26H)
90201-102G9-00
Unavailable
