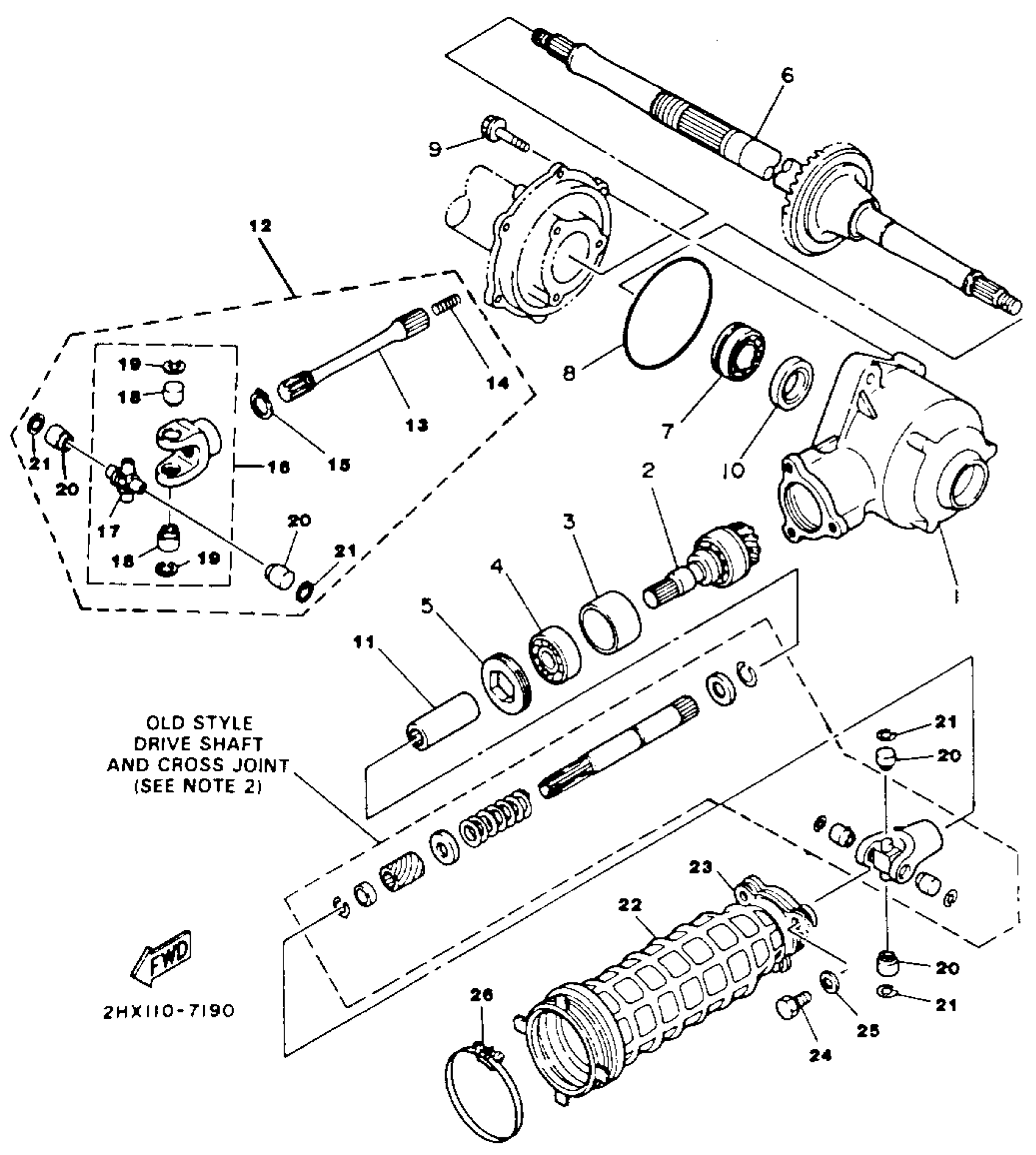
Yamaha YFM100T (CHAMP) 1987 DRIVE SHAFT Diagram
#
Description
Price
1
HOUSING, drive shaft
55X-46151-00-00
Unavailable
2
DRIVE PINION COMP.
2HX-46120-00-00
Unavailable
3
SPACER
90560-40221-00
Unavailable
5
NUT
90179-50481-00
Unavailable
6
RING GEAR COMP. (55X-46110-02)
55X-46110-03-00
Unavailable
7
BEARING
93306-00511-00
Unavailable
10
OIL SEAL(36R)
93102-25311-00
Unavailable
12
. DRIVE SHAFT KIT
99999-01900-00
Unavailable
13
SHAFT, DRIVE
3GB-46172-01-00
Unavailable
14
. SPRING, compression
90501-101F8-00
Unavailable
16
. CROSS JOINT COMP
2HX-46180-00-00
Unavailable
17
. SPIDER
22F-46187-00-00
Unavailable
18
BEARING, CYLINDRICAL (22F)
93311-20952-00
Unavailable
19
CIRCLIP(24H)
99009-17500-00
Unavailable
20
BEARING, CYLINDRICAL (22F)
93311-20952-00
Unavailable
21
CIRCLIP(24H)
99009-17500-00
Unavailable
22
. HOUSING, bearing
2HX-17551-00-00
Unavailable
23
PLATE, bearing
2HX-17558-00-00
Unavailable
24
BOLT, HEXAGON
97013-08020-00
Unavailable
25
YBS67-8 WASHER, SPRING
92990-08100-00
Unavailable
26
CLAMP, HOSE(59V)
90460-85277-00
Unavailable
