Partiron

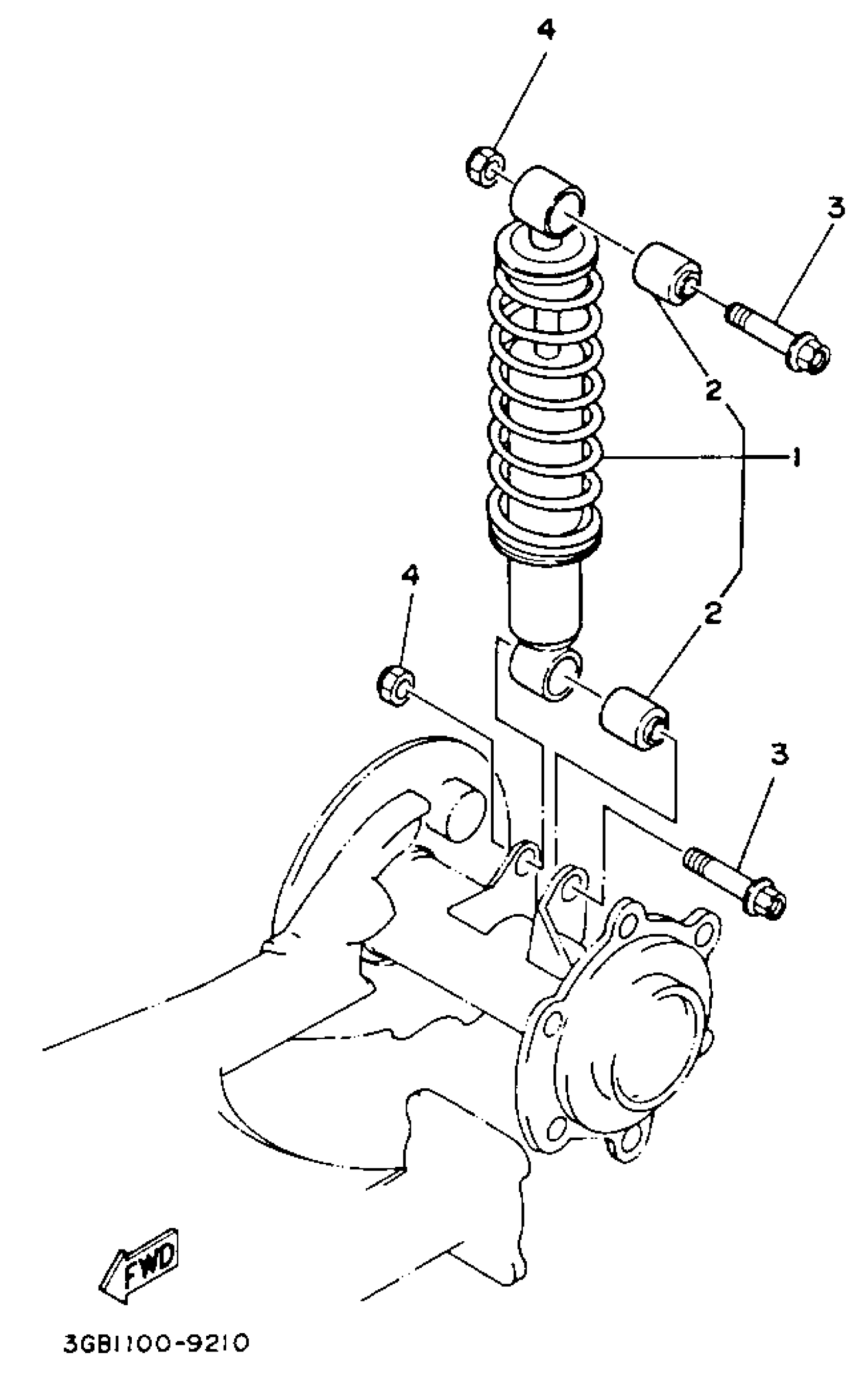
Yamaha YFM100B (CHAMP) 1991 REAR SHOCKS Diagram

#

Description
Price

1

SHOCK ABSORBER ASSY, REAR

3GB-22210-00-33

Unavailable

2

BUSH, REAR SHOCK ABSORBER

59V-22216-00-00

Unavailable

3

BOLT, WASHER BASED(59V)

90105-10388-00

$10.49

4

NUT, SELFLOCKING (533 FRAME)

90185-10060-00

$7.49