Partiron

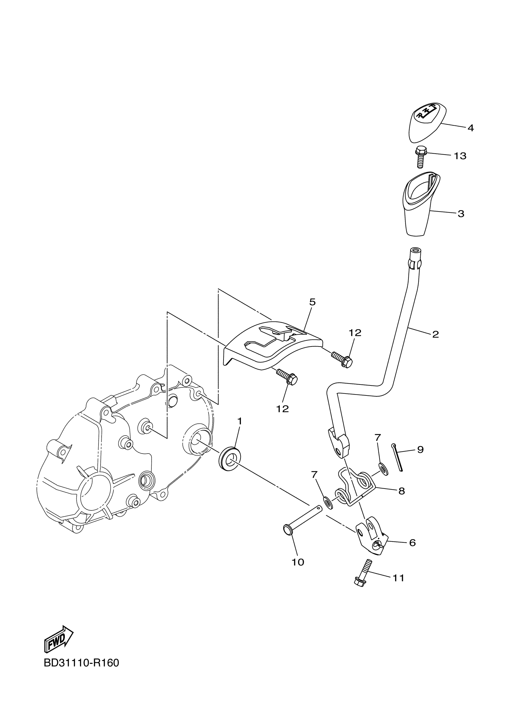
Yamaha YFM09RYXJW (RAPTOR 90) BD37 2018 SHIFT SHAFT Diagram

#

Description
Price

1

OIL SEAL

BD3-G3882-00-00

$7.49

2

LEVER COMP. 1

BD3-E8190-00-00

Unavailable

3

KNOB, SHIFT LEVER

BD3-E8174-00-00

Unavailable

4

KNOB

BD3-E7496-00-00

$7.49

5

GUIDE, SHIFT

BD3-E8172-00-00

Unavailable

6

GUIDE

BD3-E8179-00-00

Unavailable

7

WASHER

BD3-E5615-10-00

$3.28

8

SPRING, RETURN

BD3-E8196-00-00

Unavailable

9

PIN 2

BD3-F146E-10-00

Unavailable

10

SHAFT, SHIFT

BD3-E8125-10-00

$7.49

11

BOLT

BD3-G8171-10-00

Unavailable

12

BOLT

BD3-H1452-10-00

Unavailable

13

BOLT

BD3-H1552-10-00

Unavailable