Partiron

Yamaha YFM09GYXKL (GRIZZLY 90) B8W1 2019 GUARD Diagram

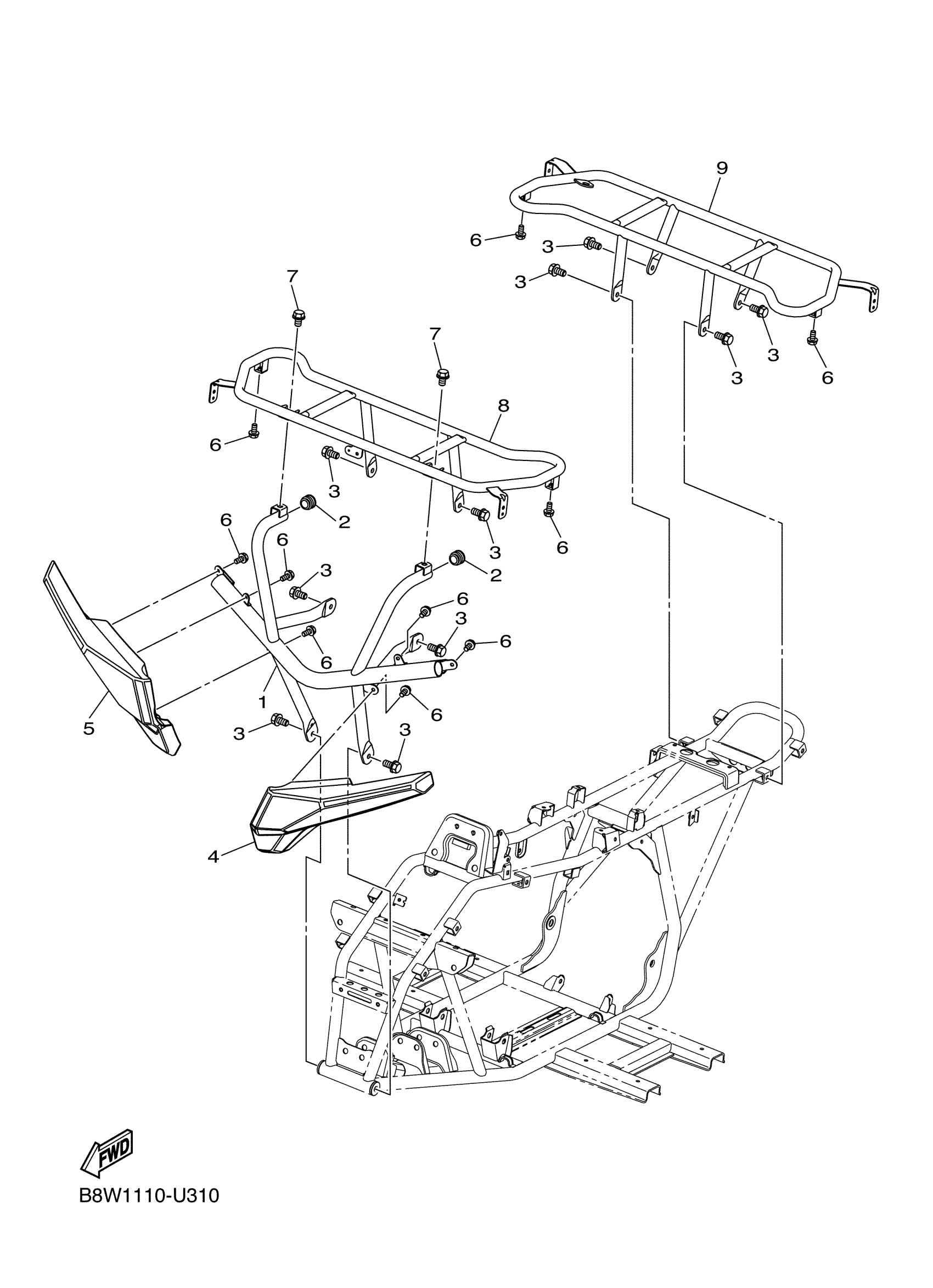
#

Description
Price

1

BAR, CARRY FRONT

B8W-F845N-00-00

Unavailable

2

PLUG

B8W-F2417-00-00

$2.60

3

BOLT 1

BD3-F4176-10-00

Unavailable

4

COVER 1

B8W-F842M-00-00

$126.99

5

COVER 2

B8W-F842N-00-00

Unavailable

6

BOLT, LEG SHIELD

BD3-F8331-10-00

$3.23

7

BOLT

BD3-F3876-10-00

$4.29

8

CARRIER, FRONT

B8W-F4841-00-00

Unavailable

9

CARRIER, REAR

B8W-F4842-00-00

$442.99