Yamaha YFM01GYXTS (GRIZZLY 110) D963 2026 FRAME Diagram
#
Description
Price
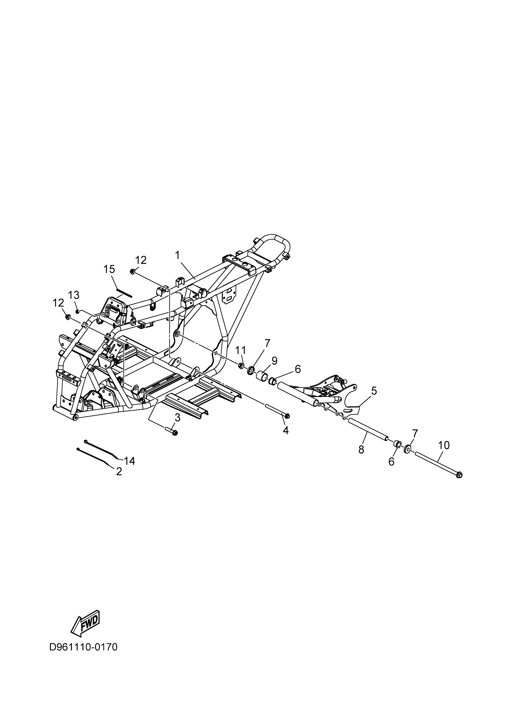
2
BAND
BD3-F1646-00-00
Unavailable
3
BOLT
BYS-F6332-00-00
Unavailable
4
BOLT 3
BYS-F4178-00-00
Unavailable
5
REAR ARM COMP.
BYS-F2110-00-00
Unavailable
8
COLLAR, DISTANCE
BD3-F2126-00-00
Unavailable
12
NUT
BYS-F1839-00-00
Unavailable
13
GROMMET
BD3-F1719-00-00
Unavailable
