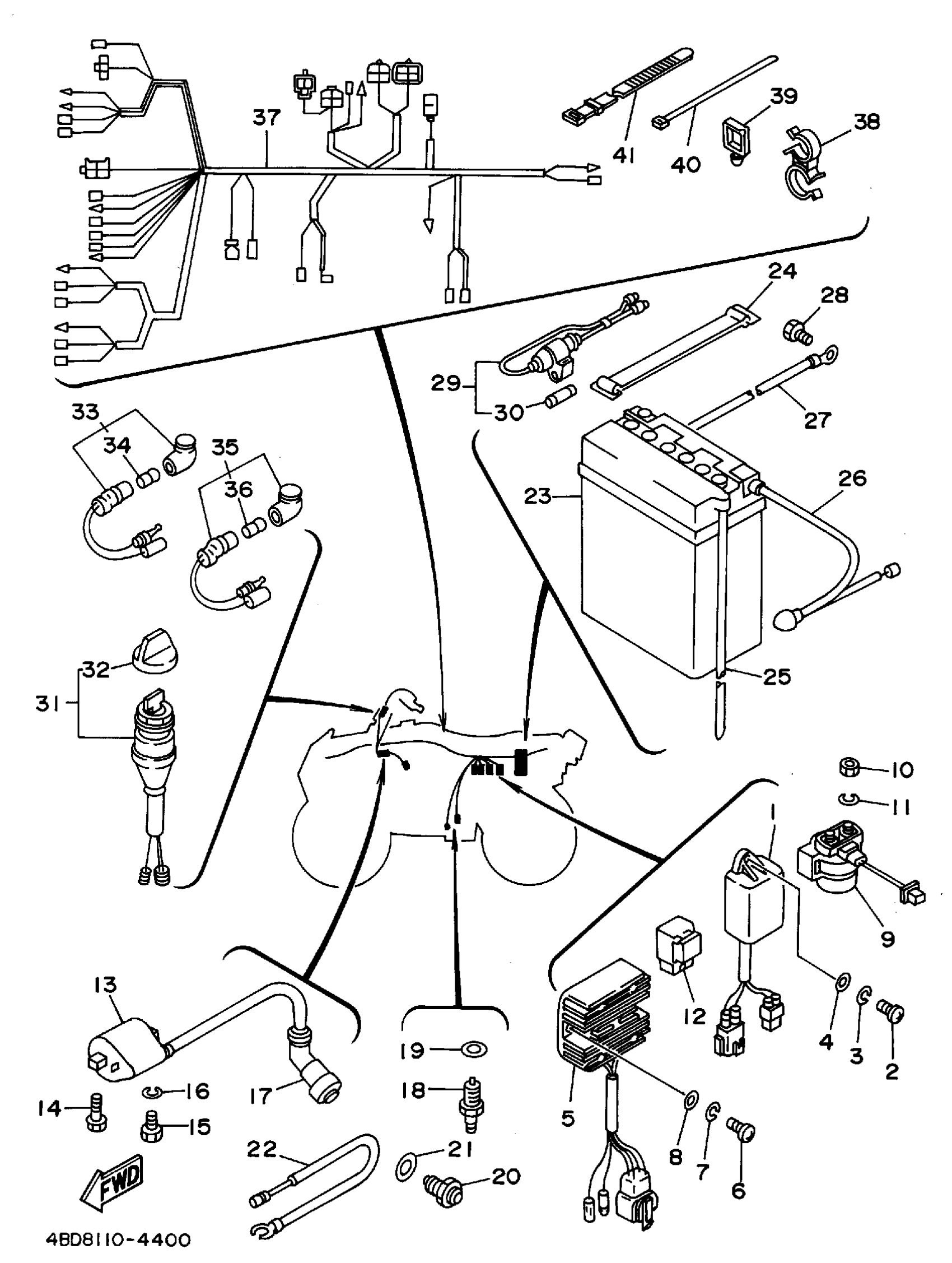
Yamaha YFB250G (TIMBERWOLF 2WD) 1995 ELECTRICAL 1 Diagram
#
Description
Price
1
C.D.I. UNIT ASSY
4BD-85540-10-00
Unavailable
5
RECTIFIER & REGULATOR ASSEMBLY
4GB-81960-00-00
Unavailable
17
PLUG CAP ASSY
3NS-82370-00-00
Unavailable
18
NEUTRAL SWITCH ASSY
3GB-82540-01-00
Unavailable
19
GASKET (5R6)
90430-10171-00
Unavailable
20
NEUTRAL SWITCH ASSY
4KD-82540-00-00
Unavailable
21
WASHER, PLATE
90201-12790-00
Unavailable
22
WIRE, LEAD
4BD-82507-00-00
Unavailable
23
ACB12CA GS BATTERY WET PACK
ACB-12CA0-00-00
Unavailable
24
BAND, BATTERY
133-82131-00-00
Unavailable
25
HOSE (L1500)
90445-084J0-00
Unavailable
26
WIRE, PLUS LEAD
4BD-82115-01-00
Unavailable
27
WIRE, MINUS LEAD
89H-82116-00-00
Unavailable
28
SCREW, HEXAGON (18V)
90153-06044-00
Unavailable
29
FUSE HOLDER ASSY
2NL-82150-00-00
Unavailable
30
FUSE (30A)
705-82151-01-00
Unavailable
31
MAIN SWITCH ASSY
4GB-82510-12-00
Unavailable
32
CAP, KEY
3HN-82579-00-00
Unavailable
33
PILOT LIGHT ASSY
24W-83530-10-00
Unavailable
34
BULB (12V-3.4W)
123-83516-21-00
Unavailable
35
PILOT LIGHT ASSY
52G-83530-10-00
Unavailable
36
BULB (12V-3.4W)
123-83516-21-00
Unavailable
37
WIRE HARNESS ASSEMBLY
4BD-82590-20-00
Unavailable
38
CLAMP(3XC)
90464-28153-00
Unavailable
39
CLAMP (1J7)
90464-16025-00
Unavailable
40
BAND
1UA-82591-00-00
Unavailable
41
BAND, SWITCH CORD
437-83936-11-00
Unavailable
