Partiron

Yamaha YFB250F (TIMBERWOLF 2WD) 4BD8 1994 GENERATOR Diagram

#

Description
Price

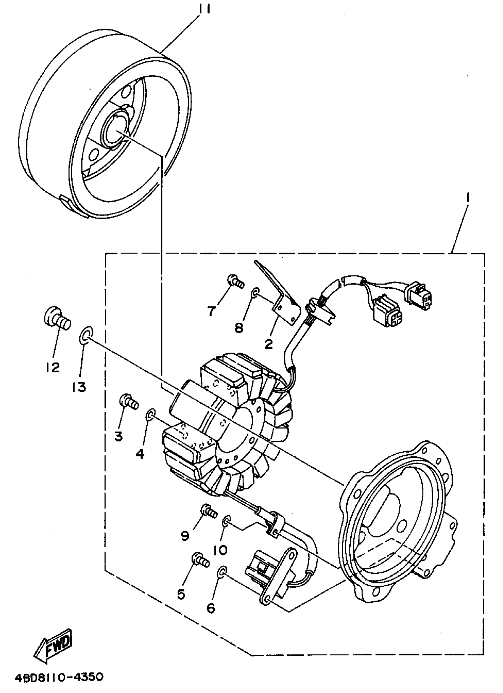
1

STATOR ASSY

4BD-85510-20-00

Unavailable

2

. COVER

21V-85525-00-00

Unavailable

3

SCREW, PANHEAD (A93)

98580-05525-00

$2.00

4

YBS67-5 WASHER, SPRING

92990-05100-00

$0.35

5

SCREW, PAN HEAD(62X)

97885-05010-00

Unavailable

6

YBS67-5 WASHER, SPRING

92990-05100-00

$0.35

7

SCREW, PAN HEAD (713)

98580-04008-00

$5.60

8

YBS67-4 WASHER, SPRING

92990-04100-00

$0.86

9

SCREW, PAN HEAD(3XP)

98517-04006-00

Unavailable

10

YBS67-4 WASHER, SPRING

92990-04100-00

$0.86

11

ROTOR ASSY

4BD-85550-20-00

Unavailable

12

SCREW, PAN HEAD

98580-06016-00

Unavailable

13

WASHER, PLAIN (646)

92990-06600-00

$2.80