Partiron

Yamaha YFB250E (TIMBERWOLF 2WD) 1993 GENERATOR Diagram

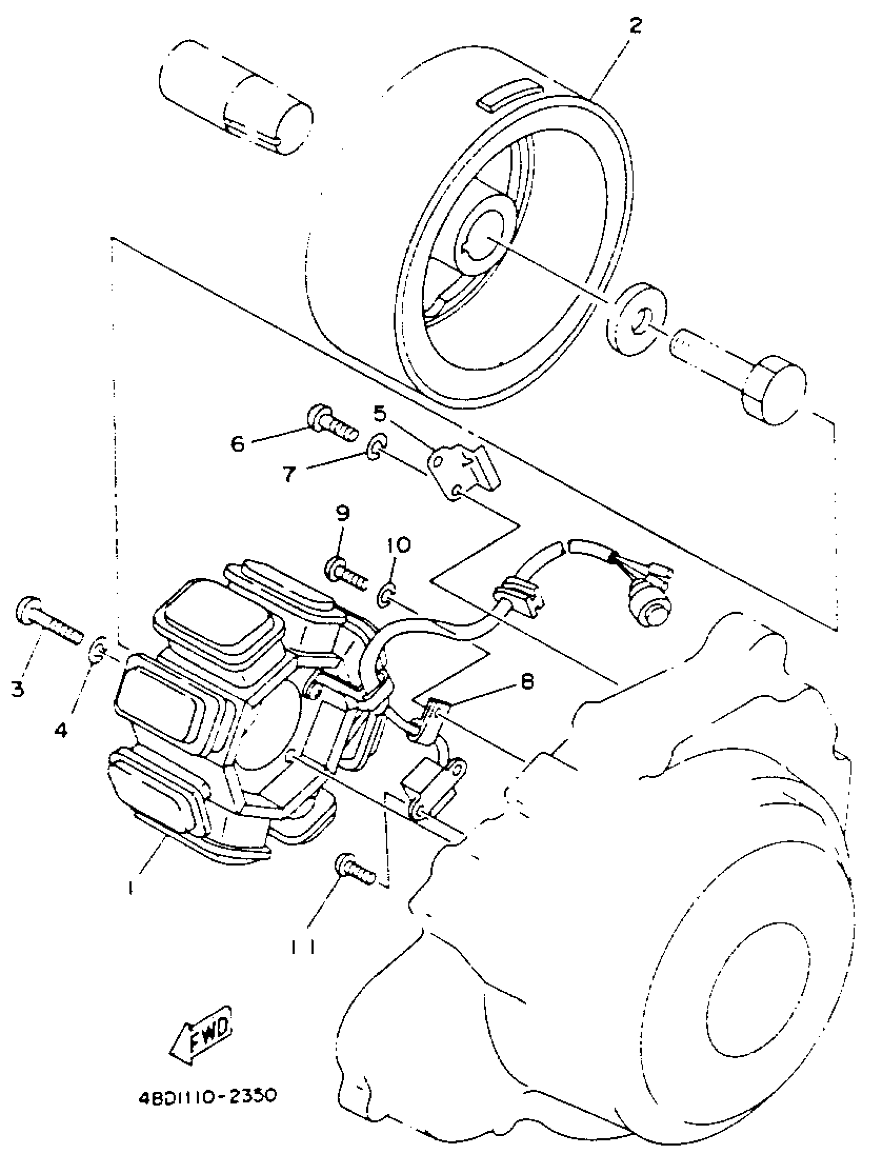
#

Description
Price

1

STATOR ASSEMBLY

4BD-85510-00-00

Unavailable

2

ROTOR ASSEMBLY

4BD-85550-00-00

Unavailable

3

SCREW, PANHEAD (A93)

98580-05525-00

$2.00

4

YBS67-5 WASHER, SPRING

92990-05100-00

$0.35

5

. COVER

21V-85525-00-00

Unavailable

6

SCREW, PAN HEAD (E56)

98580-04010-00

$8.49

7

YBS67-4 WASHER, SPRING

92990-04100-00

$0.86

8

CLAMP 1

4BD-81528-00-00

Unavailable

9

SCREW, PAN HEAD (E56)

98580-04010-00

$8.49

10

YBS67-4 WASHER, SPRING

92990-04100-00

$0.86

11

SCREW, PAN HEAD(62X)

97885-05010-00

Unavailable