Partiron

Yamaha YFB250D_MNH (TIMBERWOLF 2WD) 1992 STARTER CLUTCH Diagram

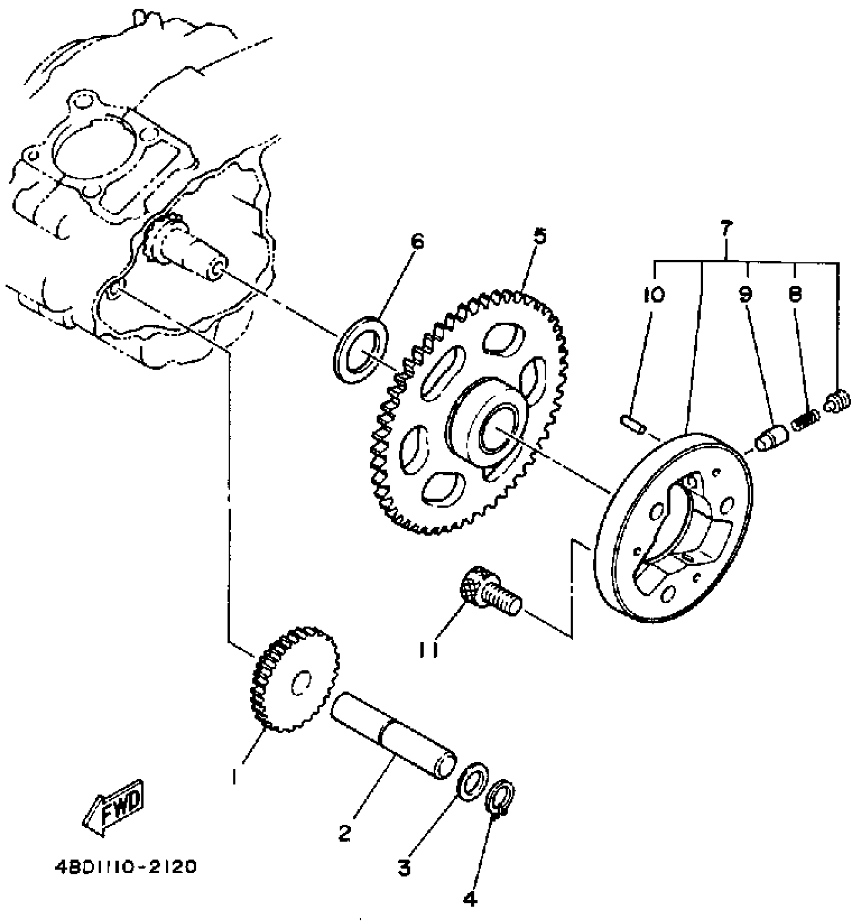
#

Description
Price

1

GEAR, IDLER 1

2HT-15512-00-00

Unavailable

2

SHAFT 1

4BD-15521-00-00

Unavailable

3

WASHER PLATE 164185720000

90201-12166-00

$9.49

4

CIRCLIP(10Y)

99009-12400-00

$3.59

5

GEAR, IDLER 2

5H0-15517-00-00

$153.99

6

WASHER, PLATE(1FK)

90201-256K6-00

Unavailable

7

STARTER CLUTCH OUTER ASSY

4H7-15580-10-00

$187.99

8

SPRING, COMPRESSION (4H7)

90501-04596-00

$9.49

9

CAP, STARTER CLUTCH

1J7-15583-01-00

$18.49

10

PIN,DOWEL(341)

93615-12088-00

$7.49

11

BOLT, SOCKET

91317-08016-00

$8.49