Yamaha YFB250D_MNH (TIMBERWOLF 2WD) 1992 ELECTRICAL 1 Diagram
#
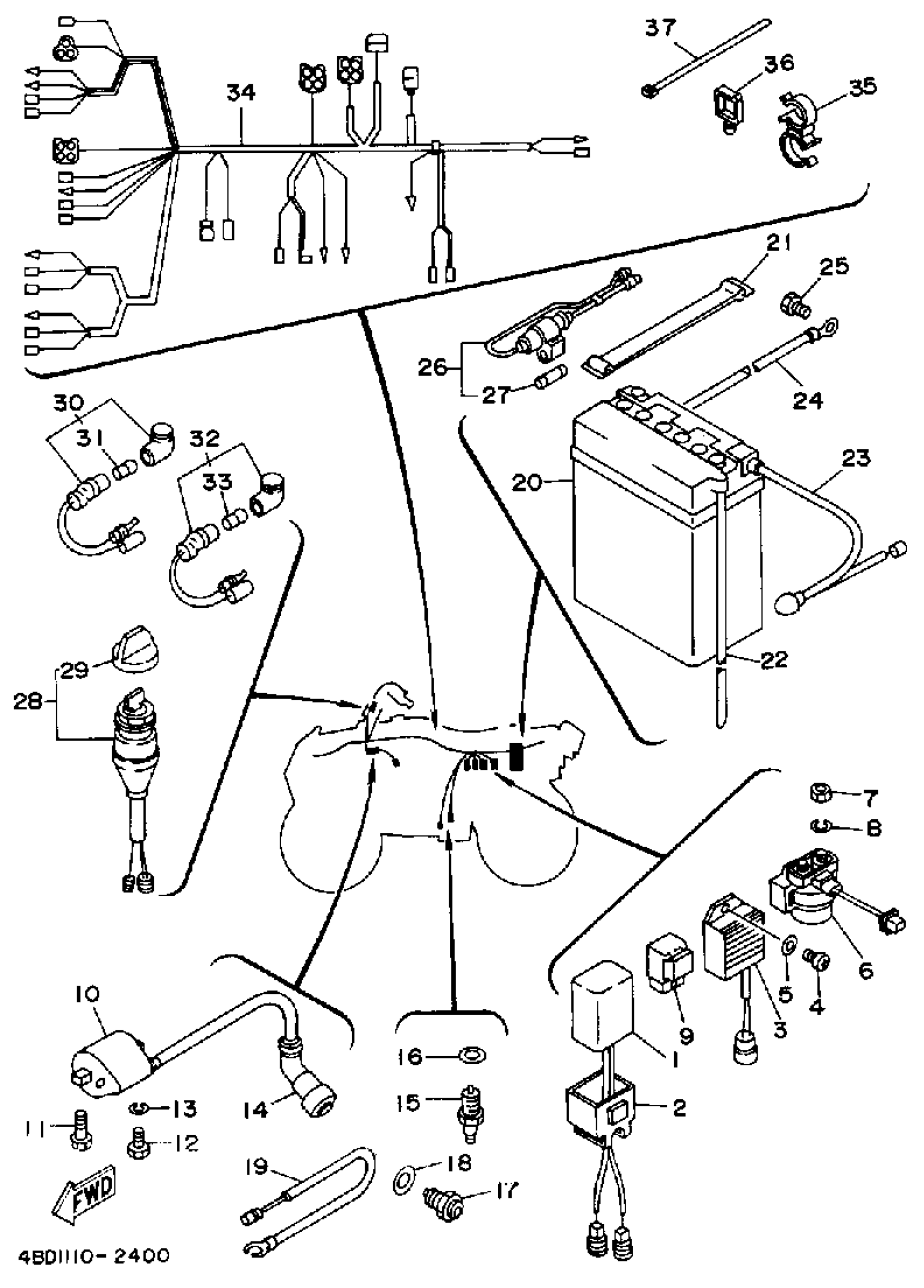
1
CDI UNIT ASSEMBLY
4BD-85540-00-00
Unavailable
2
BAND
2A7-85546-00-00
Unavailable
3
RECTIFIER/REG ASSEMBLYREGULATOR ASSEMBLY
3GC-81960-00-00
Unavailable
4
SCREW, PAN HEAD
98580-06016-00
Unavailable
8
WASHER, SPRING
92995-06100-00
Unavailable
13
WASHER, SPRING
92995-06100-00
Unavailable
16
GASKET (5R6)
90430-10171-00
Unavailable
17
NEUTRAL SWITCH ASSY
136-82540-03-00
Unavailable
18
WASHER, PLATE
90201-12790-00
Unavailable
19
WIRE, LEAD
4BD-82507-00-00
Unavailable
20
ACB12CA GS BATTERY WET PACK
ACB-12CA0-00-00
Unavailable
21
BAND, BATTERY
133-82131-00-00
Unavailable
22
HOSE (L1500)
90445-084J0-00
Unavailable
23
WIRE, PLUS LEAD
4BD-82115-01-00
Unavailable
24
WIRE, MINUS LEAD
89H-82116-00-00
Unavailable
25
SCREW, HEXAGON (18V)
90153-06044-00
Unavailable
26
FUSE HOLDER ASSY
29U-82150-00-00
Unavailable
27
FUSE (10A)
1E6-82151-00-00
Unavailable
28
MAIN SWITCH ASSY
2FH-82510-09-00
Unavailable
29
CAP, KEY
3HN-82579-00-00
Unavailable
30
PILOT LIGHT ASSY
24W-83530-10-00
Unavailable
31
BULB (12V-3.4W)
123-83516-21-00
Unavailable
32
PILOT LIGHT ASSY
52G-83530-10-00
Unavailable
33
BULB (12V-3.4W)
123-83516-21-00
Unavailable
34
WIRE HARNESS ASSEMBLY
4BD-82590-00-00
Unavailable
35
CLAMP(3XC)
90464-28153-00
Unavailable
36
CLAMP (1J7)
90464-16025-00
Unavailable
37
BAND
1UA-82591-00-00
Unavailable
