Yamaha YFA1W (BREEZE) 1989 FUEL TANK Diagram
#
Description
Price
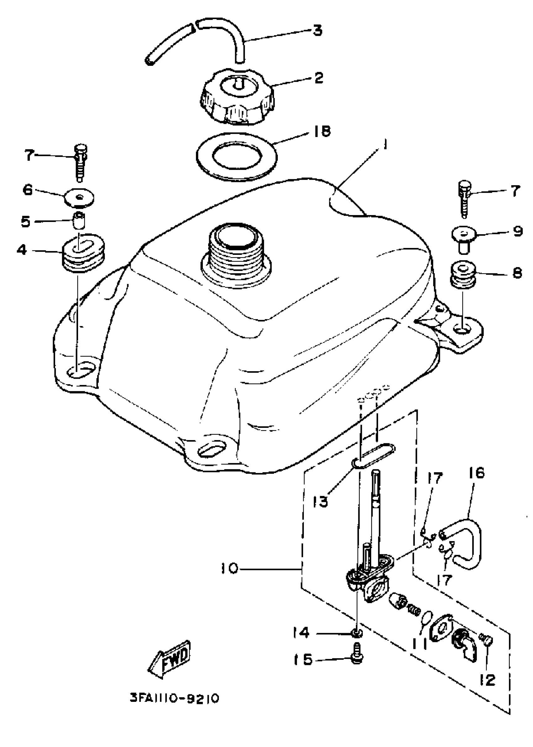
1
FUEL TANK COMP.
3FA-24110-00-00
Unavailable
16
HOSE (L200)
90445-10752-00
Unavailable
17
CLIP
90467-090A2-00
Unavailable
18
COVER, FILLER
3FA-2414A-00-00
Unavailable
