Partiron

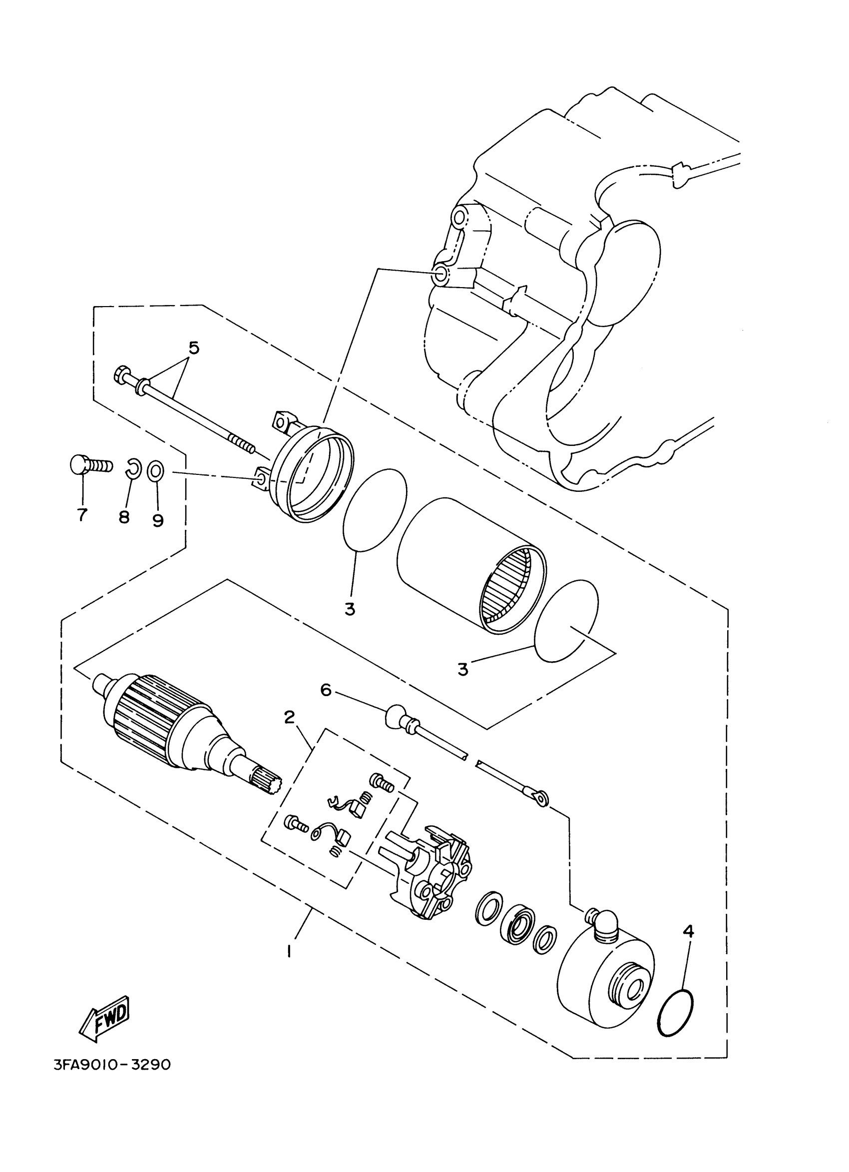
Yamaha YFA1SC (BREEZE) 5VJ5 2004 STARTING MOTOR Diagram

#

Description
Price

1

MOTOR ASSY

3FA-81890-01-00

Unavailable

2

BRUSH SET

3C5-81801-00-00

$23.99

3

O-RING(50M)

93210-55669-00

$8.49

4

O-RING(1RL)

93210-25711-00

$7.49

5

. SCREW 2

3FA-81828-00-00

Unavailable

6

CORD COMP.

3FA-8183G-00-00

Unavailable

7

BOLT, HEXAGON

97017-06025-00

$4.24

8

WASHER, SPRING

92907-06100-00

$4.25

9

WASHER(6TA)

92907-06600-00

$2.72