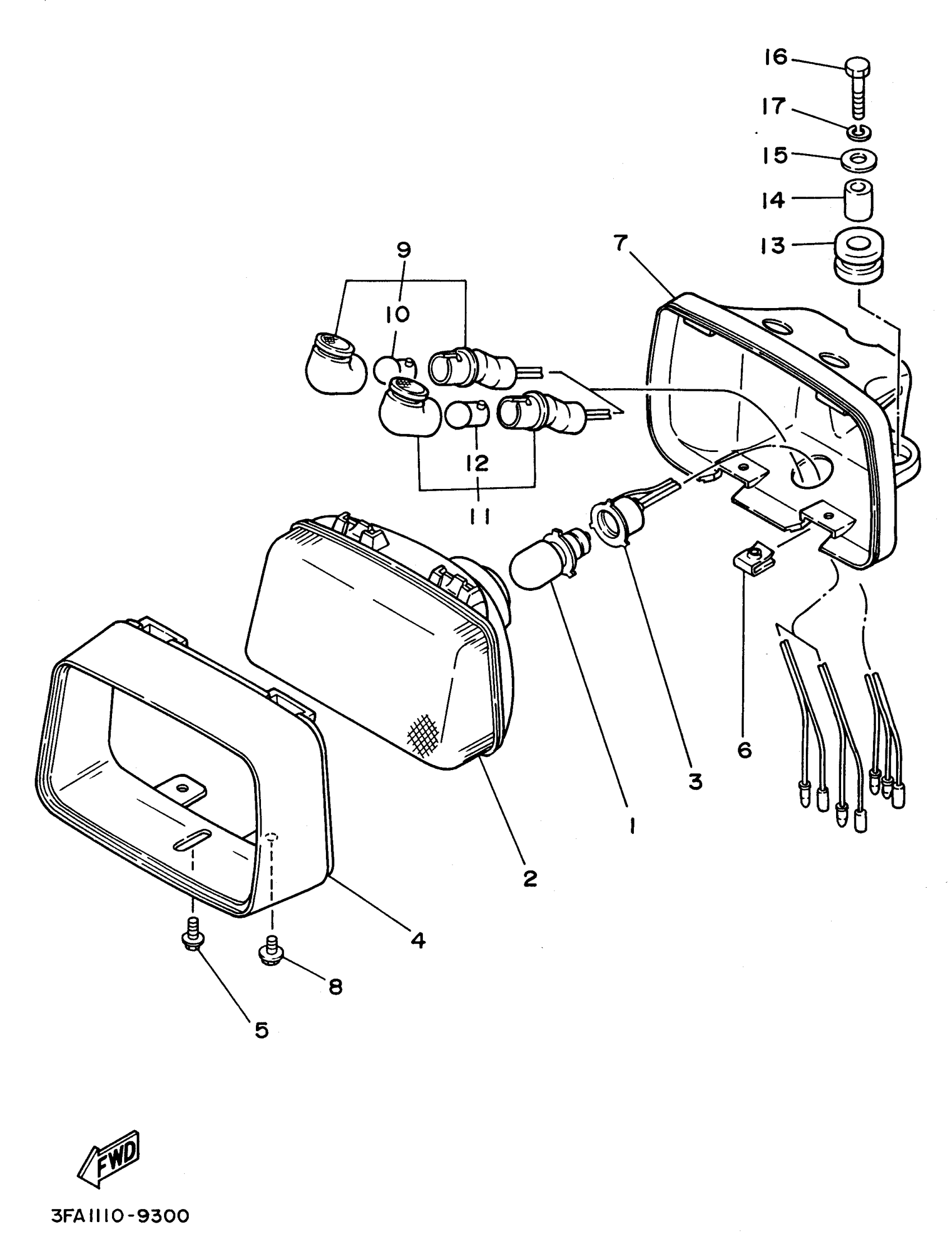
Yamaha YFA1H (BREEZE) 1996 HEADLIGHT Diagram
#
Description
Price
2
LENS ASSY
3FA-84320-00-00
Unavailable
3
HOLDER, SOCKET
3FA-84312-00-00
Unavailable
4
RIM, HEADLIGHT
3FA-84315-00-00
Unavailable
5
SCREW, RIM ADJUSTING
3FA-84331-00-00
Unavailable
6
NUT, SPRING(3YX)
90183-05074-00
Unavailable
7
BODY, HEADLIGHT
3FA-84311-00-00
Unavailable
9
PILOT LIGHT ASSEMBLY
3FA-83530-00-00
Unavailable
10
BULB (12V3.4W)
123-83516-21-XX
Unavailable
11
PILOT LIGHT ASSEMBLY
3FA-83530-10-00
Unavailable
12
BULB (12V3.4W)
123-83516-21-XX
Unavailable
16
BOLT, HEXAGON
97017-06025-00
Unavailable
17
WASHER, SPRING
92907-06100-00
Unavailable
