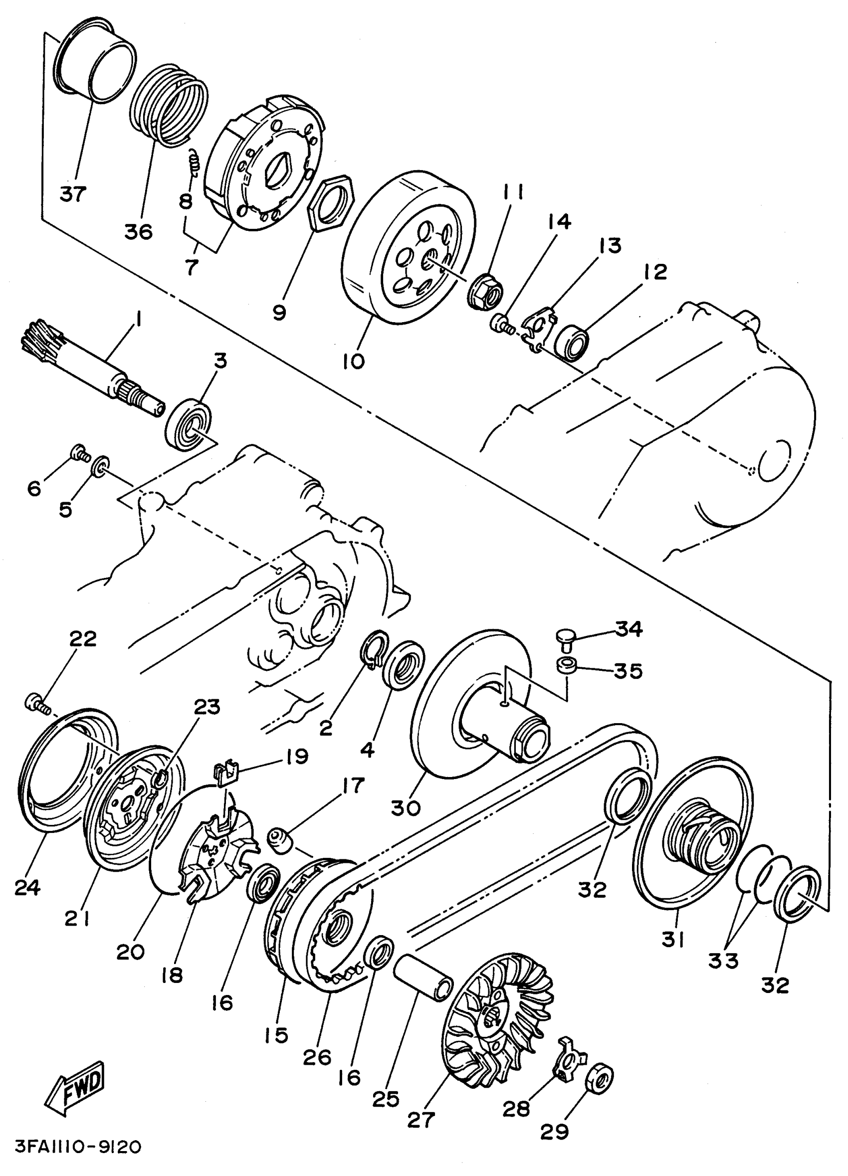
Yamaha YFA1H (BREEZE) 1996 CLUTCH Diagram
#
1
GEAR, PRIMARY DRIVE (14T)
3FA-16111-00-00
Unavailable
4
OIL SEAL(50M)
93102-22335-00
Unavailable
7
CLUTCH CARRIER ASSY
3FA-16620-01-00
Unavailable
8
SPRING, CLUTCH WEIGHT 1
14T-16626-01-00
Unavailable
10
CLUTCH HOUSING COMP.
1C5-16611-01-00
Unavailable
11
NUT(22F)
90179-14469-00
Unavailable
12
BEARING(50M)
93399-99918-00
Unavailable
13
PLATE, BEARING COVER
50M-15381-00-00
Unavailable
16
OIL SEAL
93101-21170-00
Unavailable
17
WEIGHT
50M-17632-00-00
Unavailable
18
CAM
50W-17623-00-00
Unavailable
19
SLIDER
4CW-E7653-00-00
Unavailable
20
O-RING(50M)
93210-97690-00
Unavailable
21
PRIMARY SHEAVE CAP COMP.
50M-17630-00-00
Unavailable
22
SCREW, BIND (682)
98980-04012-00
Unavailable
23
WASHER, CLAW(50M)
90214-04038-00
Unavailable
24
PLATE
50M-1763E-01-00
Unavailable
25
COLLAR(3FA)
90387-161V0-00
Unavailable
26
V-BELT
3FA-17641-00-00
Unavailable
27
SHEAVE, PRIMARY FIXED
3FA-17611-01-00
Unavailable
28
WASHER, LOCK(50M)
90215-14236-00
Unavailable
29
NUT(50M)
90170-12338-00
Unavailable
30
SECONDARY FIXED SHEAVE COMP.
3FA-17660-02-00
Unavailable
31
SECONDARY SLIDING SHEAVE
3FA-17670-00-00
Unavailable
32
OIL SEAL
93104-41119-00
Unavailable
33
O-RING(1EY)
93210-43713-00
Unavailable
34
PIN, GUIDE
50W-17664-00-00
Unavailable
35
COLLAR, GUIDE
50W-17674-00-00
Unavailable
36
SPRING, COMPRESSION(3FA)
90501-505F1-00
Unavailable
37
SEAT, SECONDARY SPRING
3FA-17684-00-00
Unavailable
