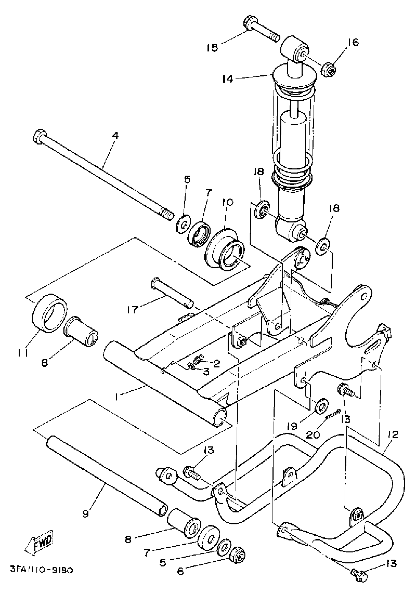
Yamaha YFA1D 1992 SWING ARM-REAR SHOCKS Diagram
#
Description
Price
2
NIPPLE, GREASE
93700-06M03-00
Unavailable
4
SHAFT, PIVOT
2JX-22141-00-00
Unavailable
12
COVER
3FA-2219X-00-00
Unavailable
16
NUT, SELFLOCKING (533 FRAME)
90185-10060-00
Unavailable
17
PIN, CLEVIS (10V)
90240-12092-00
Unavailable
18
COVER, THRUST
1W1-22128-00-00
Unavailable
19
WASHER, PLATE
90201-12047-00
Unavailable
20
PIN, COTTER
91490-30030-00
Unavailable
