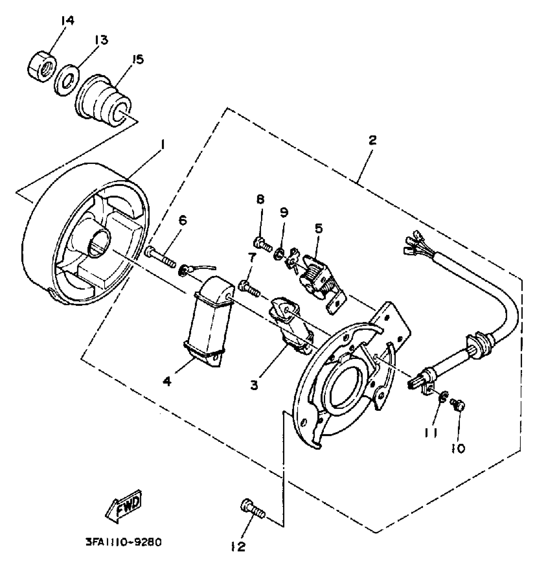
Yamaha YFA1B (BREEZE) 1991 GENERATOR Diagram
#
Description
Price
1
ROTOR ASSY
3FA-85550-00-00
Unavailable
2
BASE ASSEMBLY
3FA-85560-00-00
Unavailable
3
. COIL, CHARGE
3FA-85520-00-00
Unavailable
4
. COIL, LIGHTING 1
3FA-81313-00-00
Unavailable
5
. COIL, PULSER
55K-85595-M0-00
Unavailable
6
SCREW, PAN HEAD
98517-04025-00
Unavailable
10
SCREW, PAN HEAD(3XP)
98517-04006-00
Unavailable
14
NUT, HEXAGON (525)
90170-12181-00
Unavailable
