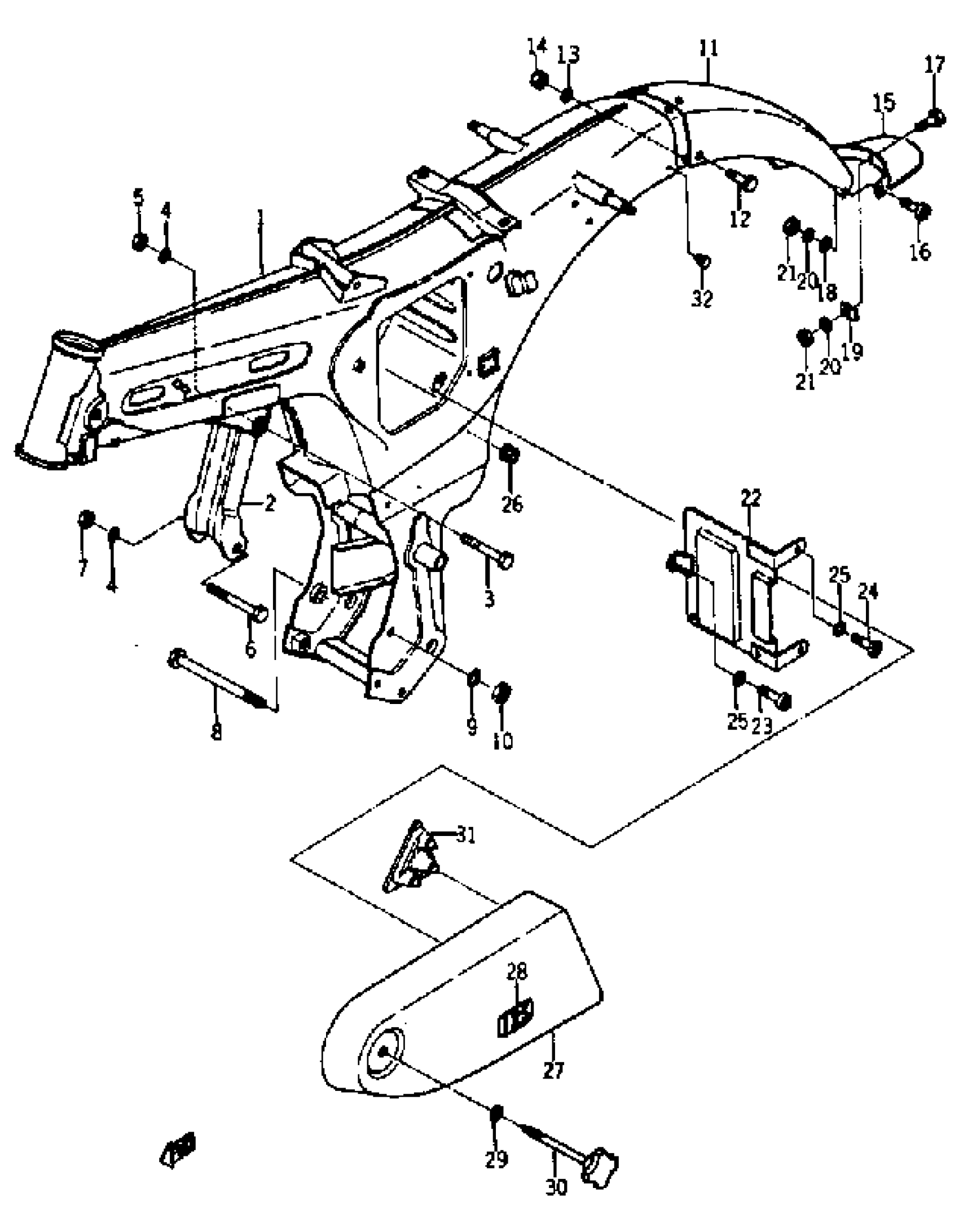
Yamaha YA6 (YA6_66) 137 1964 FRAME Diagram
#
Description
Price
6
BOLT,WASHER BASED
90105-08521-00
Unavailable
11
FENDER, REAR
(137-21610-60-81)
Unavailable
15
FLAP
(137-21621-02-00)
Unavailable
18
PLATE, FLAP FTNG 1
(137-21623-01-00)
Unavailable
19
PLATE, FLAP FTNG 2
(137-21624-00-00)
Unavailable
22
PLATE, REG FITTING
(137-81915-00-00)
Unavailable
23
SCREW PAN HEAD
98580-06010-00
Unavailable
26
GROMMET
(135-82595-00-00)
Unavailable
27
SIDE COVER ASSEMBLY 1
(137-21710-00-33)
Unavailable
28
EMBLEM 6
(137-21786-00-00)
Unavailable
29
SPACER, HANDLE 2 (648)
90202-34043-00
Unavailable
30
KNOB, SIDE COVER 1
(137-21714-01-00)
Unavailable
31
GROMMET
(137-21719-00-00)
Unavailable
32
PLUG, SPEC''L SHAPE
(90338-09060-00)
Unavailable
