- Partiron
- OEM Parts
- Yamaha
- motorcycle
- 1964
- YA6 (YA6_66) 137 1964
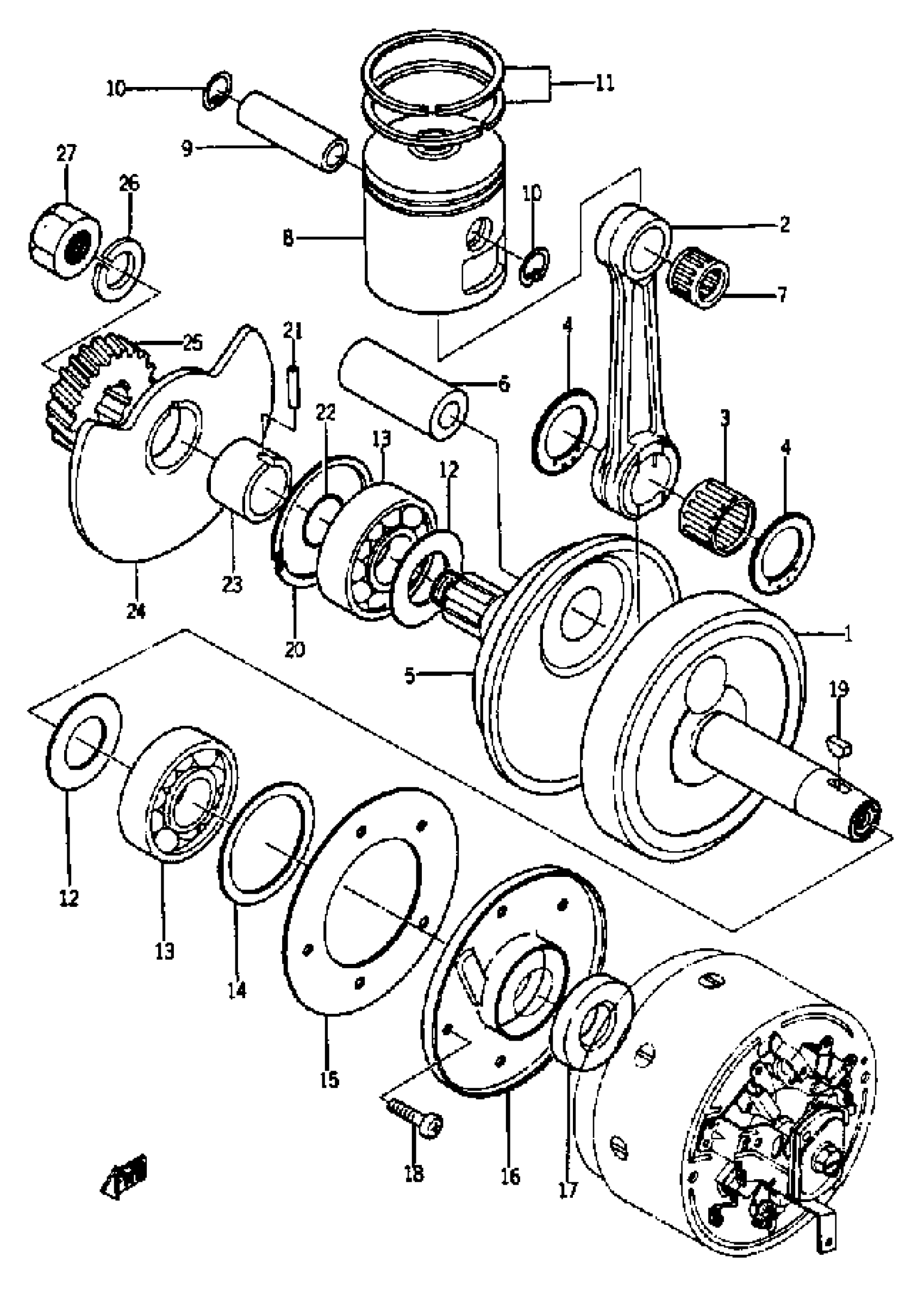
CRANK - PISTON
Yamaha YA6 (YA6_66) 137 1964 CRANK - PISTON Diagram
#
1
CRANKSHAFT ASSEMBLY
(137-11400-01-00)
Unavailable
1
CRANK 1
(137-11412-00-00)
Unavailable
1
PISTON 1 O/S 0.25
372-11635-09-00
Unavailable
2
ROD, CONNECTING
(137-11651-00-00)
Unavailable
2
PISTON 2 O/S 0.50
372-11636-09-00
Unavailable
2
PISTON 4 O/S 1.00
(372-11638-09-00)
Unavailable
3
BEARING, CYLINDER.#10
(93310-42417-00)
Unavailable
5
CRANK 2
(137-11422-00-00)
Unavailable
6
PIN, CRANK 1
(137-11681-01-00)
Unavailable
7
BEARING, CYLINDER.#10
93310-21606-00
Unavailable
8
PISTON STD (STD)
372-11631-09-96
Unavailable
11
PISTON RINGSET STD
372-11601-00-00
Unavailable
11
PISTON RINGSET 1ST
372-11601-10-00
Unavailable
11
PISTON RINGSET 2ND
(372-11601-20-00)
Unavailable
11
PISTON RINGSET 4TH
(372-11601-40-00)
Unavailable
12
SHIM, CRANK 1
136-11561-00-04
Unavailable
13
BRG,R-B 6304C3 52MM 144G KY
93306-30421-00
Unavailable
14
WASHER, BEARING CVR
(136-11565-00-03)
Unavailable
15
GASKET, O/SL HSNG
(137-15369-00-00)
Unavailable
16
HOUSING, OIL SEAL
(137-15359-00-00)
Unavailable
17
OIL SEAL (20X36X10-733)
93103-20110-00
Unavailable
18
SCREW
92503-05008-00
Unavailable
19
KEY WOODRUFF 146115450000
90280-03017-00
Unavailable
20
. CIRCLIP
93450-52010-00
Unavailable
21
PIN,DOWEL (137)
93604-14012-00
Unavailable
22
O-RING(3KX)
93210-180A6-00
Unavailable
23
COLLAR, VALVE
(122-13515-02-00)
Unavailable
24
VALVE, ROTARY
(137-13512-00-00)
Unavailable
25
GEAR, PRI DRIVE
(137-16111-00-00)
Unavailable
26
WASHER(6TC)
92907-14100-00
Unavailable
27
NUT, HEXAGON
90170-14171-00
Unavailable
