- Partiron
- OEM Parts
- Yamaha
- motorcycle
- 1983
- XZ550RK (XZ550RK) 1983
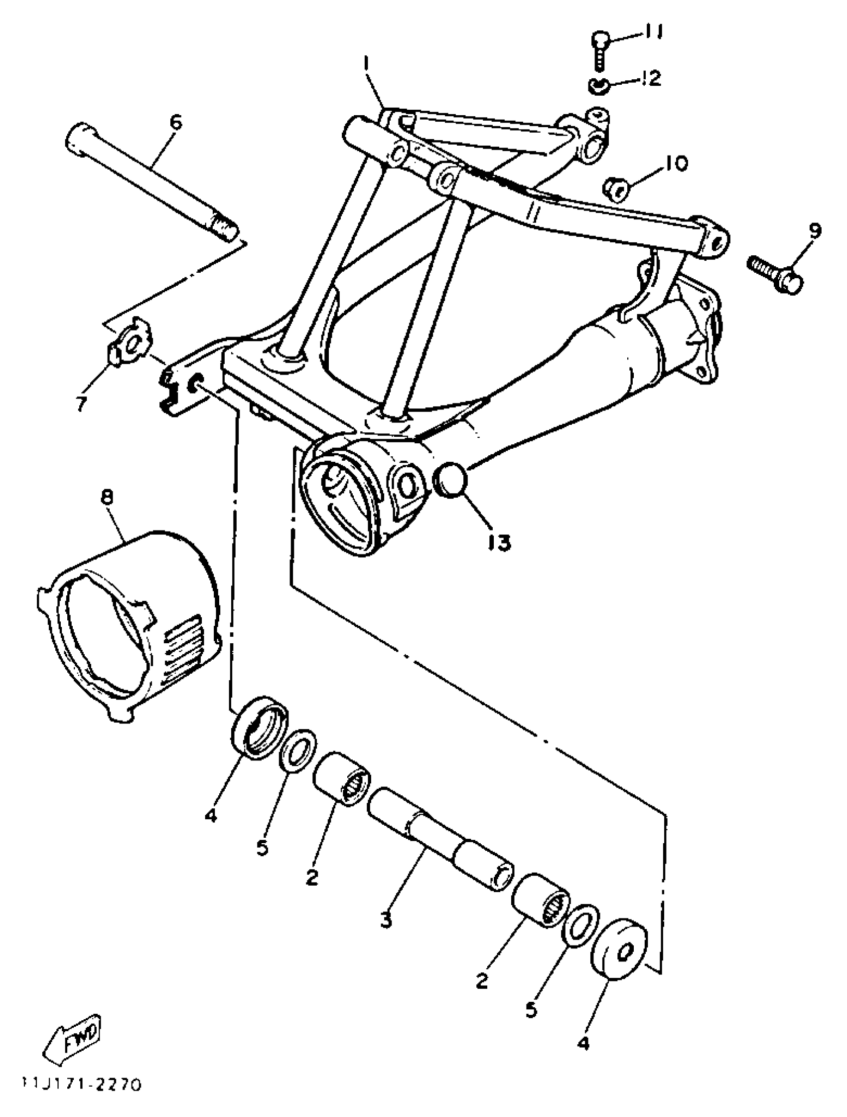
SWING ARM
Yamaha XZ550RK (XZ550RK) 1983 SWING ARM Diagram
#
Description
Price
1
REAR ARM COMP.
[11-H2211-00-13
Unavailable
5
WASHER, PLATE
90201-245A0-00
Unavailable
6
SHAFT, PIVOT
4X7-22141-00-00
Unavailable
7
WASHER, LOCK
90215-16181-00
Unavailable
8
BOOT, rubber
11H-22189-00-00
Unavailable
10
NUT
90179-10321-00
Unavailable
11
BOLT
97017-08035-00
Unavailable
13
PLUG (4X7)
90338-20113-00
Unavailable
