- Partiron
- OEM Parts
- Yamaha
- motorcycle
- 1983
- XZ550RK (XZ550RK) 1983
CARBURETOR
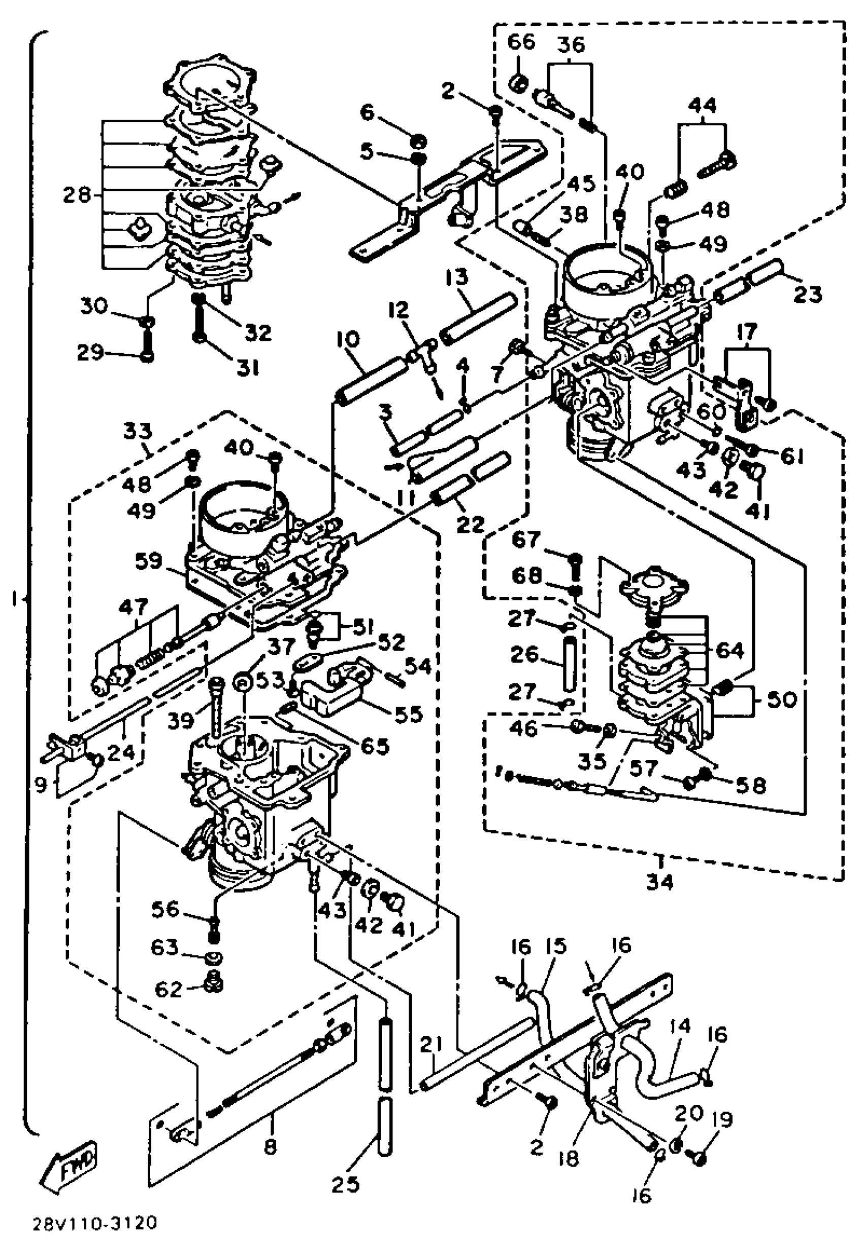
Yamaha XZ550RK (XZ550RK) 1983 CARBURETOR Diagram
#
1
CARBURETOR ASS''Y
[28-V1490-00-00
Unavailable
2
SCREW, PAN HEAD(62X)
97885-05010-00
Unavailable
3
. HOSE
[11-J1498-70-00
Unavailable
4
. CLIP
[14-X1493-70-00
Unavailable
7
. SCREW
[11-H1412-50-00
Unavailable
8
. ROD SET
[28-V1450-40-00
Unavailable
9
. STARTER LEVER SET, 2
11H-1490M-00-00
Unavailable
10
. HOSE
[28-W1498-70-00
Unavailable
11
. HOSE
[28-V1498-70-00
Unavailable
12
. PIPE, starter connecting
[28-V1498-80-00
Unavailable
13
. PIPE
[28-V1419-70-00
Unavailable
14
. PIPE
28W-14197-00-00
Unavailable
15
PIPE
(28V-14193-00-00)
Unavailable
16
CLIP
90467-100A1-00
Unavailable
17
. STARTER LEVER SET, 2
[11-J1490-M0-00
Unavailable
18
. BRACKET, throttle 1
[28-V1492-60-00
Unavailable
19
SCREW, PAN HEAD(62X)
97885-05010-00
Unavailable
21
. PIPE
[28-W1419-30-00
Unavailable
22
. PIPE
[14-X1419-30-00
Unavailable
23
. PIPE
[11-V1419-30-00
Unavailable
24
. SHAFT, starter lever
11H-14977-00-00
Unavailable
25
. PIPE
11H-14193-00-00
Unavailable
26
. PIPE
[28-V1419-60-00
Unavailable
27
. CLIP
28V-14919-00-00
Unavailable
28
. DIAPHRAGM SET, 4
11H-1490G-00-00
Unavailable
29
SCREW, PAN HEAD
98517-05030-00
Unavailable
31
SCREW, PAN
98507-05040-00
Unavailable
33
. CARBURETOR ASS''Y 1
[28-V1490-10-00
Unavailable
34
. CARBURETOR ASS''Y 2
[28-V1490-20-00
Unavailable
35
NUT(6L4)
95380-04700-00
Unavailable
36
.. PILOT SCREW SET
28V-14105-00-00
Unavailable
37
.. GASKET
11H-14198-00-00
Unavailable
38
SCREW
11H-14991-09-00
Unavailable
39
.. TUBE, emulsion
14X-14911-00-00
Unavailable
40
JET, MAIN (#140)
3G2-14231-28-00
Unavailable
41
. SCREW
1A8-14991-00-00
Unavailable
42
WASHER
256-14956-01-00
Unavailable
43
JET, MAIN (#130)
3G2-14231-26-A0
Unavailable
44
. THROTTLE SCREW SET
11H-14103-00-00
Unavailable
45
.. CAP
[14-X1416-90-00
Unavailable
46
.. SCREW
[14-X1412-50-00
Unavailable
47
STARTER SET
11H-1410A-00-00
Unavailable
48
SCREW, PAN HEAD(6B0)
97885-05016-00
Unavailable
50
.. DIAPHRAGM SET, 1
28V-1490A-00-00
Unavailable
51
.. NEEDLE VALVE SET
11H-14107-20-00
Unavailable
52
. PLATE
2H0-14146-00-00
Unavailable
53
SCREW,PAN HEAD
98501-04006-00
Unavailable
54
PIN, FLOAT
537-14186-00-00
Unavailable
55
.. FLOAT
28V-14985-00-00
Unavailable
56
.. JET, pilot (#600)
4G0-14142-60-A0
Unavailable
57
SCREW, PAN HEAD
98511-04012-00
Unavailable
58
YBS67-4 WASHER, SPRING
92990-04100-00
Unavailable
59
.. GASKET, FLOAT CHAMBER
28V-14984-00-00
Unavailable
60
O-RING
214-14147-00-00
Unavailable
61
SCREW
2L1-14191-00-00
Unavailable
62
.. SCREW
2F1-14991-00-00
Unavailable
63
.. WASHER, PLUG SCREW
584-14956-00-00
Unavailable
64
.. DIAPHRAGM SET, 2
28V-1490E-00-00
Unavailable
65
. SCREW
11V-14991-00-00
Unavailable
66
.. PLUG (28V-14991-00)
28V-14991-90-00
Unavailable
67
SCREW, PAN HEAD
98517-04020-00
Unavailable
68
YBS67-4 WASHER, SPRING
92990-04100-00
Unavailable
