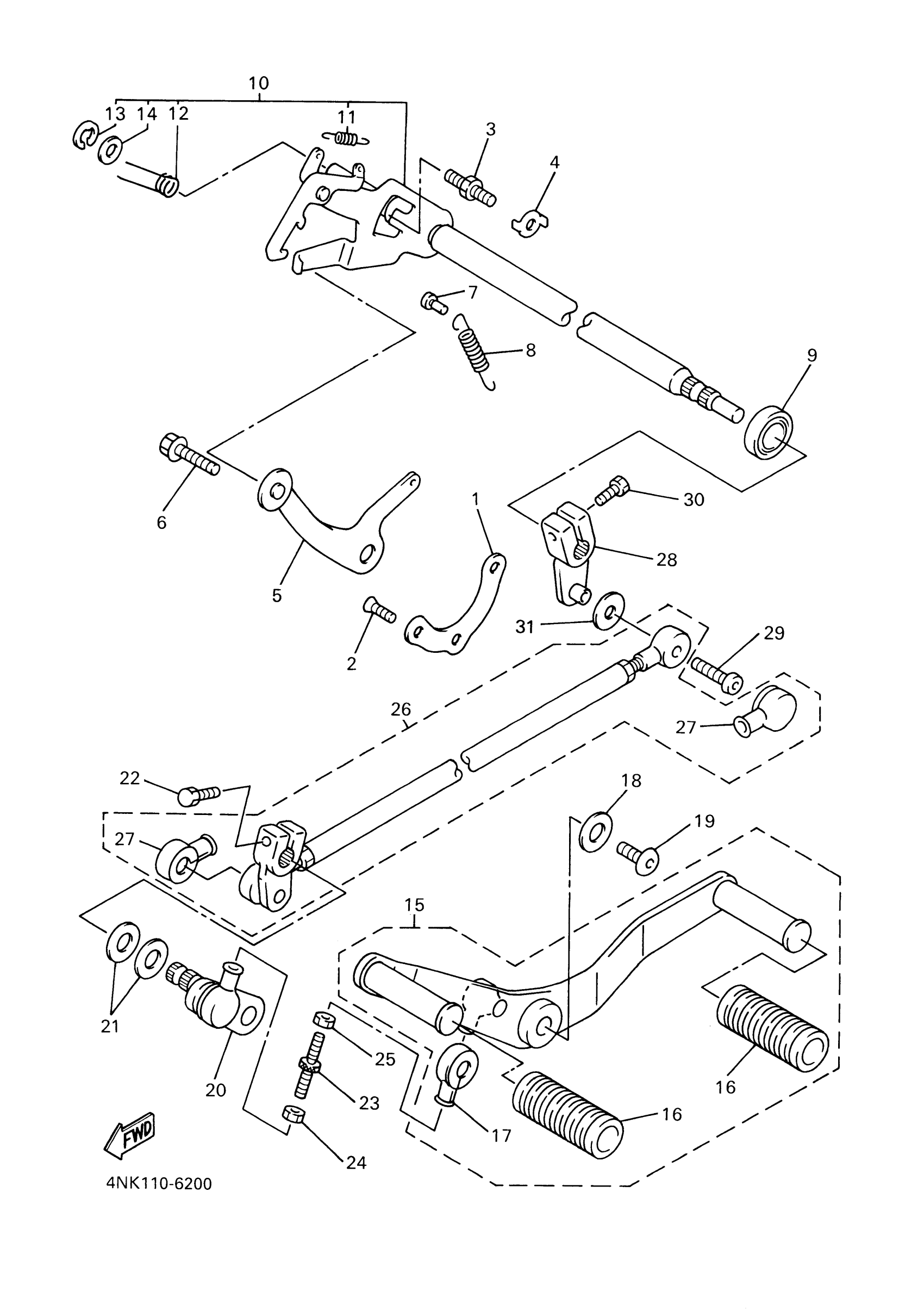
Yamaha XVZ13TFVC (ROYAL STAR VENTURE CA) 2C95 2006 SHIFT SHAFT Diagram
#
Description
Price
1
STOPPER, SHIFT BAR
26H-18536-00-00
Unavailable
5
STOPPER LEVER ASSY
26H-18140-02-00
Unavailable
10
SHIFT SHAFT ASSY
4NK-18101-01-00
Unavailable
12
SPRING, TORSION (26H)
90508-32588-00
Unavailable
15
SHIFT PEDAL ASSY
4XY-18110-00-00
Unavailable
16
COVER, SHIFT PEDAL
4NK-18113-10-00
Unavailable
17
COVER, DUST
2H9-18154-00-00
Unavailable
18
WASHER, PLATE (J10)
90201-06697-00
Unavailable
19
SCREW(3LD)
90149-06280-00
Unavailable
20
SHAFT
4NK-18197-01-00
Unavailable
21
WASHER, PLATE (5K7)
90201-124E4-00
Unavailable
22
BOLT(3DM)
97024-06020-00
Unavailable
23
ROD, SHIFT
4NK-18115-00-00
Unavailable
24
NUT(650)
95380-06700-00
Unavailable
25
NUT (2H9)
90170-06228-00
Unavailable
26
SHIFT LEVER ASSY
4NK-18150-02-00
Unavailable
27
COVER, DUST
2H9-18154-00-00
Unavailable
28
LEVER, SHIFT 3
4NK-18151-01-00
Unavailable
29
SCREW
90149-06182-00
Unavailable
30
BOLT, HEXAGON
97017-06020-00
Unavailable
31
WASHER, PLATE
90201-06104-00
Unavailable
