- Partiron
- OEM Parts
- Yamaha
- motorcycle
- 1987
- XVZ13TC (VENTURE CA) 1987
OIL FILTER
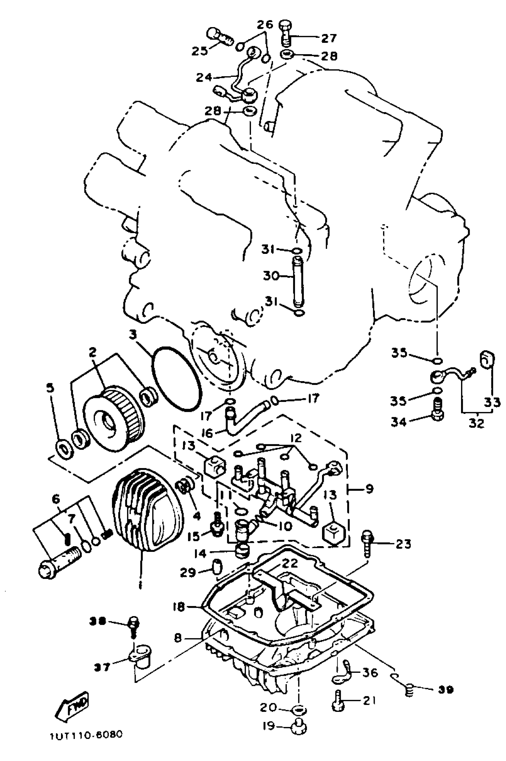
Yamaha XVZ13TC (VENTURE CA) 1987 OIL FILTER Diagram
#
Description
Price
1
COVER, OIL ELEMENT (26H-13447-00)
26H-13447-01-00
Unavailable
6
BY-PASS VALVE ASSEMBLY
2H7-13340-00-00
Unavailable
8
COVER, STRAINER
26H-13417-01-00
Unavailable
9
DELIVERY PIPE ASS'Y
26H-Y1319-10-00
Unavailable
14
GROMMET
26H-15366-01-00
Unavailable
16
PIPE, DELIVERY 1
26H-13161-00-00
Unavailable
17
O-RING (26H)
93210-14579-00
Unavailable
18
GASKET, STRAINER COVER
3JP-13414-01-00
Unavailable
19
PLUG, STRAIGHT SCREW(3FA)
90340-14132-00
Unavailable
20
GASKET
214-11198-01-00
Unavailable
21
BOLT, HEXAGON SOCKET HEAD(1VJ)
90110-06138-00
Unavailable
22
PLATE, BAFFLE LOWER
26H-13337-01-00
Unavailable
24
PIPE, DELIVERY 3
26H-13181-03-00
Unavailable
25
BOLT, UNION
90401-08006-00
Unavailable
26
WASHER, PLATE 3411117500
90201-08087-00
Unavailable
27
BOLT, UNION(1FK)
90401-10108-00
Unavailable
28
WASHER PLATE 341839090000
90201-10128-00
Unavailable
29
PIN, DOWEL(3XW)
91808-16023-00
Unavailable
30
PIPE, DELIVERY 2
26H-13171-00-00
Unavailable
32
PIPE, OIL 1
26H-13416-01-00
Unavailable
33
GASKET
26H-13476-00-00
Unavailable
34
BOLT, UNION (26H)
90401-08093-00
Unavailable
35
WASHER, PLATE 3411117500
90201-08087-00
Unavailable
36
CLAMP(4MX)
90465-06376-00
Unavailable
37
STAY
1FK-13151-00-00
Unavailable
39
CLAMP
90465-23286-00
Unavailable
