Yamaha XVZ13LTKC (ROYAL STAR TOUR DELUXE CA) 4YE6 1998 FRAME Diagram
#
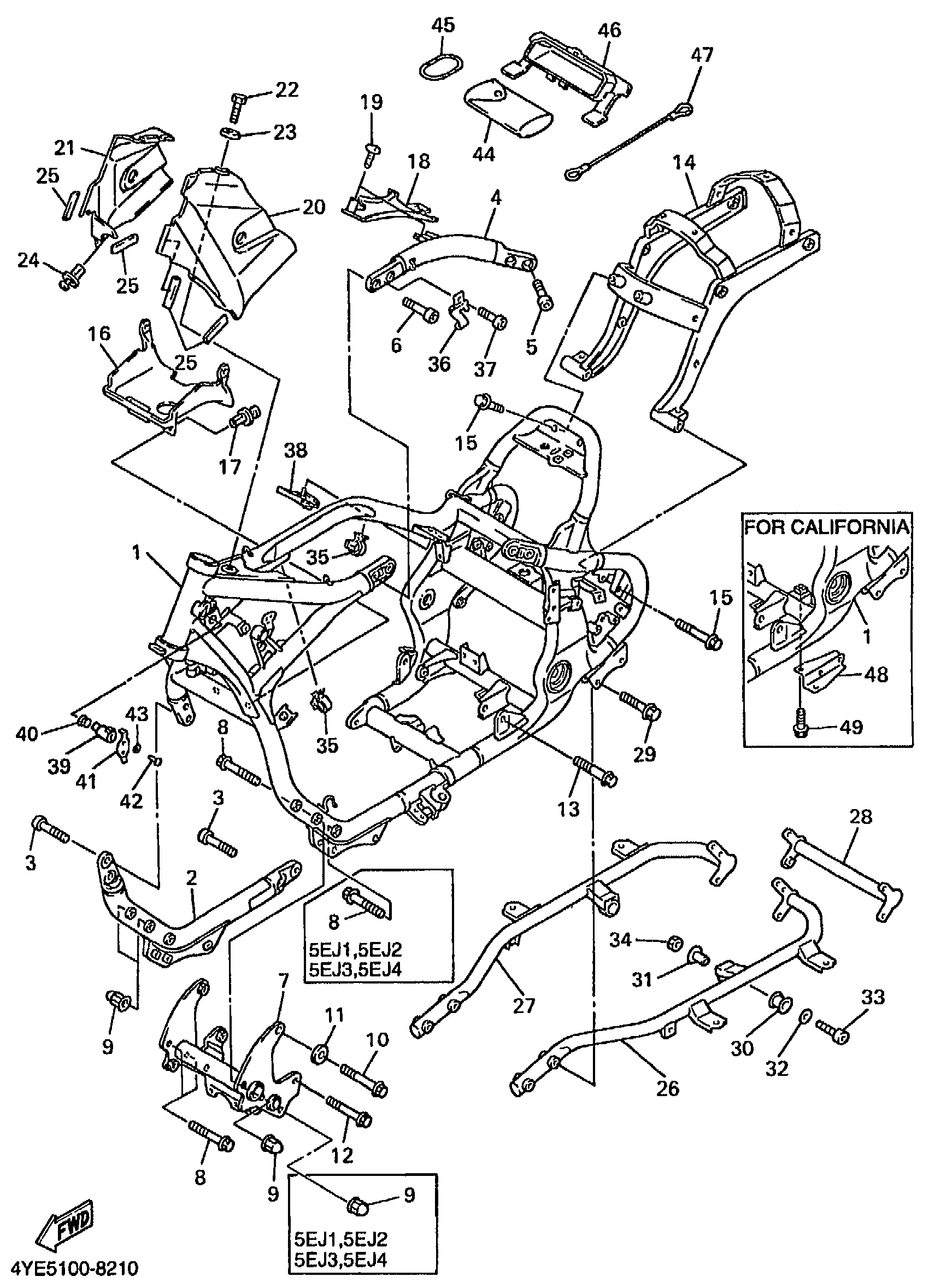
1
FRAME COMP.
4YE-21110-00-33
Unavailable
1
FRAME COMP.
4YE-21110-10-33
Unavailable
2
DOWN TUBE COMP. 2
4NK-21150-00-33
Unavailable
4
FRAME, REAR
4NK-21120-00-33
Unavailable
7
CROSS BAR COMPLETE
4NK-2141V-00-00
Unavailable
8
BOLT, FLANGE(7LU)
95817-10070-00
Unavailable
8
BOLT, FLANGE(7LU)
95817-10070-00
Unavailable
11
WASHER(4NK)
90209-12341-00
Unavailable
13
BOLT, WASHER BASED (26H)
90105-12252-00
Unavailable
14
REAR FRAME COMP.
4XY-21190-02-00
Unavailable
15
BOLT, FLANGE
95817-10035-00
Unavailable
16
REAR FRAME COMP.
4XY-21190-02-00
Unavailable
17
RIVET(52W)
90269-05049-00
Unavailable
18
COVER 2
4NK-2117M-01-00
Unavailable
19
SCREW, TRUSS TAP.
97707-60016-00
Unavailable
20
COVER, SIDE 5
4NK-2171E-00-33
Unavailable
21
COVER, SIDE 6
4NK-2171X-00-33
Unavailable
22
BOLT(4TW)
97017-05016-00
Unavailable
23
WASHER
90209-06012-00
Unavailable
24
RIVET(4JH)
90269-07076-00
Unavailable
25
DAMPER, PLATE 2
1LJ-2414J-00-00
Unavailable
26
STAY, MUFFLER 1
4YE-21445-00-00
Unavailable
27
STAY, MUFFLER 2
4YE-21446-00-00
Unavailable
28
STAY, MUFFLER 3
4YE-2144F-01-00
Unavailable
29
BOLT, WASHER BASED(36Y)
90105-08310-00
Unavailable
30
DAMPER, FOOTREST 2
36Y-27424-01-00
Unavailable
31
COLLAR
90387-10048-00
Unavailable
32
WASHER, PLATE (4X7)
90201-105A2-00
Unavailable
33
BOLT, SOCKET
91317-10045-00
Unavailable
34
NUT(6TD)
95337-10600-00
Unavailable
35
CLAMP(4GY)
90464-20191-00
Unavailable
36
CLAMP
4NK-82594-00-00
Unavailable
37
BOLT,SOCKET
91317-06010-00
Unavailable
38
CLAMP
4NK-82594-00-00
Unavailable
39
STEERING LOCK ASSY
2A6-23408-00-00
Unavailable
40
SPRING, CONICAL (1E6)
90502-09024-00
Unavailable
41
CAP, HANDLE LOCK
584-23484-01-00
Unavailable
42
RIVET 214234830000
90269-04003-00
Unavailable
43
WASHER, CONICAL SPRING (3J3)
90208-04029-00
Unavailable
44
TOOL KIT
4NK-28100-00-00
Unavailable
45
O-RING (4X7)
93210-62446-00
Unavailable
46
BOX, TOOL
4NK-28173-00-00
Unavailable
47
HANGER, HELMET
4YE-21398-00-00
Unavailable
48
BRACKET, CANISTER
4NK-2134X-00-00
Unavailable
49
BOLT, FLANGE
95817-06012-00
Unavailable
