Yamaha XVZ13DWC (VENTURE ROYALE CA) 1989 SWING ARM Diagram
#
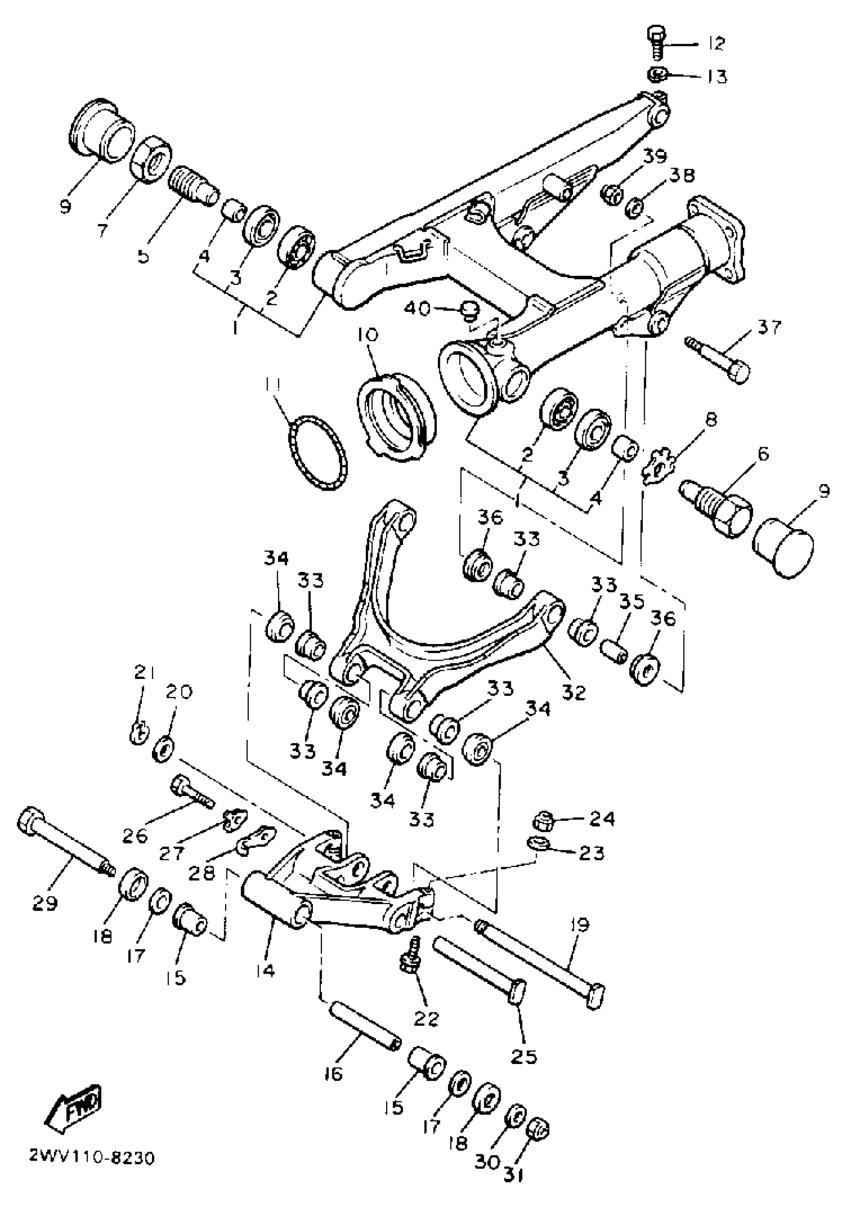
1
REAR ARM COMP
2WR-W2211-00-35
Unavailable
2
BEARING (26H)
93332-00051-00
Unavailable
2
BEARING (26H)
93332-00051-00
Unavailable
5
SHAFT, PIVOT 2
4NK-2214H-00-00
Unavailable
6
SHAFT, PIVOT
4NK-22141-09-00
Unavailable
7
NUT
26H-22143-00-00
Unavailable
8
WASHER, lock
90215-25216-00
Unavailable
9
PLUG, blind
26H-21279-00-00
Unavailable
10
BOOT, RUBBER
26H-22189-00-00
Unavailable
12
BOLT
97017-08035-00
Unavailable
14
ARM, RELAY
(2WR-2217A-00-00)
Unavailable
15
BUSH, solid
90381-20069-00
Unavailable
16
COLLAR
90387-144H4-00
Unavailable
17
WASHER, plate
90202-20144-00
Unavailable
18
COVER, thrust 1
26H-22128-00-00
Unavailable
19
SHAFT 1
2WR-22121-00-00
Unavailable
20
WASHER, PLATE(36Y)
90201-187H4-00
Unavailable
21
CIRCLIP(13H)
99009-18400-00
Unavailable
22
BOLT, FLANGE
95817-06045-00
Unavailable
23
WASHER, PLAIN (646)
92990-06600-00
Unavailable
24
NUT, SELF-LOCKING
95617-06100-00
Unavailable
25
SHAFT 2
2WR-22122-00-00
Unavailable
26
BOLT, HEXAGON
97017-10050-00
Unavailable
27
WASHER, lock
90215-10274-00
Unavailable
28
CLAMP
90465-16320-00
Unavailable
29
BOLT
90101-12578-00
Unavailable
30
WASHER, PLATE
90201-12027-00
Unavailable
31
NUT, SELF LOCKING (23X)
90185-12119-00
Unavailable
32
ARM 1
99999-02759-00
Unavailable
33
BUSH, SOLID(2WR)
90381-18068-00
Unavailable
34
COVER, dust
26H-2217H-00-00
Unavailable
35
COLLAR
90387-124H1-00
Unavailable
36
COVER, THRUST 2
26H-22129-00-00
Unavailable
37
BOLT
90109-10720-00
Unavailable
38
WASHER, PLATE (17K)
90201-106F2-00
Unavailable
39
NUT, U
90185-10037-00
Unavailable
40
PLUG (4X7)
90338-20113-00
Unavailable
