- Partiron
- OEM Parts
- Yamaha
- motorcycle
- 1989
- XVZ13DWC (VENTURE ROYALE CA) 1989
HANDLE SWITCH LEVER
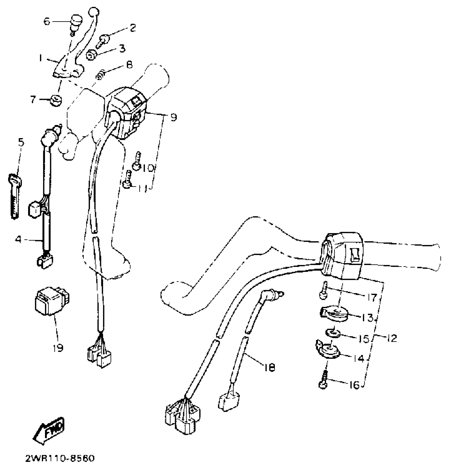
Yamaha XVZ13DWC (VENTURE ROYALE CA) 1989 HANDLE SWITCH LEVER Diagram
#
Description
Price
1
LEVER 2 (26H-83922-01)
26H-83922-10-00
Unavailable
4
FRONT STOP SWITCH ASSY (2WR-83980-00)
2WR-83980-01-00
Unavailable
8
SPRING, COMPRESSION (2H7)
90501-10510-00
Unavailable
9
SWITCH, HANDLE 4
1NL-83972-50-00
Unavailable
11
. SCREW, PAN HEAD
98506-05060-00
Unavailable
12
SWITCH, HANDLE 4
1NL-83972-00-00
Unavailable
13
COVER, STARTER
10M-83942-00-00
Unavailable
14
LEVER, STARTER
10M-83941-00-00
Unavailable
16
SCREW, PAN
98517-06008-00
Unavailable
17
SCREW, PAN
98507-05035-00
Unavailable
18
SWITCH (41V-82917-00)
41V-82917-01-00
Unavailable
19
RELAY ASSY
25G-81950-02-00
Unavailable
