- Partiron
- OEM Parts
- Yamaha
- motorcycle
- 1988
- XVZ13DUC (VENTURE ROYALE CA) 1988
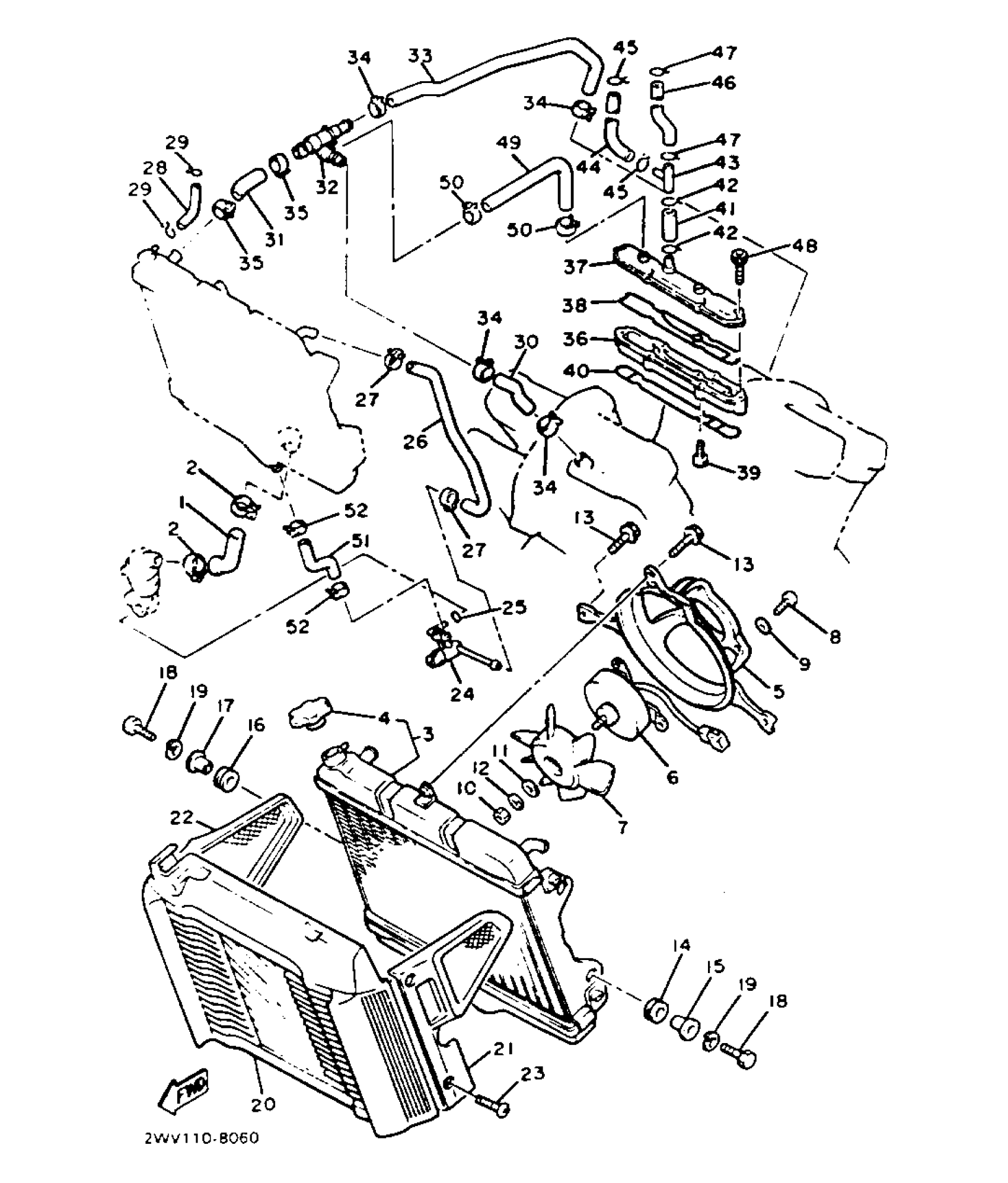
RADIATOR HOSE
Yamaha XVZ13DUC (VENTURE ROYALE CA) 1988 RADIATOR HOSE Diagram
#
1
HOSE 3
26H-12578-00-00
Unavailable
3
RADIATOR ASY
26H-12461-01-00
Unavailable
5
AIR SHROUD ASS'Y
26H-12620-00-00
Unavailable
6
MOTOR ASSY
26H-12630-00-00
Unavailable
8
SCREW, PAN HEAD(62X)
97885-05010-00
Unavailable
11
WASHER
11H-12673-00-00
Unavailable
12
WASHER, TOOTH
92990-05300-00
Unavailable
16
GROMMET (4L0)
90480-19283-00
Unavailable
17
COLLAR(735)
90387-06033-00
Unavailable
18
BOLT, HEXAGON
97017-06020-00
Unavailable
19
WASHER, SPRING
92907-06100-00
Unavailable
20
COVER 3
26H-1246F-01-00
Unavailable
21
COVER 4
26H-1246G-01-00
Unavailable
22
COVER 5
26H-1246H-01-00
Unavailable
23
SCREW, BINDING(3XV)
90154-05059-00
Unavailable
24
DRAIN COCK ASS'Y
26H-12560-00-00
Unavailable
25
O-RING (26H)
93210-14579-00
Unavailable
26
PIPE, BYPASS
26H-12566-01-00
Unavailable
27
BAND (MADE IN CANADA)
90460-15227-00
Unavailable
28
HOSE (L420)
90445-092K1-00
Unavailable
29
CLIP 101235600
90467-08003-00
Unavailable
30
HOSE 1
26H-12576-01-00
Unavailable
31
HOSE 4
26H-12579-01-00
Unavailable
32
JOINT
1NL-12479-01-00
Unavailable
33
HOSE 2
26H-12577-01-00
Unavailable
34
CLIP (10V)
90467-23067-00
Unavailable
36
COVER 1
26H-1246A-03-00
Unavailable
37
COVER 2
26H-1246E-03-00
Unavailable
38
GASKET, HOUSING COVER 2
26H-12428-00-00
Unavailable
39
BOLT, SOCKET
91314-06016-00
Unavailable
40
GASKET, HOUSING COVER 1
26H-12427-00-00
Unavailable
41
HOSE (L60)
90445-16641-00
Unavailable
42
CLIP (371)
90467-14015-00
Unavailable
43
WAY 3
90413-12017-00
Unavailable
44
HOSE (L370)
90445-112E1-00
Unavailable
45
CLIP(1JH)
90467-11106-00
Unavailable
46
PIPE, BREATHER 1
47G-11166-00-00
Unavailable
47
CLIP (371)
90467-14015-00
Unavailable
48
BOLT, SOCKET
91314-06040-00
Unavailable
49
HOSE 6
26H-12589-00-00
Unavailable
50
CLIP(3BM)
90467-10135-00
Unavailable
51
HOSE 5
26H-12588-01-00
Unavailable
52
BAND (MADE IN CANADA)
90460-15227-00
Unavailable
