Partiron

Yamaha XVZ13DBC (VENTURE ROYALE CA) 1991 STARTING MOTOR Diagram

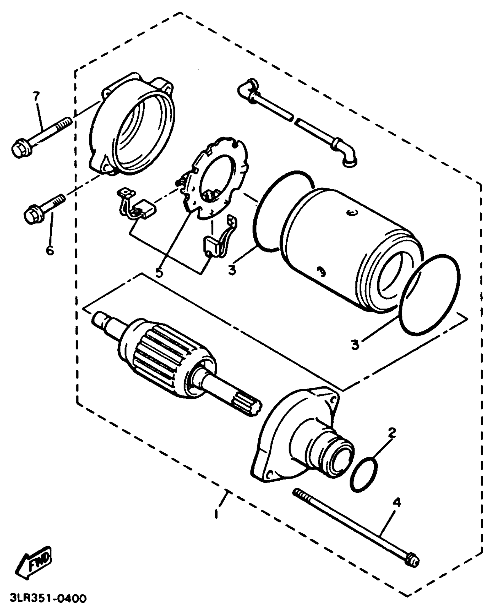
#

Description
Price

1

STARTING MOTOR ASY

26H-81890-00-00

Unavailable

2

O-RING (437)

93210-24235-00

$7.49

3

GASKET

35C-81844-00-00

Unavailable

4

BOLT

3AJ-81826-00-00

$25.99

5

BRUSH SET

3AJ-81801-00-00

$116.99

6

BOLT, FLANGE

95822-06025-00

$1.75

7

BOLT, FLANGE

95817-06055-00

$7.49