Partiron

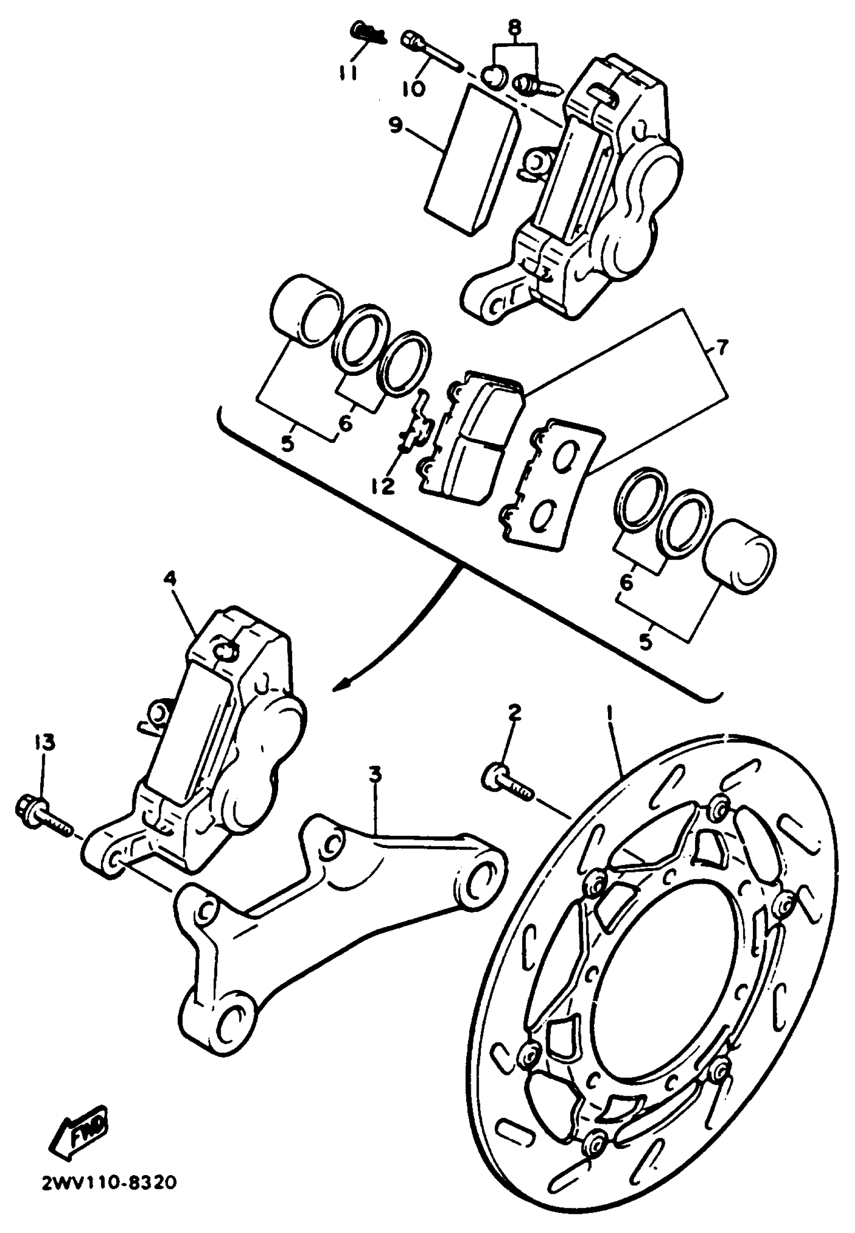
Yamaha XVZ13DBC (VENTURE ROYALE CA) 1991 REAR BRAKE CALIPER Diagram

#

Description
Price

1

DISK BRAKE ASS''Y (1NL-25830-51-00)

1NL-25830-52-00

Unavailable

2

BOLT,HEX. SOCKET BUTTON

90111-08084-00

$5.60

3

BRKT,CLPR

1NL-25819-01-00

Unavailable

4

CALIPER ASY

1NL-25810-53-00

Unavailable

5

PISTON ASSY, CALIPER

1KT-25802-00-00

$193.99

6

CALIPER SEAL KIT

1KT-25803-00-00

$58.99

7

. BRAKE PAD KIT

1NL-W0045-01-00

Unavailable

8

BLEED SCREW KIT

1J3-W0048-00-00

Unavailable

9

COVER, DUST

1KT-25836-01-00

$17.49

10

PIN, PAD

3HE-25924-00-00

Unavailable

11

CLIP, PAD PIN

3GM-25925-00-00

$11.99

12

SUPPORT, PAD

2GH-25919-00-00

Unavailable

13

BOLT, WASHER BASED(3VD)

90105-10638-00

$7.49