- Partiron
- OEM Parts
- Yamaha
- motorcycle
- 2006
- XVZ13CTMVC (ROYAL STAR MIDNIGHT TOUR DELUXE CA) 1D68 2006
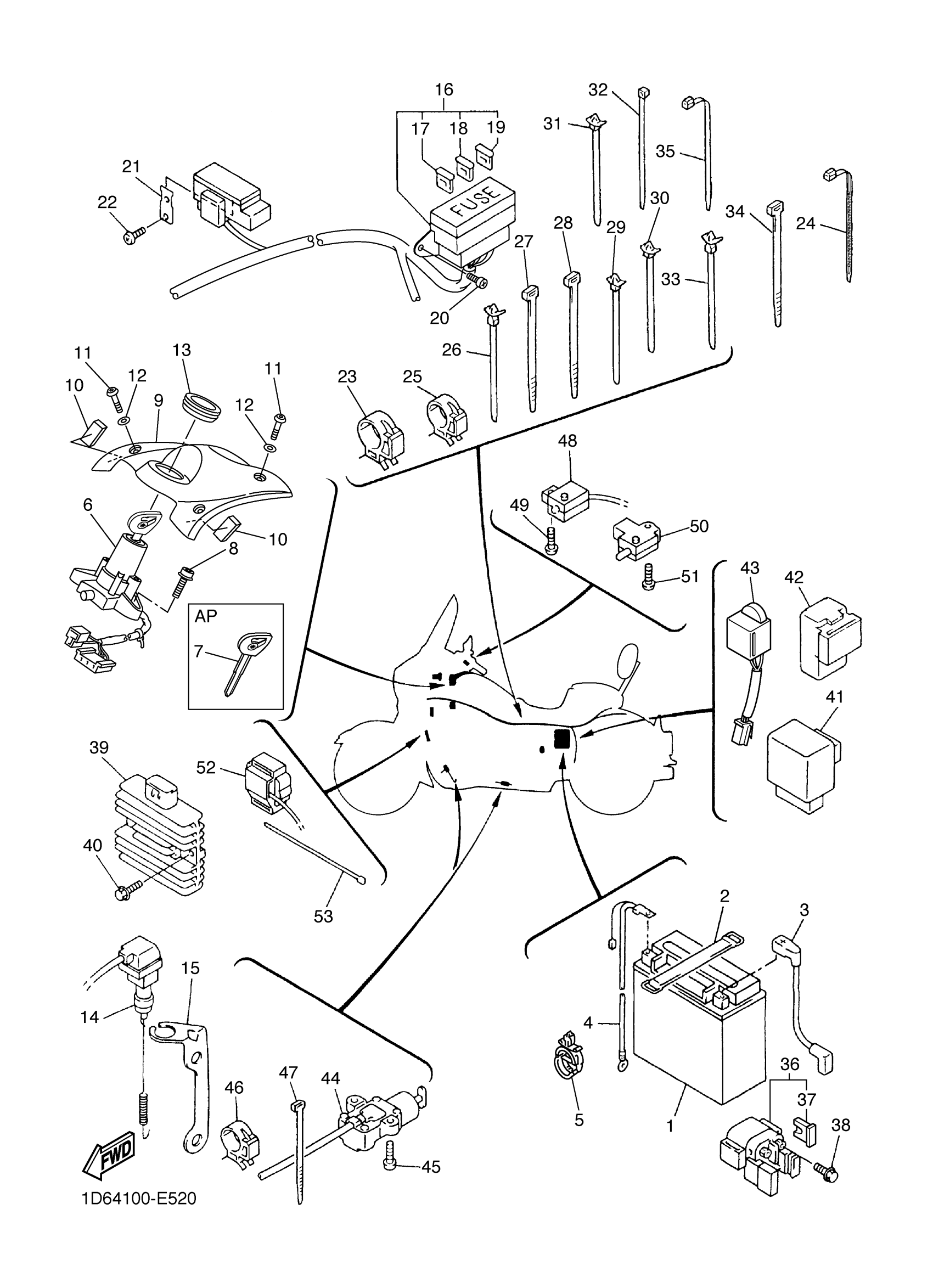
ELECTRICAL 1
Yamaha XVZ13CTMVC (ROYAL STAR MIDNIGHT TOUR DELUXE CA) 1D68 2006 ELECTRICAL 1 Diagram
#
1
BATTERY ASSY (YUASA YTX20L-BS)
YTX-20LBS-00-00
Unavailable
4
WIRE, MINUS LEAD
1D6-82116-00-00
Unavailable
9
COVER, SWITCH
1D6-8291G-00-00
Unavailable
10
DAMPER
1D6-82176-00-00
Unavailable
13
GROMMET
4XY-82545-01-00
Unavailable
15
STAY, STOP SWITCH
4XY-82539-00-00
Unavailable
16
WIRE HARNESS ASSY
1D6-82590-00-00
Unavailable
17
FUSE (10A)
42X-82151-00-00
Unavailable
18
FUSE (12V 15A)
36Y-82151-00-00
Unavailable
19
FUSE
1NL-82151-00-00
Unavailable
20
SCREW, BINDING
98907-06012-00
Unavailable
21
STAY, RELAY
4XY-81953-00-00
Unavailable
22
SCREW, TAPPING(4MV)
97707-50016-00
Unavailable
23
CLAMP(4KM)
90464-25217-00
Unavailable
24
CLAMP(4FM)
90464-15195-00
Unavailable
25
CLAMP(4GY)
90464-20191-00
Unavailable
26
CLAMP(2TV)
90464-10112-00
Unavailable
27
BAND
1UA-82591-00-00
Unavailable
28
CLAMP(3XW)
90464-35132-00
Unavailable
29
CLAMP(2TV)
90464-10112-00
Unavailable
30
CLAMP(2TV)
90464-10112-00
Unavailable
31
CLAMP(2TV)
90464-10112-00
Unavailable
32
CLAMP
90464-16061-00
Unavailable
33
CLAMP(2TV)
90464-10112-00
Unavailable
34
BAND
1UA-82591-00-00
Unavailable
35
CLAMP
90464-13077-00
Unavailable
36
STARTER RELAY ASSY (RC19-005)
4BH-81940-02-00
Unavailable
37
FUSE (12V 30A)
1AE-82151-00-00
Unavailable
38
BOLT, SMALL FLANGE
95027-06008-00
Unavailable
39
RECTIFIER & REGULATOR ASSY
4XY-81960-00-00
Unavailable
40
BOLT, FLANGE
95817-06020-00
Unavailable
41
RELAY ASSY
5KS-81950-02-00
Unavailable
42
RELAY ASSY (1UY-92)
1UY-81950-92-00
Unavailable
43
THERMO SWITCH ASSY
5FU-82560-60-00
Unavailable
44
SWITCH, SIDE STAND
5RT-82566-51-00
Unavailable
45
SCREW, PAN HEAD
98507-05014-00
Unavailable
46
CLAMP(4GY)
90464-10190-00
Unavailable
47
BAND
1UA-82591-00-00
Unavailable
48
FRONT STOP SWITCH ASSY
1D6-83980-00-00
Unavailable
49
SCREW, BINDING
98907-04014-00
Unavailable
50
SWITCH
4XY-82917-00-00
Unavailable
51
SCREW, BINDING
98907-04025-00
Unavailable
52
EMERGENCY STOP SWITCH ASSY
4BH-82576-01-00
Unavailable
53
CLAMP
90464-16061-00
Unavailable
