- Partiron
- OEM Parts
- Yamaha
- motorcycle
- 1999
- XVZ13ATLC (ROYAL STAR TOUR CLASSIC CA) 5EJ6 1999
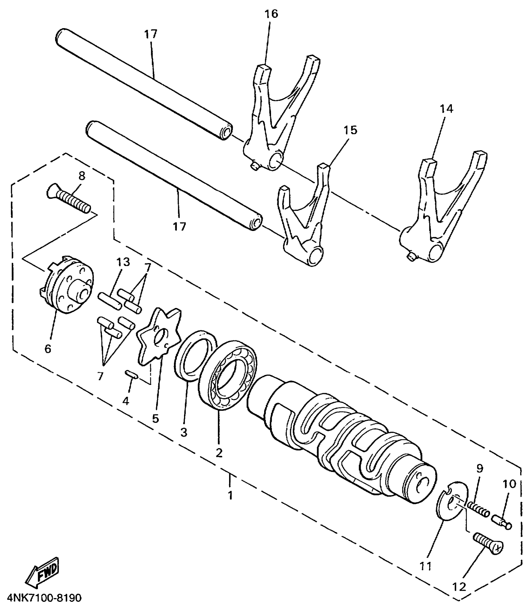
SHIFT CAM FORK
Yamaha XVZ13ATLC (ROYAL STAR TOUR CLASSIC CA) 5EJ6 1999 SHIFT CAM FORK Diagram
#
Description
Price
1
SHIFT CAM ASSY
4NK-18540-03-00
Unavailable
3
SPACER (26H)
90560-30234-00
Unavailable
4
PIN (2H7)
93603-10049-00
Unavailable
5
PLATE, STOPPER
4NK-18141-00-00
Unavailable
6
SEGMENT
4NK-18185-00-00
Unavailable
14
FORK, SHIFT 1
4NK-18511-00-00
Unavailable
15
FORK, SHIFT 2
4NK-18512-00-00
Unavailable
16
FORK, SHIFT 3
4NK-18513-00-00
Unavailable
17
BAR, SHIFT FORK GUIDE 1
4NK-18531-00-00
Unavailable
