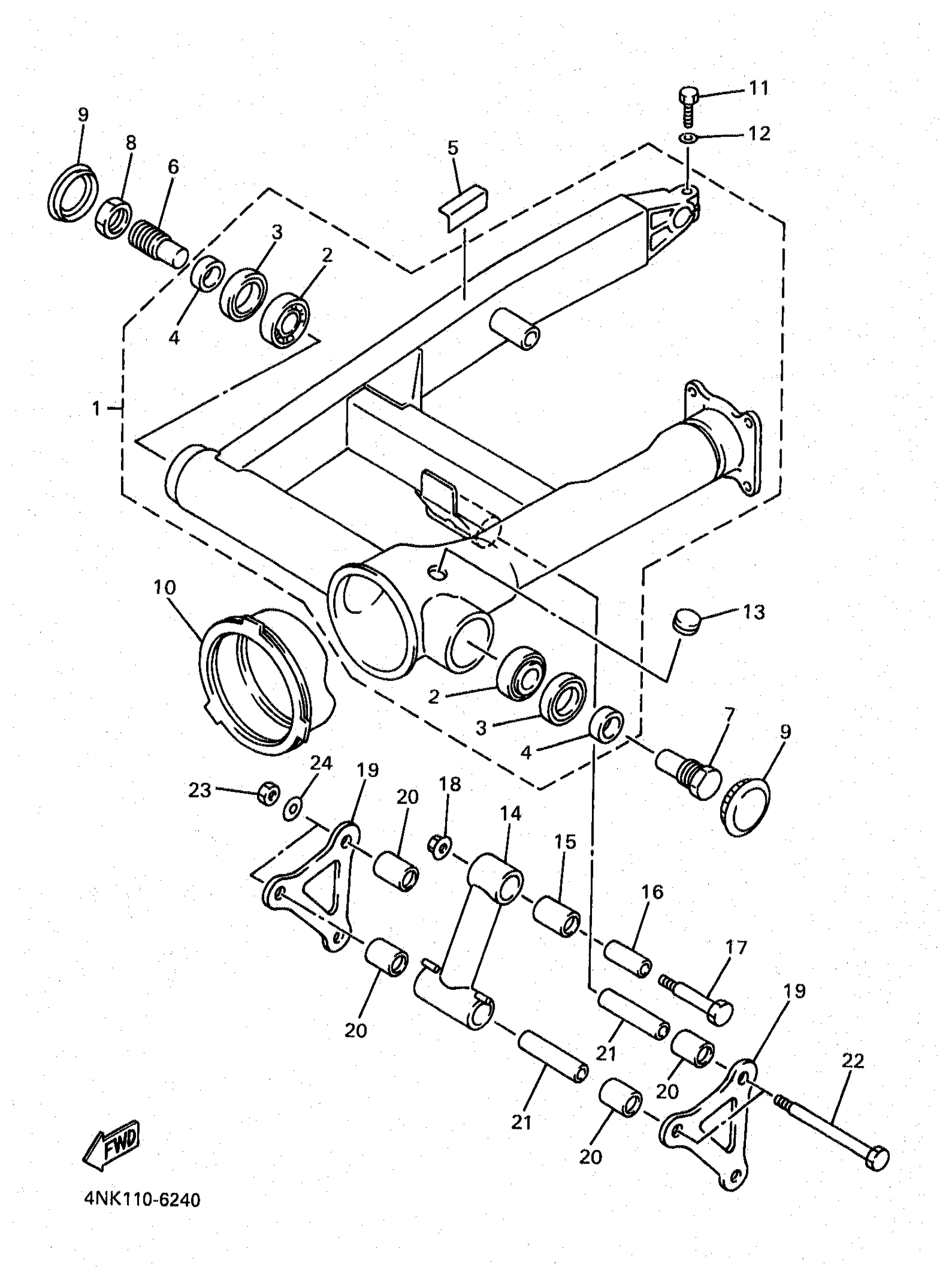
Yamaha XVZ13AKC (ROYAL STAR CA) 1998 REAR ARM Diagram
#
Description
Price
1
REAR ARM COMP.
4NK-W2211-00-35
Unavailable
2
BEARING (26H)
93332-00051-00
Unavailable
2
BEARING (26H)
93332-00051-00
Unavailable
6
SHAFT, PIVOT 2
4NK-2214H-00-00
Unavailable
7
SHAFT, PIVOT
4NK-22141-09-00
Unavailable
8
NUT
26H-22143-00-00
Unavailable
10
BOOT, RUBBER
26H-22189-00-00
Unavailable
12
.. WASHER, PLATE
92990-08600-00
Unavailable
13
PLUG (4X7)
90338-20113-00
Unavailable
14
ARM, RELAY
4NK-2217A-00-00
Unavailable
15
BEARING, CYLINDRICAL(2GH)
93317-42060-00
Unavailable
16
COLLAR (34L)
90387-122J6-00
Unavailable
17
BOLT(2AL)
90109-104E4-00
Unavailable
18
NUT, SELF-LOCKING(JN5)
95607-10200-00
Unavailable
19
ARM 1
4NK-2217M-00-00
Unavailable
20
BEARING, CYLINDRICAL(2GH)
93317-41761-00
Unavailable
21
COLLAR(4BH)
90387-126Y1-00
Unavailable
22
BOLT(4BH)
90101-12749-00
Unavailable
23
NUT, SELF LOCKING (23X)
90185-12119-00
Unavailable
24
WASHER, PLATE (4N0)
90201-126A7-00
Unavailable
