- Partiron
- OEM Parts
- Yamaha
- motorcycle
- 2000
- XVZ1300LTMC (ROYAL STAR TOUR DELUXE CA) 4YEE 2000
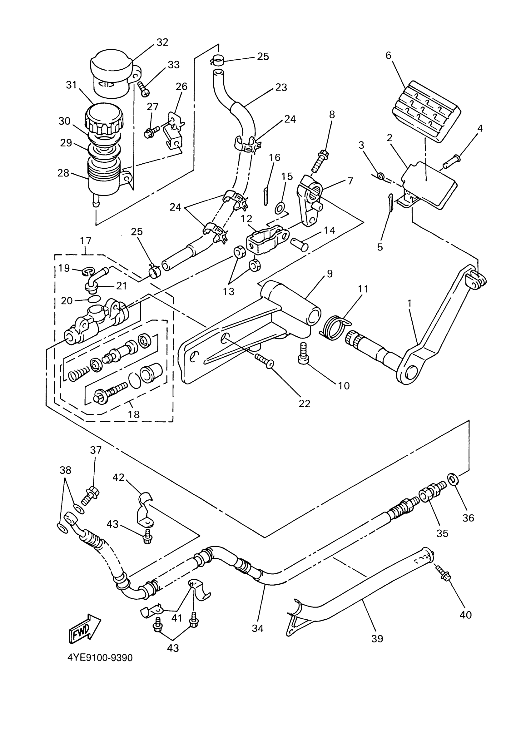
REAR MASTER CYLINDER
Yamaha XVZ1300LTMC (ROYAL STAR TOUR DELUXE CA) 4YEE 2000 REAR MASTER CYLINDER Diagram
#
1
PEDAL, BRAKE
4NK-27211-00-00
Unavailable
2
PEDAL, BRAKE
4NK-27242-00-00
Unavailable
6
CAP
4NK-27285-00-00
Unavailable
7
LEVER
4NK-27262-00-00
Unavailable
9
BRACKET 4
4NK-2741L-01-00
Unavailable
11
SPRING, SIDE STAND
4NK-27316-00-00
Unavailable
16
PIN, COTTER
91490-16020-00
Unavailable
17
RR. MASTER CYLINDER ASSY.
4NK-2583V-00-00
Unavailable
18
CYLINDER KIT, MASTER
1FK-W0042-50-00
Unavailable
19
CIRCLIP
2VN-25866-00-00
Unavailable
20
O-RING (22U)
93210-15566-00
Unavailable
21
CONNECTER
3LD-2582A-00-00
Unavailable
22
BOLT, BUTTON
92014-08020-00
Unavailable
23
HOSE, RESERVOIR
4NK-25895-00-00
Unavailable
24
CLAMP(4GY)
90464-20191-00
Unavailable
25
CLIP (5K4)
90467-14057-00
Unavailable
26
BRACKET, RESERVE TANK
4NK-21228-00-00
Unavailable
27
BOLT, FLANGE(4MY)
95027-06010-00
Unavailable
28
TANK, RESERVOIR
31A-25894-01-00
Unavailable
29
DIAPHRAGM, RESERVER
360-25854-01-00
Unavailable
30
BUSH,DIAPHRAGM
2GU-25855-00-00
Unavailable
31
CAP, RESERVOIR
2KF-25852-50-00
Unavailable
32
COVER, RESERVOIR TANK
4NK-25888-00-00
Unavailable
33
BOLT, BUTTON
92014-06016-00
Unavailable
34
HOSE, BRAKE 4
4NK-2581J-02-00
Unavailable
35
JOINT
3LC-25885-00-00
Unavailable
36
WASHER, PLATE(481)
90201-10118-00
Unavailable
37
BOLT, UNION(3GM)
90401-10159-00
Unavailable
38
WASHER, PLATE(481)
90201-10118-00
Unavailable
39
HOLDER, BRAKE HOSE
4NK-25887-00-00
Unavailable
40
BOLT, FLANGE(2UJ)
95024-06012-00
Unavailable
41
HOLDER, BRAKE HOSE 2
3XV-25876-00-00
Unavailable
42
HOLDER, BRAKE HOSE 2
4NK-25876-00-00
Unavailable
43
BOLT, WASHER BASED(JA9)
90105-06696-00
Unavailable
