- Partiron
- OEM Parts
- Yamaha
- motorcycle
- 1983
- XVZ12TK (XVZ12TK) 1983
SADDLEBAG 2
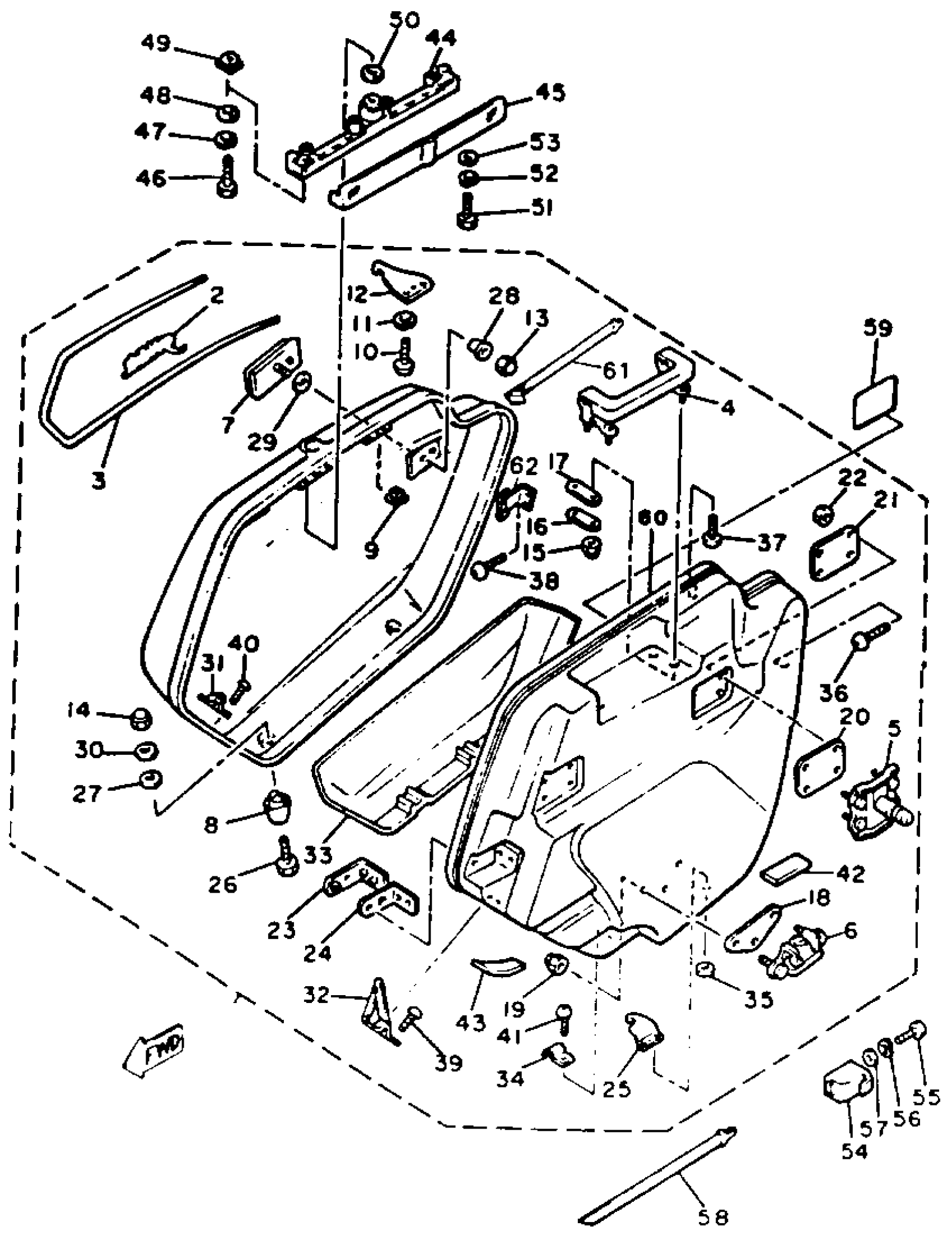
Yamaha XVZ12TK (XVZ12TK) 1983 SADDLEBAG 2 Diagram
#
1
SADDLEBAG COMP. 2
26H-Y2844-00-AY
Unavailable
1
SADDLEBAG COMP. 2 New Ruby Red
26H-Y2844-10-7J
Unavailable
2
. EMBLEM 4
26H-2844A-00-00
Unavailable
3
. GRAPHIC 2
26H-2842G-00-00
Unavailable
3
. GRAPHIC 2
26H-2842G-10-00
Unavailable
4
. GRIP, SADDLEBAG
26H-28408-00-00
Unavailable
5
. BRACKET 1
26H-28426-01-00
Unavailable
6
. BRACKET 2 (26H-28436-00-00)
41R-28436-00-00
Unavailable
7
REAR REFLECTOR ASSY
3Y6-85130-02-00
Unavailable
8
. SHOE
26H-28434-00-00
Unavailable
9
NUT LOCK ASSEMBLY 2
26H-2845G-00-00
Unavailable
12
. HOOK
26H-28488-00-00
Unavailable
14
NUT, CAP
95307-04800-00
Unavailable
16
. PATCH
[26-H2845-80-00
Unavailable
17
PLATE, RUBBER 4
(26H-28499-00-00)
Unavailable
18
. PLATE, RUBBER 2
26H-28484-00-00
Unavailable
20
. PLATE, RUBBER 1
[26-H2848-30-00
Unavailable
21
. REINFORCEMENT 1
[26-H2842-70-00
Unavailable
23
. BRACKET 4
[26-H2847-70-00
Unavailable
24
. PLATE, RUBBER 3
26H-28485-01-00
Unavailable
25
. HOOK 2
[26-H2849-80-00
Unavailable
26
. BOLT
[90-10104-58-10
Unavailable
27
. WASHER, PLATE
[90-20204-14-80
Unavailable
28
. WASHER
[90-20906-23-40
Unavailable
29
WASHER, PLATE
90202-08146-00
Unavailable
30
WASHER, PLATE
90201-04027-00
Unavailable
31
. BRACKET, SADDLEBAG STOPPER
[26-H2849-L0-00
Unavailable
32
. STOPPER, saddlebag
[26-H2849-G0-10
Unavailable
33
. BAG INNER 2
[26-H2847-K0-00
Unavailable
34
. CLIP
[26-H2845-70-00
Unavailable
35
. WASHER, PLATE
[90-20202-15-10
Unavailable
36
. SCREW, TAPPING
90167-03022-00
Unavailable
37
. SCREW, TAPPING
90167-03022-00
Unavailable
38
. SCREW, TAPPING
90167-03022-00
Unavailable
39
. SCREW, TAPPING
90167-03023-00
Unavailable
40
. SCREW, TAPPING
90167-03023-00
Unavailable
41
. SCREW, TAPPING
90167-03022-00
Unavailable
42
. SEAT 2
26H-2848K-00-00
Unavailable
43
. SEAT 3
26H-2848L-00-00
Unavailable
44
LOCK ASSEMBLY 1 (26H-28480-02-00)
26H-W2842-02-00
Unavailable
45
COVER LOCK ASSEMBLY
26H-28493-00-00
Unavailable
46
BOLT(4MX)
97017-05030-00
Unavailable
47
YBS67-5 WASHER, SPRING
92990-05100-00
Unavailable
48
WASHER, PLAIN (646)
92990-05600-00
Unavailable
49
NUT LOCK ASSEMBLY 2
26H-2845G-00-00
Unavailable
50
SEAL 7
26H-2849F-00-00
Unavailable
51
BOLT(4TW)
97017-05016-00
Unavailable
53
WASHER(1RW)
92907-05600-00
Unavailable
54
LOCK ASSEMBLY 2 (41R-28490-00-00)
41R-W2843-00-00
Unavailable
57
WASHER(1RW)
92907-05600-00
Unavailable
58
BAND, tool
26H-21376-00-00
Unavailable
59
LABEL, 1
[26-H2844-60-00
Unavailable
60
SEAL 5
54K-2847F-00-00
Unavailable
61
BAND, RIGHT
(26H-2847G-00-00)
Unavailable
62
BRACKET 8
[26-H2846-90-00
Unavailable
