Partiron

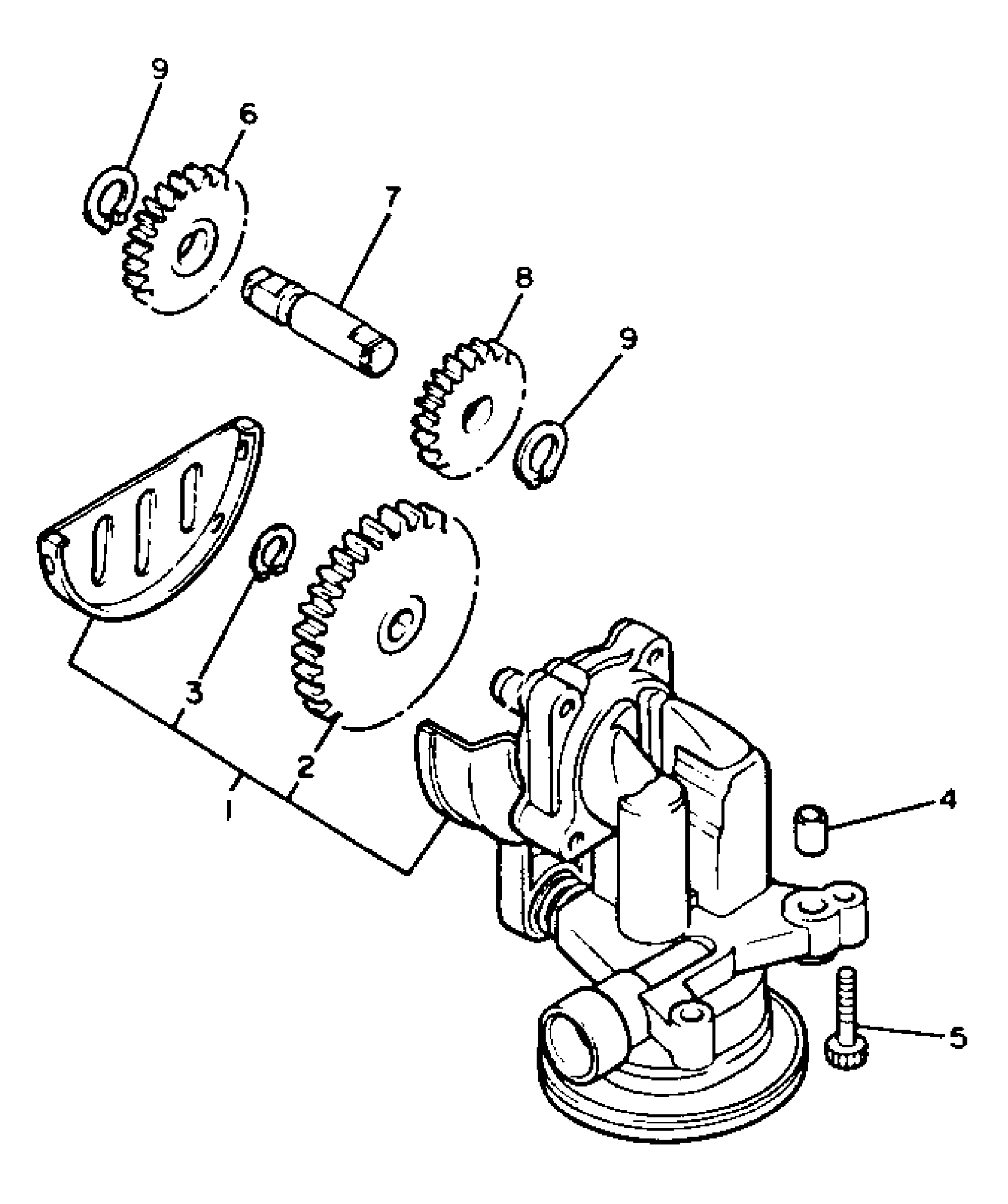
Yamaha XVZ12TK (XVZ12TK) 1983 OIL PUMP Diagram

#

Description
Price

1

OIL PUMP ASS'Y

26H-13300-02-00

Unavailable

2

GEAR, PUMP DRIVEN (28T)

26H-13325-00-00

Unavailable

3

CIRCLIP(24H)

99009-11400-00

$8.49

4

PIN, DOWEL(3VD)

99530-10114-00

$2.55

5

BOLT,SOCKET

91317-06025-00

$5.60

6

GEAR, PUMP IDLE 1 (16T)

26H-13351-01-00

$45.99

7

SHAFT, IDLE GEAR

26H-13342-00-00

Unavailable

8

GEAR, PUMP IDLE 2 (15T)

26H-13361-00-00

Unavailable

9

CIRCLIP(10Y)

99009-12400-00

$3.59