- Partiron
- OEM Parts
- Yamaha
- motorcycle
- 1983
- XVZ12TDK (XVZ12TDK) 1983
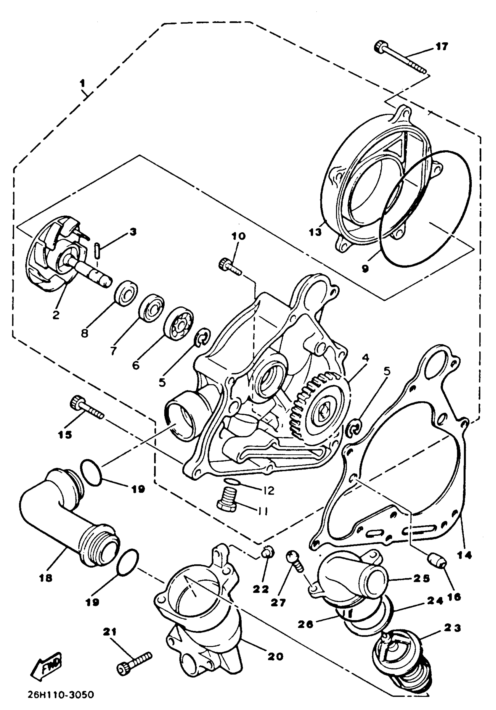
WATER PUMP
Yamaha XVZ12TDK (XVZ12TDK) 1983 WATER PUMP Diagram
#
Description
Price
1
WATER PUMP ASS''Y
26H-12420-01-00
Unavailable
4
GEAR, IMPELLER SHAFT (31T)
26H-12459-00-00
Unavailable
13
. COVER 2 ASSEMBLY
26H-W1548-00-00
Unavailable
16
PIN, DOWEL(3VD)
99530-10114-00
Unavailable
17
BOLT, SOCKET
91314-06065-00
Unavailable
18
JOINT
26H-12446-00-00
Unavailable
19
O-RING(1KT)
93210-27778-00
Unavailable
20
HOUSING, THERMOSTAT
1FK-12417-00-00
Unavailable
21
BOLT,SOCKET HEAD
91314-06020-00
Unavailable
22
PLUG (13K)
90338-06134-00
Unavailable
23
THERMOSTAT ASSY
99999-03066-00
Unavailable
24
SEAL, THERMOSTAT
11H-12412-00-00
Unavailable
25
COVER, THERMOSTAT
26H-12413-00-00
Unavailable
26
O-RING(1EY)
93210-43713-00
Unavailable
27
SCREW, BINDING
98907-06016-00
Unavailable
