- Partiron
- OEM Parts
- Yamaha
- motorcycle
- 1983
- XVZ12TDK (XVZ12TDK) 1983
OIL FILTER
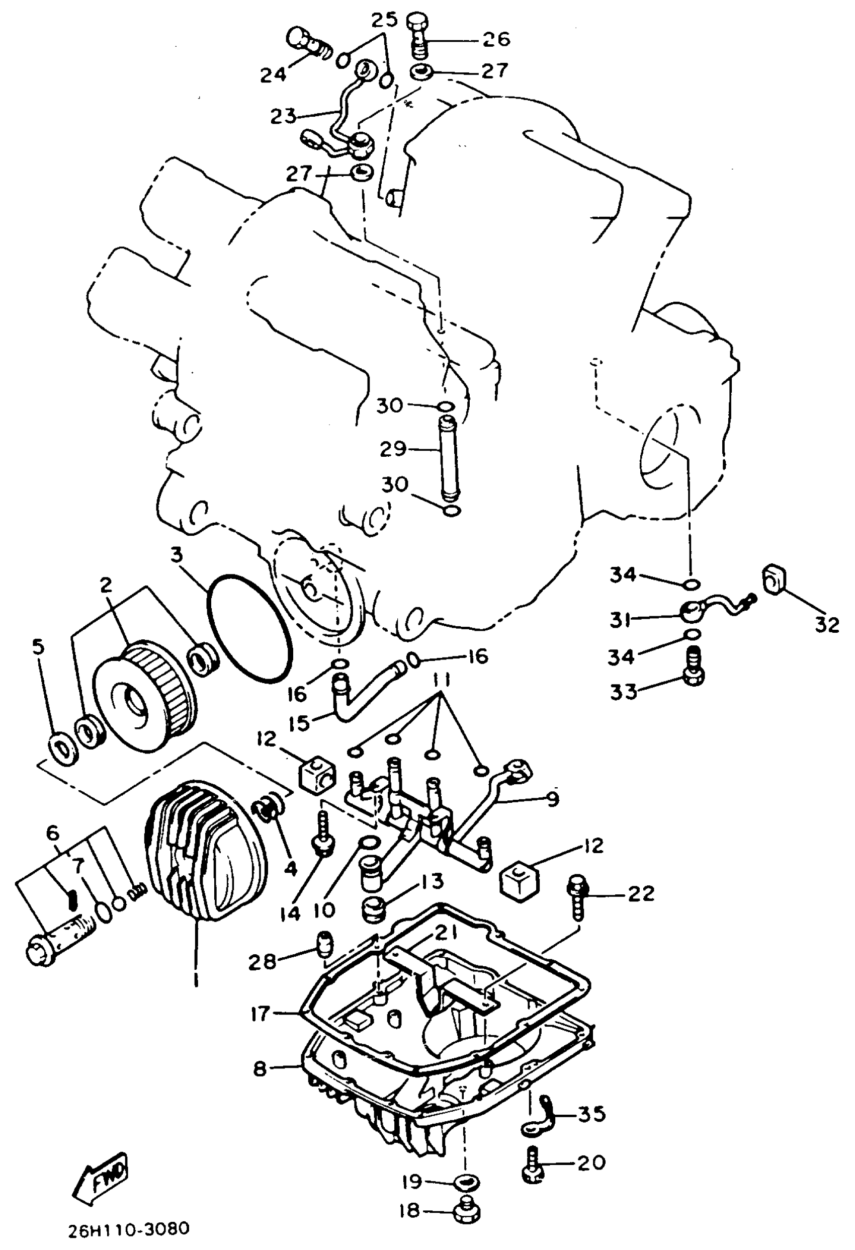
Yamaha XVZ12TDK (XVZ12TDK) 1983 OIL FILTER Diagram
#
Description
Price
1
COVER, OIL ELEMENT (26H-13447-00)
26H-13447-01-00
Unavailable
2
ELEMENT ASSEMBLY, OIL CLEANER (1J7-13440-91-00)
1J7-13440-10-00
Unavailable
6
BY-PASS VALVE ASSEMBLY
2H7-13340-00-00
Unavailable
8
COVER, STRAINER
26H-13417-01-00
Unavailable
9
DELIVERY PIPE ASS'Y
26H-Y1319-10-00
Unavailable
13
GROMMET
26H-15366-01-00
Unavailable
16
O-RING (26H)
93210-14579-00
Unavailable
17
GASKET, STRAINER COVER
3JP-13414-01-00
Unavailable
18
PLUG, STRAIGHT SCREW(3FA)
90340-14132-00
Unavailable
19
GASKET
214-11198-01-00
Unavailable
20
BOLT
90110-06030-00
Unavailable
21
PLATE, BAFFLE LOWER
26H-13337-01-00
Unavailable
23
PIPE, DELIVERY 3
26H-13181-01-00
Unavailable
24
BOLT, UNION
90401-08006-00
Unavailable
25
WASHER, PLATE 3411117500
90201-08087-00
Unavailable
26
BOLT, UNION
90401-10090-00
Unavailable
27
WASHER PLATE 341839090000
90201-10128-00
Unavailable
28
PIN, DOWEL(3XW)
91808-16023-00
Unavailable
29
PIPE, DELIVERY 2
26H-13171-00-00
Unavailable
31
PIPE, OIL 1
26H-13416-01-00
Unavailable
32
GASKET
26H-13476-00-00
Unavailable
33
BOLT, union
[90-40108-09-30
Unavailable
34
WASHER, PLATE 3411117500
90201-08087-00
Unavailable
35
CLAMP(4MX)
90465-06376-00
Unavailable
