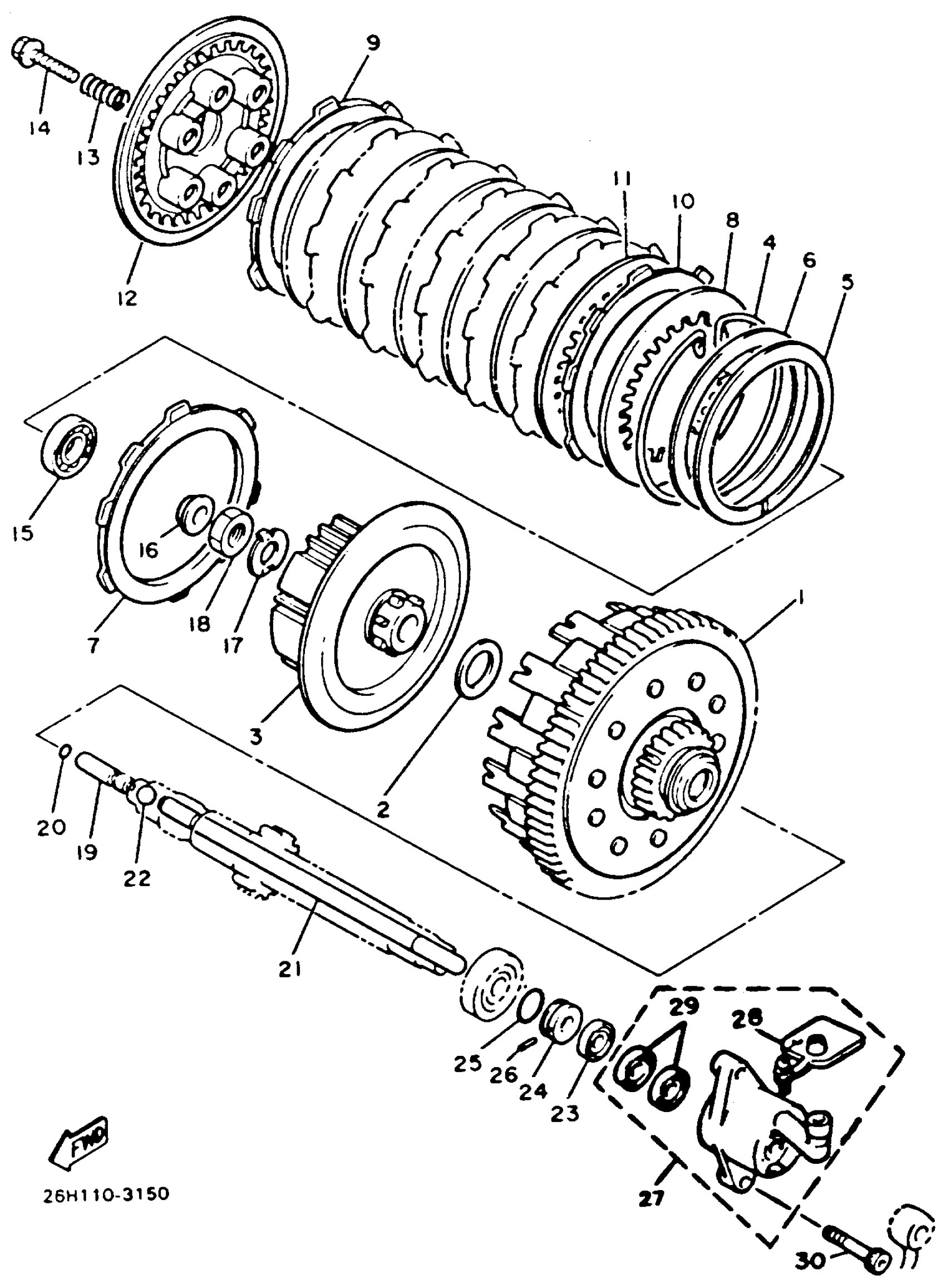
Yamaha XVZ12TDK (XVZ12TDK) 1983 CLUTCH Diagram
#
Description
Price
1
PRIMARY DRIVEN GEAR COMP
126-H1615-00-00
Unavailable
2
PLATE, THRUST 1
26H-16154-00-00
Unavailable
3
BOSS, CLUTCH
26H-16371-00-00
Unavailable
6
SPRING, CLUTCH BOSS
26H-16383-00-00
Unavailable
12
PLATE, PRESSURE 1
26H-16351-00-00
Unavailable
13
SPRING, COMPRESSION
90501-24734-00
Unavailable
16
.. PIECE, CLUTCH PUSH
2H7-16386-00-00
Unavailable
17
WASHER, LOCK (26H)
90215-25218-00
Unavailable
18
NUT (26H)
90170-20323-00
Unavailable
19
ROD, PUSH 1
26H-16356-00-00
Unavailable
20
O-RING (26H)
93210-06632-00
Unavailable
21
ROD, PUSH 2
4NK-16357-00-00
Unavailable
22
BALL (498)
93511-32027-00
Unavailable
23
OIL SEAL(12E)
93109-08061-00
Unavailable
24
GUIDE,PUSH ROD
26H-Y1639-00-00
Unavailable
25
O-RING (1L9)
93210-18322-00
Unavailable
26
PIN, DOWEL
93603-07073-00
Unavailable
27
PUSH LEVER COMP.
1FK-16381-11-00
Unavailable
28
BLEED SCREW KIT
1NL-W0048-00-00
Unavailable
29
PUSH LEVER SEAL KIT
26H-W0098-00-00
Unavailable
30
BOLT, HEXAGON SOCKET HEAD (4H7
90110-06035-00
Unavailable
