- Partiron
- OEM Parts
- Yamaha
- motorcycle
- 1985
- XVZ12DN (XVZ12DN) 1985
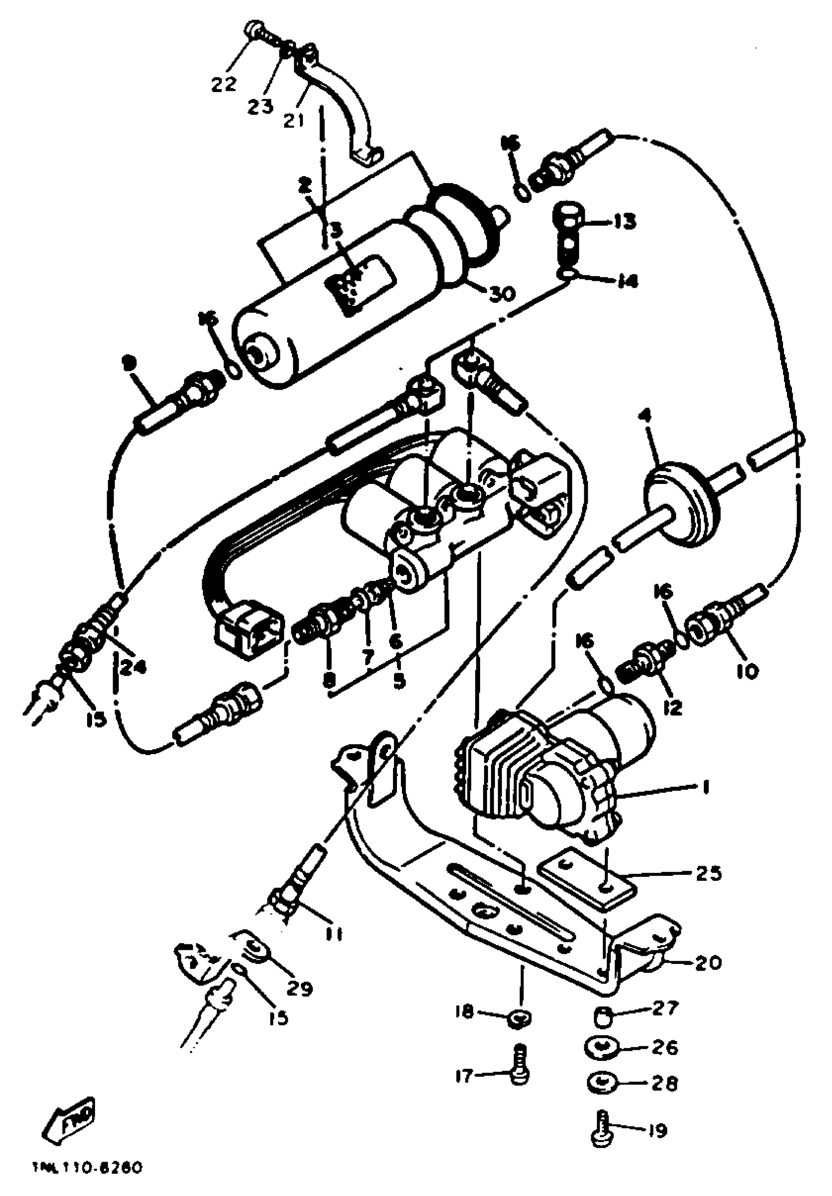
LEVELING UNIT
Yamaha XVZ12DN (XVZ12DN) 1985 LEVELING UNIT Diagram
#
Description
Price
1
AIR COMPRESSOR ASS''Y
31M-22910-00-00
Unavailable
2
DRYER AAS''Y
31M-22940-00-00
Unavailable
3
. DESICCANT
31M-22945-00-00
Unavailable
4
SUCTION FILTER ASS''Y
31M-22950-00-00
Unavailable
5
VALVE ASS''Y
31M-22960-00-00
Unavailable
6
. VALVE, reed
31M-13512-00-00
Unavailable
8
. ADAPTER
31M-22962-00-00
Unavailable
9
HOSE ASS''Y 1
31M-22906-00-00
Unavailable
10
HOSE ASS''Y 2
31M-22907-00-00
Unavailable
11
HOSE ASS''Y 3
31M-22908-00-00
Unavailable
12
UNAVAILABLE IN PRICE BOOK
[31-M2295-40-00
Unavailable
13
BOLT, union
31M-22955-00-00
Unavailable
17
SCREW PAN HEAD
98580-06010-00
Unavailable
18
WASHER, SPRING
92995-06100-00
Unavailable
19
SCREW, PAN HEAD(6B0)
97885-05016-00
Unavailable
20
BRACKET, read stay
31M-21688-00-00
Unavailable
21
BAND
31M-21647-00-00
Unavailable
22
SCREW, PAN HEAD(62X)
97885-05010-00
Unavailable
23
YBS67-5 WASHER, SPRING
92990-05100-00
Unavailable
24
HOSE ASS''Y 4
31M-22909-00-00
Unavailable
25
DAMPER
[31-M2292-80-00
Unavailable
26
WASHER, plate
[90-20108-3H-90
Unavailable
27
COLLAR (3J0)
90387-05682-00
Unavailable
28
WASHER PLATE 803835240000
90201-05032-00
Unavailable
29
BRACKET, HOSE
(31M-22957-00-00)
Unavailable
30
O-RING (21A)
93210-34633-00
Unavailable
