- Partiron
- OEM Parts
- Yamaha
- motorcycle
- 1985
- XVZ12DN (XVZ12DN) 1985
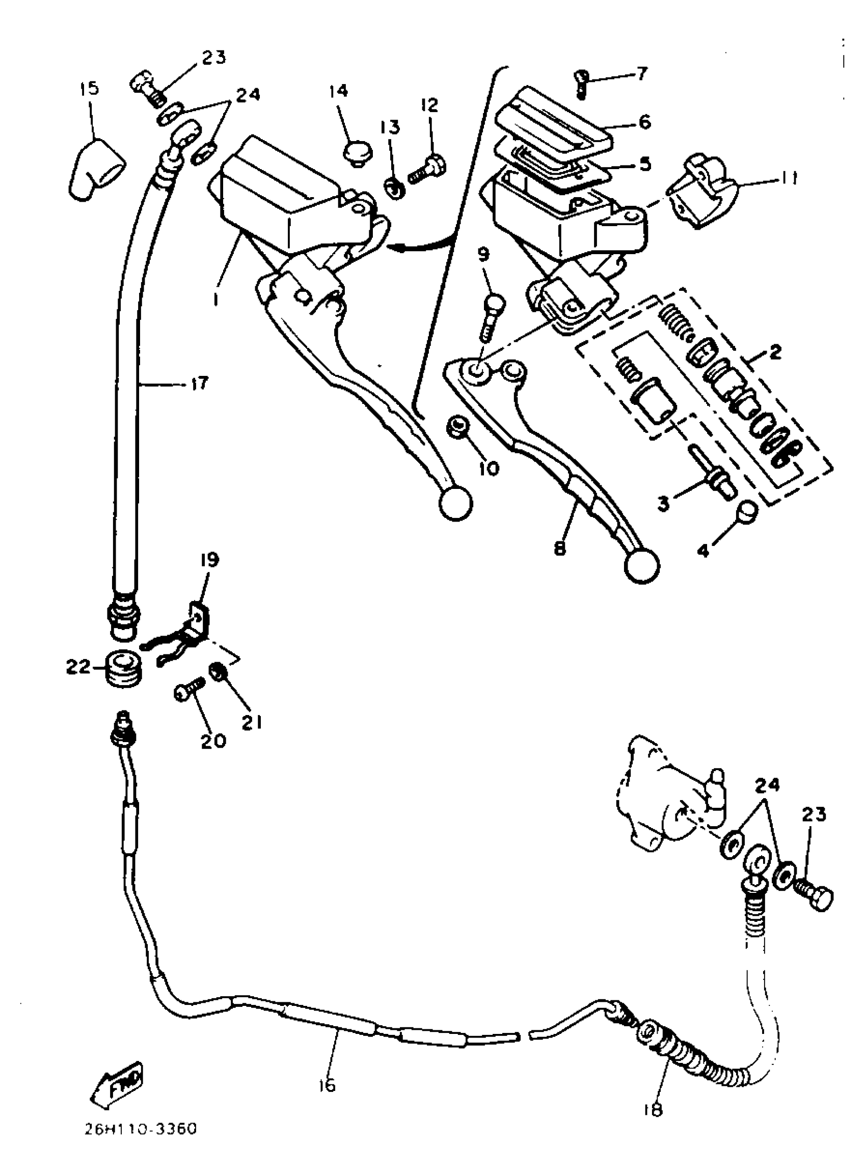
FRONT MASTER CYLINDER 2
Yamaha XVZ12DN (XVZ12DN) 1985 FRONT MASTER CYLINDER 2 Diagram
#
Description
Price
1
MASTER CYLINDER ASS''Y (CLUTCH) (26H-26450-01)
26H-26450-20-00
Unavailable
2
CYLINDER KIT, MASTER (CLUTCH)
2KW-W0099-00-00
Unavailable
5
DIAPHRAGM, RESERVOIR
26H-25854-00-00
Unavailable
6
. CAP, RESERVOIR
26H-26452-00-00
Unavailable
8
. LEVER 1 (26H-83912-00)
26H-83912-10-00
Unavailable
11
. HOLDER
26H-26467-00-00
Unavailable
16
PIPE
26H-26471-02-00
Unavailable
17
HOSE, clutch 1
26H-26472-00-00
Unavailable
18
HOSE, clutch 2
26H-26473-00-00
Unavailable
19
HOLDER
(26H-26475-01-00)
Unavailable
20
SCREW, PAN
98517-06012-00
Unavailable
22
PROTECTOR, BRAKE HOSE
341-25881-00-00
Unavailable
23
BOLT, UNION(3GM)
90401-10159-00
Unavailable
24
WASHER, PLATE(481)
90201-10118-00
Unavailable
