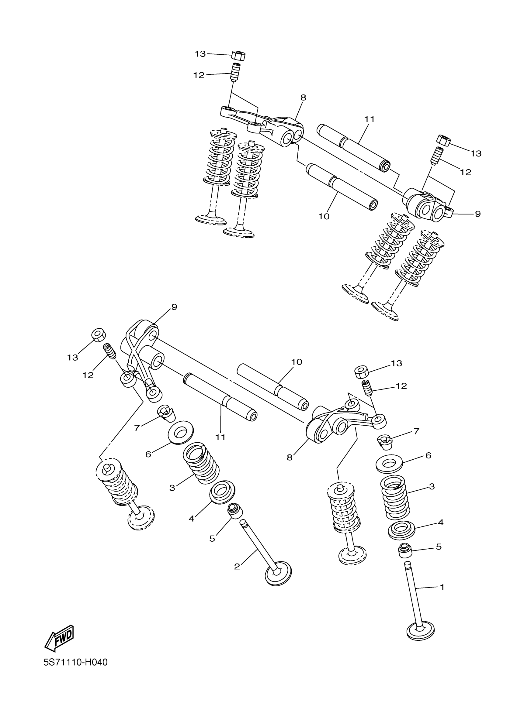
Yamaha XVS95CTZG (V STAR 950 TOURER) 26S4 2010 VALVE Diagram
#
Description
Price
8
ARM, VALVE ROCKER
5S7-12151-00-00
Unavailable
9
ARM, VALVE ROCKER 2
5S7-12161-00-00
Unavailable
12
SCREW, VALVE ADJUSTING
4X7-12159-00-00
Unavailable
