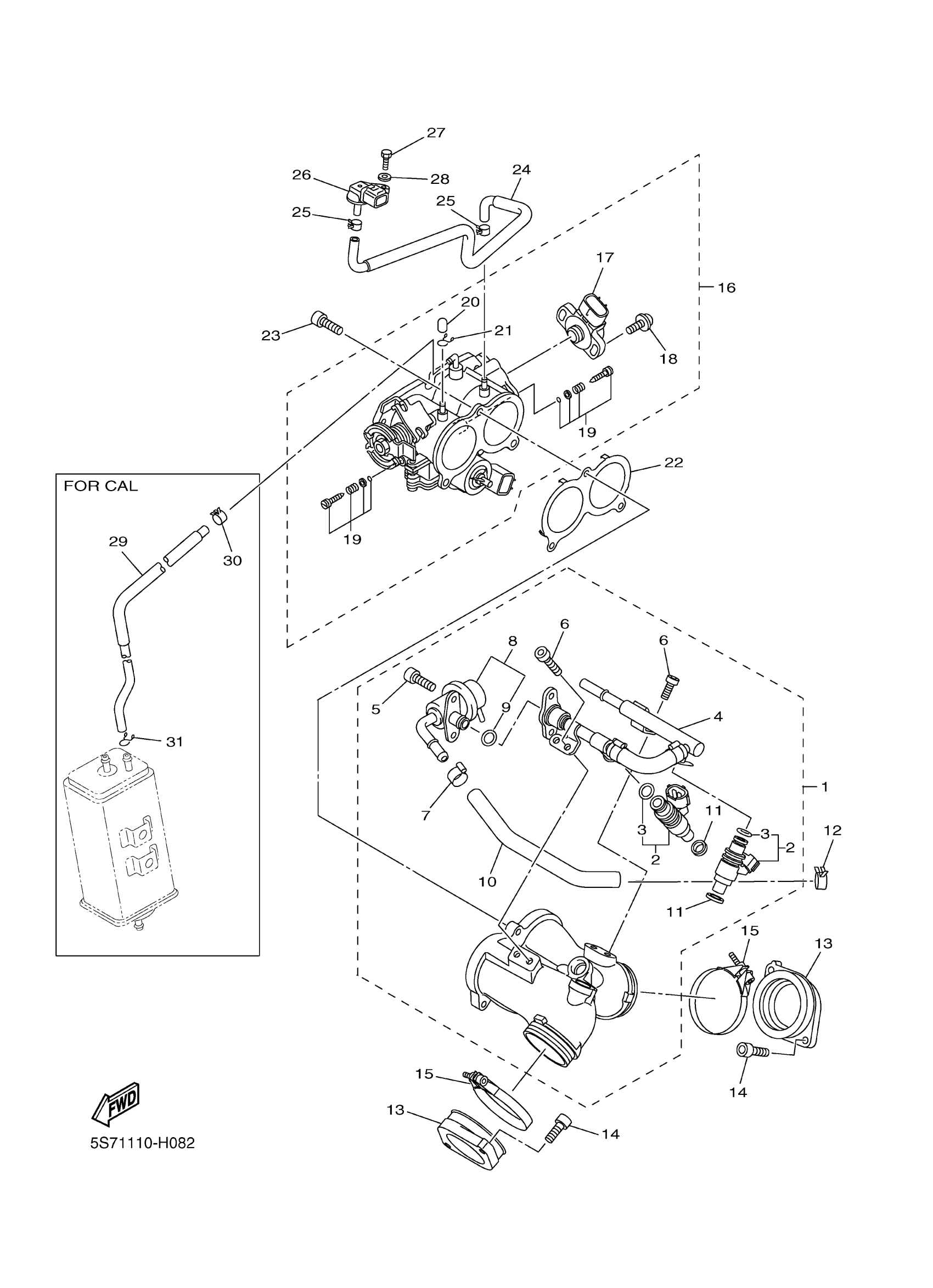
Yamaha XVS95CTAR (V STAR 950 TOURER) 26S70 2011 INTAKE 1 Diagram
#
Description
Price
1
CARBURETOR JOINT ASSY
5S7-13590-20-00
Unavailable
4
PIPE INLET ASSEMBLY
5S7-13930-00-00
Unavailable
7
. CLIP
68V-24387-00-00
Unavailable
8
REGULATOR, PRESSURE
5S7-13906-00-00
Unavailable
10
PIPE 2
5S7-24312-00-00
Unavailable
16
THROTTLE BODY ASSY
5S7-13750-01-00
Unavailable
17
THROTTLE SENSOR AS
8GL-85885-01-00
Unavailable
18
SCREW
4KM-24453-00-00
Unavailable
19
AIR SCREW SET
3D8-14104-00-00
Unavailable
20
CAP
895-14169-00-00
Unavailable
21
CLIP, PIPE
8A7-14139-00-00
Unavailable
22
SEAL
BL3-14467-00-00
Unavailable
24
HOSE, AIR
5S7-13895-00-00
Unavailable
25
CLIP(42X)
90467-07093-00
Unavailable
26
SENSOR, PRESSURE
5S7-82380-00-00
Unavailable
27
BOLT(3JK)
97027-05020-00
Unavailable
28
WASHER, PLAIN (646)
92990-05600-00
Unavailable
