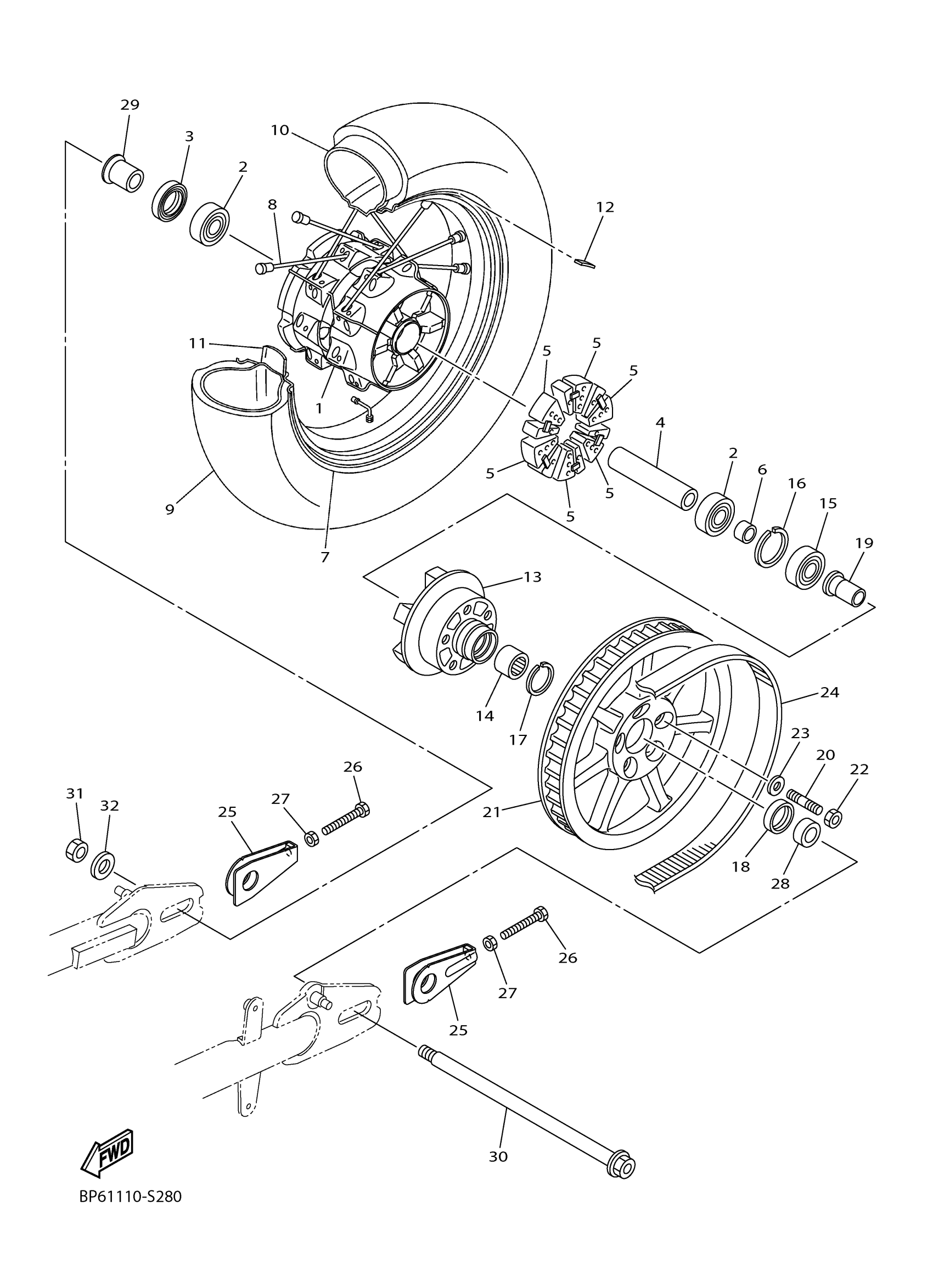
Yamaha XVS95CKCB (BOLT CA) BP6F 2019 REAR WHEEL Diagram
#
Description
Price
5
DAMPER
4WM-25364-00-00
Unavailable
7
RIM
94435-16005-00
Unavailable
8
SPOKE SET, REAR
BP6-25304-00-00
Unavailable
9
TIRE
94115-16033-00
Unavailable
13
CLUTCH, HUB
1TP-25366-00-00
Unavailable
16
CIRCLIP(26H)
99009-52500-00
Unavailable
17
CIRCLIP
93450-35163-00
Unavailable
18
OIL SEAL (30X42X8-102)
93106-30004-00
Unavailable
19
COLLAR, WHEEL
4WM-25376-10-00
Unavailable
20
BOLT, STUD
95612-12630-00
Unavailable
21
SPROCKET, DRIVEN (70T)
1TP-25470-00-00
Unavailable
22
NUT, U
95614-12100-00
Unavailable
23
WASHER, PLATE
90201-12045-00
Unavailable
24
V-BELT
1TP-46241-10-00
Unavailable
25
PULLER, CHAIN 1
1TP-25388-00-00
Unavailable
26
BOLT(4SR)
90101-08777-00
Unavailable
27
NUT, HEXAGON SMALL
95317-08700-00
Unavailable
28
COLLAR
90387-20034-00
Unavailable
29
COLLAR
90387-2000B-00
Unavailable
30
AXLE, WHEEL
1TP-25381-00-00
Unavailable
31
NUT, SELF-LOCKING
90185-18009-00
Unavailable
32
WASHER, PLATE
90201-18020-00
Unavailable
