- Partiron
- OEM Parts
- Yamaha
- motorcycle
- 2008
- XVS65XCB (V STAR 650 MIDNIGHT CUSTOM CA) 5S14 2008
CARBURETOR
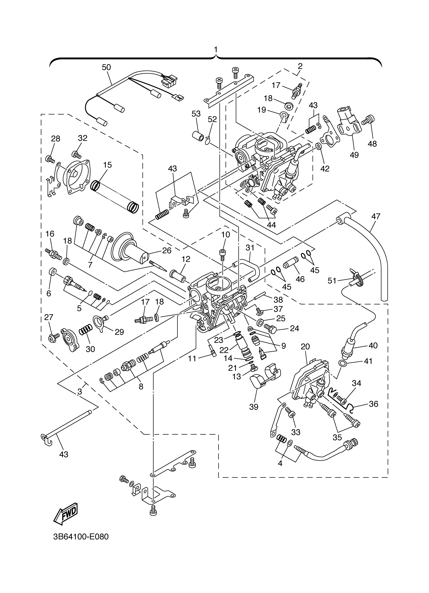
Yamaha XVS65XCB (V STAR 650 MIDNIGHT CUSTOM CA) 5S14 2008 CARBURETOR Diagram
#
1
CARBURETOR ASSY
5SC-14900-21-00
Unavailable
1
CARBURETOR ASSY
5SC-14906-21-00
Unavailable
2
CARBURETOR ASSY 1
5SC-14901-20-00
Unavailable
3
CARBURETOR ASSY 2
5SC-14902-20-00
Unavailable
4
THROTTLE SCREW SET
4TR-14103-00-00
Unavailable
5
PILOT SCREW SET
4TR-14105-00-00
Unavailable
6
CAP
3F9-14118-00-00
Unavailable
7
NEEDLE SET
5BN-1490J-00-00
Unavailable
15
SPRING, DIAPHRAGM
4VR-14933-00-00
Unavailable
16
HEATER ASSY
5FU-83790-00-00
Unavailable
17
HEATER ASSY
5FU-83790-10-00
Unavailable
18
WASHER, PLATE
90201-08016-00
Unavailable
18
WASHER, PLATE
90201-08016-00
Unavailable
19
TERMINAL 1
4DH-82103-00-00
Unavailable
20
O-RING
1HX-14147-00-00
Unavailable
21
O-RING
1AE-14227-00-00
Unavailable
22
HOLDER
5SC-14261-00-00
Unavailable
23
GASKET
1AE-14237-00-00
Unavailable
24
SCREW
1HX-14565-00-00
Unavailable
25
WASHER,MAIN JET
137-14153-00-00
Unavailable
26
DIAPHRAGM ASSY
4TR-14940-00-00
Unavailable
27
SCREW, PAN HEAD
98517-04012-00
Unavailable
28
SCREW, ROD
3KW-14486-00-00
Unavailable
29
DIAPHRAGM ASSY
22V-14940-00-00
Unavailable
30
SPRING
5SC-14275-00-00
Unavailable
31
PIPE 1
4TR-14348-00-00
Unavailable
32
SCREW, PAN HEAD(JG1)
98507-04008-00
Unavailable
32
SCREW, PAN HEAD(JG1)
98507-04008-00
Unavailable
33
SCREW, PAN HEAD(GA5)
98580-04014-00
Unavailable
33
SCREW, PAN HEAD(GA5)
98580-04014-00
Unavailable
34
SCREW
4VR-24453-00-00
Unavailable
35
PLUG, DRAIN
5LW-14191-00-00
Unavailable
36
CLIP
4TR-14937-00-00
Unavailable
37
SCREW
1FN-14565-00-00
Unavailable
38
PIN, FLOAT
353-14186-00-00
Unavailable
39
FLOAT
1HX-14985-00-00
Unavailable
40
FUEL CUT SOLENOID VALVE
5SC-1410H-00-00
Unavailable
40
FUEL CUT SOLENOID VALVE
5SC-1410H-10-00
Unavailable
41
WASHER
256-14956-01-00
Unavailable
42
SEAL
4HM-14239-00-00
Unavailable
43
STARTER LEVER SET, 1
4TR-1490L-00-00
Unavailable
44
STOP SCREW SET
3KW-1490K-00-00
Unavailable
45
O-RING
36Y-14147-00-00
Unavailable
46
NIPPLE
1WG-14251-00-00
Unavailable
47
HOSE
4TR-14987-00-00
Unavailable
48
SCREW
4KM-24453-00-00
Unavailable
49
THROTTLE SENSOR ASSY
4NK-85885-00-00
Unavailable
50
WIRE, SUB LEAD
5SC-81517-00-00
Unavailable
51
CLIP, PIPE
35H-14139-00-00
Unavailable
52
CLIP
55X-14937-00-00
Unavailable
53
CAP
5GK-1491A-00-00
Unavailable
