Partiron

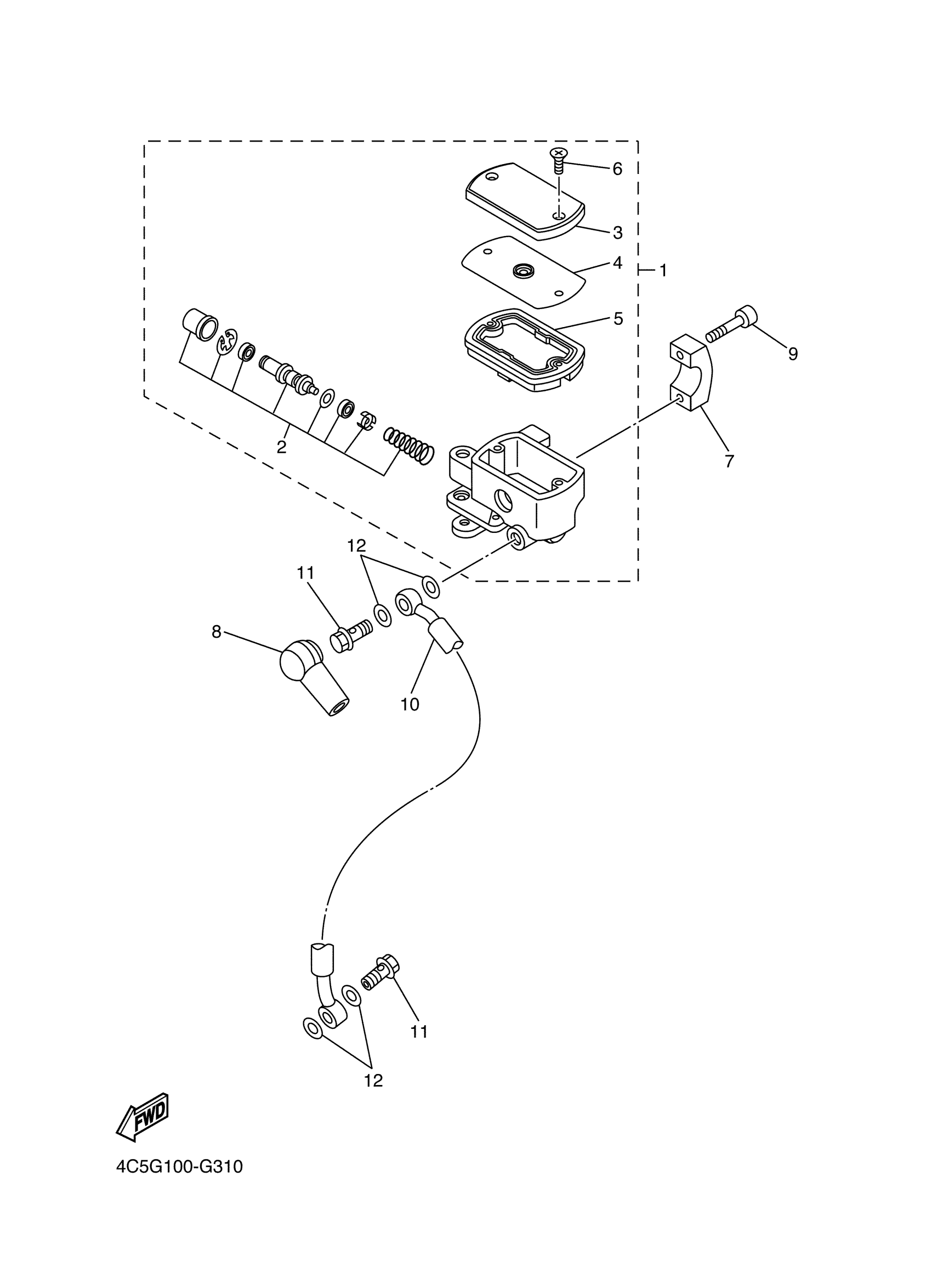
Yamaha XVS65AZR (V STAR 650 CLASSIC) 1BF1 2010 FRONT MASTER CYLINDER Diagram

#

Description
Price

1

MASTER CYLINDER SUB ASSY

3D8-25870-11-00

$309.99

2

CYLINDER KIT, MASTER

2KR-25807-00-00

Unavailable

3

CAP, RESERVOIR

3D8-25852-10-00

$46.99

4

BUSH,DIAPHRAGM

3D8-25855-00-00

$5.49

5

DIAPHRAGM, RESERVOIR

3D8-25854-00-00

Unavailable

6

SCREW

3D8-2589H-10-00

$7.99

7

BRACKET, MASTER CYLINDER

4TR-25867-00-00

Unavailable

8

BOOT, MASTER CYLINDER

4L0-25862-01-00

$7.99

9

BOLT,SOCKET HEAD

91314-06025-00

$8.49

10

HOSE, BRAKE 1

5BN-25872-21-00

$109.99

11

BOLT, UNION

90401-10020-00

$9.49

12

GASKET

90430-10005-00

$9.49