- Partiron
- OEM Parts
- Yamaha
- motorcycle
- 2010
- XVS65ATZCB (V STAR 650 SILVERADO CA) 1BG2 2010
TRANSMISSION
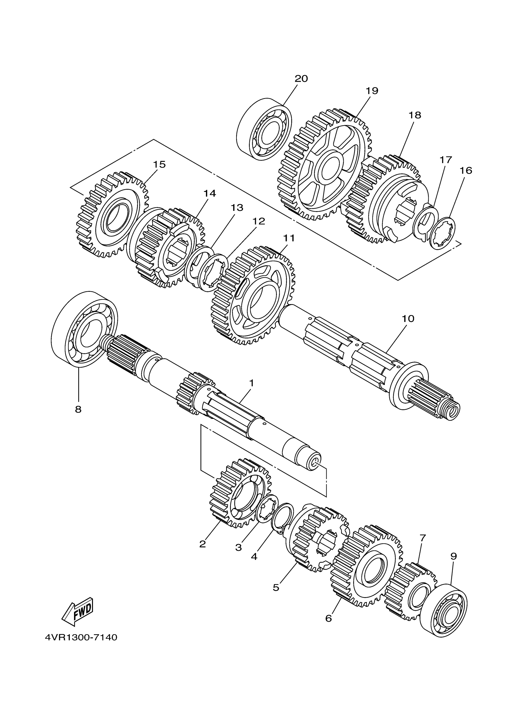
Yamaha XVS65ATZCB (V STAR 650 SILVERADO CA) 1BG2 2010 TRANSMISSION Diagram
#
Description
Price
1
AXLE, MAIN
4VR-17411-00-00
Unavailable
2
GEAR, 4TH PINION
22U-17141-00-00
Unavailable
5
GEAR, 3RD PINION
4VR-17131-00-00
Unavailable
6
GEAR, 5TH PINION
4VR-17151-01-00
Unavailable
7
GEAR, 2ND PINION (20T)
4KU-17121-00-00
Unavailable
14
GEAR, 5TH WHEEL
4VR-17251-01-00
Unavailable
18
GEAR, 4TH WHEEL
4TR-17241-00-00
Unavailable
19
GEAR, 1ST WHEEL
22U-17211-00-00
Unavailable
20
BEARING (17L)
93306-00427-00
Unavailable
