- Partiron
- OEM Parts
- Yamaha
- motorcycle
- 2003
- XVS650ATRC (V-STAR SILVERADO CA) 5SCC 2003
REAR ARM SUSPENSION
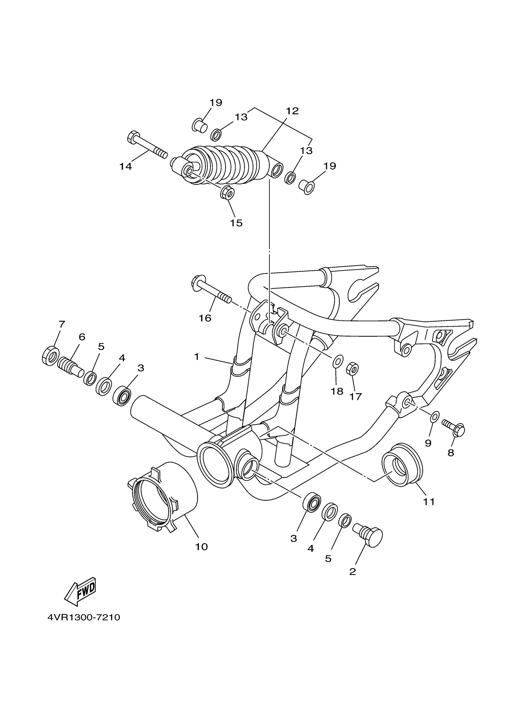
Yamaha XVS650ATRC (V-STAR SILVERADO CA) 5SCC 2003 REAR ARM SUSPENSION Diagram
#
Description
Price
1
REAR ARM COMP.
4VR-22110-01-00
Unavailable
6
SHAFT, PIVOT
15B-22141-00-00
Unavailable
10
BOOT, RUBBER
4TR-22189-00-00
Unavailable
12
SHOCK ABSORBER ASSY, REAR
5BN-22210-40-00
Unavailable
14
BOLT(3VD)
90109-125F1-00
Unavailable
16
BOLT(3VD)
90109-125F1-00
Unavailable
17
NUT, U (4PM)
95617-12100-00
Unavailable
18
WASHER, PLATE
90201-12027-00
Unavailable
19
COLLAR(3SX)
90387-123X6-00
Unavailable
